Klasyfikacja przekroju - Czysta kompresja
Podstawowe typy części przekroju
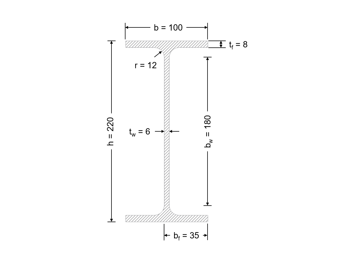
Abmessungen des Querschnitts in mm
Układ konstrukcyjny i obciążenie
  • 3D Viewer
  • 3D Viewer | Babylon
  • Wirtualna rzeczywistość
Okno 1.3 Przekroje
Okno dialogowe Szczegóły, zakładka Stan graniczny nośności
Klasyfikacja przekroju - Czyste zginanie
Okno dialogowe Części c/t
Klasyfikacja przekroju - Czysta kompresja
Podstawowe typy części przekroju
Abmessungen des Querschnitts in mm
Układ konstrukcyjny i obciążenie
Okno 1.3 Przekroje
Okno dialogowe Szczegóły, zakładka Stan graniczny nośności
Klasyfikacja przekroju - Czyste zginanie
Okno dialogowe Części c/t
2024-05-30
014723
  • RFEM 5
  • RF-ALUMINIUM 5
  • RSTAB 8
    • ALUMINIUM 8
    • Analiza statyczno-wytrzymałościowa
    • Eurocode 9

Klasyfikacja przekroju - Czysta kompresja

Wykorzystano w
  • Klasyfikacja przekrojów zgodnie z normą EN 1999-1-1
Udostępnij
2024-05-30
014717
  • RFEM 5
  • RF-ALUMINIUM 5
  • RSTAB 8
    • ALUMINIUM 8
    • Analiza statyczno-wytrzymałościowa
    • Eurocode 9
Podstawowe typy części przekroju
Wykorzystano w
  • Klasyfikacja przekrojów zgodnie z normą EN 1999-1-1
Udostępnij
2024-05-30
014718
  • RFEM 5
  • RF-ALUMINIUM 5
  • RSTAB 8
    • ALUMINIUM 8
    • Analiza statyczno-wytrzymałościowa
    • Eurocode 9
Wymiary przekroju w mm
Abmessungen des Querschnitts in mm

Wykorzystano w
  • Klasyfikacja przekrojów zgodnie z normą EN 1999-1-1
Udostępnij
2024-05-30
014719
  • RFEM 5
  • RF-ALUMINIUM 5
  • RSTAB 8
    • ALUMINIUM 8
    • Analiza statyczno-wytrzymałościowa
    • Eurocode 9
Układ konstrukcyjny i obciążenie
Wykorzystano w
  • Klasyfikacja przekrojów zgodnie z normą EN 1999-1-1
Model 3D
Więcej o modelu 3D
  • I-przekrój wspornikowy EN-AW 6082 (EP, ET, ER/B) T4
Specyfikacje
Liczba węzłów 2
Liczba linii 1
Liczba prętów 1
Liczba powierzchni 0
Ilość brył 0
Ilość przypadków obciążenia 2
Ilość KO 1
Liczba kombinacji wyników 0
Ciężar całkowity 0,016 t
Wymiary (metryczne) 2,000 x 0,000 x 0,000 m
Wymiary (imperialne) 6.56 x 0 x 0 feet
Udostępnij
2024-05-30
014720
  • RFEM 5
  • RF-ALUMINIUM 5
  • RSTAB 8
    • ALUMINIUM 8
    • Analiza statyczno-wytrzymałościowa
    • Eurocode 9
Okno 1.3 Przekroje
Wykorzystano w
  • Klasyfikacja przekrojów zgodnie z normą EN 1999-1-1
Udostępnij
2024-05-30
014721
  • RFEM 5
  • RF-ALUMINIUM 5
  • RSTAB 8
    • ALUMINIUM 8
    • Analiza statyczno-wytrzymałościowa
    • Eurocode 9
Okno dialogowe Szczegóły, zakładka Stan graniczny nośności
Wykorzystano w
  • Klasyfikacja przekrojów zgodnie z normą EN 1999-1-1
Udostępnij
2024-05-30
014722
  • RFEM 5
  • RF-ALUMINIUM 5
  • RSTAB 8
    • ALUMINIUM 8
    • Analiza statyczno-wytrzymałościowa
    • Eurocode 9
Klasyfikacja przekroju - Czyste zginanie
Wykorzystano w
  • Klasyfikacja przekrojów zgodnie z normą EN 1999-1-1
Udostępnij
2024-05-30
014724
  • RFEM 5
  • RF-ALUMINIUM 5
  • RSTAB 8
    • ALUMINIUM 8
    • Analiza statyczno-wytrzymałościowa
    • Eurocode 9
Okno dialogowe Części c/t
Wykorzystano w
  • Klasyfikacja przekrojów zgodnie z normą EN 1999-1-1
Udostępnij