26224x
001673
2021-01-19

Klasyfikacja przekrojów zgodnie z normą EN 1999-1-1

Klasyfikacja przekrojów powinna określać graniczne nośności i zdolność do obrotu przekroju ze względu na lokalną utratę stateczności części przekroju. W normie EN 1999‑1‑1, 6.1.4.2 (1) zdefiniowano cztery klasy.
  • Przekroje klasy 1 to takie, które mogą tworzyć przegub plastyczny o zdolności do obrotu wymaganej dla analizy plastycznej bez redukcji nośności.
  • Przekroje klasy 2 to takie, które mogą rozwinąć nośność plastyczną na zginanie, ale mają ograniczoną zdolność do obrotu ze względu na wyboczenie lokalne.
  • Przekroje klasy 3 to takie, w których naprężenie w włóknie o największym stopniu ściskania pręta aluminiowego może osiągnąć granicę plastyczności, ale lokalne wyboczenie może zapobiec osiągnięciu pełnej nośności plastycznej na zginanie.
  • Przekroje klasy 4 to przekroje, w których wystąpi wyboczenie lokalne przed osiągnięciem naprężenia w jednej lub kilku częściach przekroju.

Podstawowe typy części przekroju

Klasyfikacja przekroju zależy od stosunku szerokości do grubości b/t jego części poddanych ściskaniu. Zgodnie z EN 1999-1-1 [1], 6.1.4.2 (6) elementy cienkościenne są podzielone na następujące podstawowe typy.

  • płaskie wystające części
  • płaskie części wewnętrzne
  • zakrzywione części wewnętrzne

Części te mogą być niezbrojone lub zbrojone przez podłużne żebra usztywniające, zagięcia krawędzi lub główki (zdjęcie 1).

parametr smukłości

Podatność niezbrojonej części płaskiej na wyboczenie lokalne jest definiowana przez parametr β. Zgodnie z EN 1999-1-1, 6.1.4.3 (1) przyjmuje on następujące wartości.

  • płaskie części wewnętrzne bez gradientu naprężeń lub płaskie wysunięte części bez gradientu naprężeń lub szczytowego ściskania na brzegu stopy
    • β = b/t | EN 1999-1-1, (6.1)
  • wewnętrzne części z gradientem naprężeń tworzącym w środku oś obojętną
    • β = 0,40 · b/t | EN 1999-1-1, (6.2)
  • części wewnętrzne z gradientem naprężeń i wytrzymałością na rozciąganie ze szczytowym ściskaniem przy nasadzie
    • β = η · b/t | EN 1999-1-1, (6.3)

Gdzie

b Szerokość części przekroju
t Grubość przekroju
η Współczynnik gradientu naprężeń(1)
ψ stosunek naprężeń na krawędziach rozpatrywanej płyty do maksymalnego naprężenia ściskającego(2)

(1) Współczynnik gradientu naprężeń jest określany za pomocą następujących wyrażeń:
η = 0,70 + 0,30 · ψ dla 1 ≥ ψ ≥ -1 | EN 1999-1-1, (6.4)
η = 0,80/(1 - ψ) dla ψ < -1 | EN 1999-1-1, (6.5)
(2) Zasadniczo oś obojętna powinna być osią sprężystą, przy czym dopuszcza się wykorzystanie osi plastycznej do sprawdzenia, czy przekrój należy do klasy 1 czy 2.

Parametry smukłości dla części płaskich usztywnionych przekrojów są podane w EN 1999-1-1, 6.1.4.3 (3).

Norma EN 1999-1-1, 6.1.4.3 (4) zawiera informacje na temat parametrów smukłości dla płasko zakrzywionych, nieusztywnionych, wewnętrznych części przekroju utwierdzonego po obu stronach. Norma EN 1999-1-1, 6.1.4.3 (5) dotyczy parametrów smukłości cienkościennych przekrojów rurowych.

Klasyfikacja części przekroju

Obliczone parametry smukłości β należy porównać z wartościami granicznymi β1 do β3, wyznaczonymi zgodnie z tabelą 6.2 (patrz niżej) EN 1999-1-1.

  • ε = √(250/fo )
  • fo w N/mm²

Klasyfikacja materiału wg Tabeli 3.2 Część wewnętrzna Pozostała część
β1 β2 β3 β1 β2 β3
Klasa A, bez spoin 11 16 22 3 4.5 6
Klasa A, ze spoinami 9 13 18 2,5 4 5
Klasa B, bez spoin 13 16,5 18 3,5 4.5 5
Klasa B, ze spoinami 10 13.5 15 3 3,5 4

Klasyfikacja rozróżnia belki zginane i pręty ściskane. W normie EN 1999-1-1, 6.1.4.4 (1) zdefiniowano następujące wartości graniczne:

Części przekroju w belkach zginanych

  • β ≤ β1 → klasa 1
  • β1 < β ≤ β2 → klasa 2
  • β2 < β ≤ β3 → klasa 3
  • β3 < β → klasa 4

Części przekroju w prętach ściskanych

  • β ≤ β2 → klasa 1 lub 2
  • β2 < β ≤ β3 → klasa 3
  • β3 < β → klasa 4

Każdej części przekroju, która jest całkowicie lub częściowo ściskana, należy przypisać klasę przekroju. Część przekroju o najbardziej niekorzystnej klasie przekroju określa klasę całego przekroju. Klasyfikacja przekrojów dla elementów konstrukcyjnych z siłami zginającymi i podłużnymi musi być przeprowadzana osobno dla każdej składowej obciążenia zgodnie z EN 1999-1-1, 6.3.3. Dla złożonego stanu naprężeń klasyfikacja nie jest wymagana.

Przykład

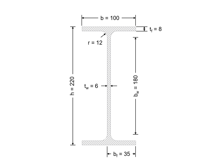
Klasyfikacja jest przeprowadzana dla dwuteownika pokazanego na rysunku 02 dla czystego zginania i czystej siły ściskającej.

Układ i obciążenie pokazano na rysunku 03.

Materiał i wymiary

  • EN-AW 6082 (EP, ET, ER/B) T4 | EN 1999-1-1, Tabela 3.2b
  • fo = 110 N/mm²
  • fu = 205 N/mm²
  • Klasa wyboczenia B
  • ε = √(250/fo) = √(250/110 ) = 1,508 | EN 1999-1-1, Tabela 6.2
  • bw = h - 2 ∙ (tf + r) = 220 - 2 ∙ (8 + 12) = 180 mm
  • bf = 0,5 ∙ (b - tw - 2 ∙ r) = 0,5 ∙ (100 - 6 - 2 ∙ 12) = 35 mm

Klasyfikacja przekroju - czyste zginanie

Środnik (wewnętrzny, bez spoin, klasa wyboczenia B)

  • βw = 0,4 ∙ bw/tw = 0,4 ∙ 180/6 = 12 | EN 1999-1-1, (6.2)
  • β1 = 13 ∙ ε = 13 ∙ 1,508 = 19,6 | EN 1999-1-1, Tabela 6.2
  • βw = 12 < β1 = 19,6

Środnik należy do klasy przekroju 1.

Pas (wspornikowy, bez spoin, klasa wyboczenia B)

  • βf = bf/tf = 35/8 = 4,38 | EN 1999-1-1, (6.1)
  • β1 = 3,5 ∙ ε = 3,5 ∙ 1,508 = 5,28 | EN 1999-1-1, Tabela 6.2
  • βf = 4,38 < β1 = 5,28

Środnik powinien być zaklasyfikowany do przekroju klasy 1.

Cały przekrój powinien być sklasyfikowany pod kątem czystego zginania w przekrojach klasy 1.

Klasyfikacja przekrojów - czysta siła ściskająca

Środnik (wewnętrzny, bez spoin, klasa wyboczenia B)

  • βw = bw/tw = 180/6 = 30 | EN 1999-1-1, (6.1)
  • β3 = 18 ∙ ε = 18 ∙ 1,508 = 27,14 | EN 1999-1-1, Tabela 6.2
  • βw = 30 > β3 = 27,14

Środnik ten należy do klasy 4.

Pas (wspornikowy, bez spoin, klasa wyboczenia B)

  • βf = bf/tf = 35/8 = 4,38 | EN 1999-1-1, (6.1)
  • β2 = 4,5 ∙ ε = 4,5 ∙ 1,508 = 6,79 | EN 1999-1-1, Tabela 6.2
  • βf = 4,38 < β2 = 6,79

Pas powinien być zaklasyfikowany do przekroju klasy 1 lub 2.

Cały przekrój powinien być sklasyfikowany pod kątem czystej siły ściskającej w przekroju klasy 4.

RF-/Aluminium

Moduł RF-/ALUMINIUM określa stosunek szerokości do grubości ściskanych części przekroju i dokonuje automatycznej klasyfikacji. Alternatywnie klasę przekroju można zdefiniować indywidualnie na liście „Klasyfikacja przekrojów” w oknie „1.3 Przekroje” (rys. 04). Przekroje, które nie są w pełni ujęte w normach, są sklasyfikowane w RF-/ALUMINIUM jako "Ogólne" i są przydzielone tylko do przekrojów klasy 3 lub 4.

Moduł RF-/ALUMINIUM uwzględnia tylko nieusztywnione przekroje zgodnie z EN 1999-1-1, Rysunek 6.1 (a) oraz cienkościenne przekroje rurowe zgodnie z EN 1999-1-1, 6.1.4.3 (5). Lekko zakrzywione, nieusztywnione części przekroju utwierdzone po obu stronach zgodnie z EN 1999-1-1, 6.1.4.3 (4) mogą być uwzględniane tylko w obliczeniach prowadzonych przy użyciu uproszczonej metody analitycznej. Wpływ usztywnień zgodnie z EN 1999-1-1, 6.1.4.3 (3) nie jest uwzględniony.

Klasyfikacja przekrojów dla elementów konstrukcyjnych z siłami zginającymi i podłużnymi jest przeprowadzana osobno dla każdej składowej obciążenia w RF-/ALUMINIUM zgodnie z EN 1999-1-1, 6.3.3. Klasyfikacji można dokonać również ze względu na złożony stan naprężeń. W tym celu należy odznaczyć pole wyboru "Sklasyfikować osobno składowe obciążenia zgodnie z 6.3.3 UWAGA 1 i UWAGA 2" w zakładce "Stan graniczny nośności" okna dialogowego "Szczegóły" (rys. 05).

Klasyfikacja przekrojów w RF-/ALUMINIUM jest wyświetlana szczegółowo dla każdej części przekroju obciążonej ściskaniem pośród wartości pośrednich. Klasyfikacja przekrojów dla czystego zginania i czystego ściskania jest pokazana na rysunkach 06 i 07.


Numerację części przekroju' można znaleźć w oknie dialogowym "Części c/t" (rysunek 08).


Autor

Sonja pracuje w dziale Product Engineering i dodatkowo wspiera dział Customer Support. Jej główny obszar zainteresowań to RSECTION oraz konstrukcje stalowe i aluminiowe, gdzie w sposób celowy wykorzystuje swoją wiedzę.

Odnośniki
Odniesienia


;