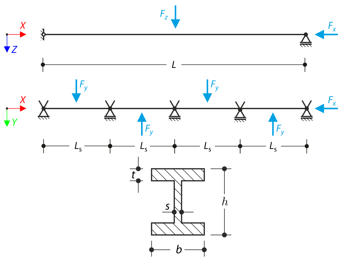
Zginanie przestrzenne z uwzględnieniem siły osiowej i deplanacji
Zginanie przestrzenne z uwzględnieniem siły osiowej i deplanacji
2024-07-09
048076
  • RFEM 6

Zginanie przestrzenne z uwzględnieniem siły osiowej i deplanacji

Wykorzystano w
  • VE0213 | Zginanie przestrzenne z uwzględnieniem siły osiowej i deplanacji
Udostępnij