Analiza właściwości modelu konstrukcji i połączeń między prętami w teście z Newslettera DIBt 04/2017
Analiza właściwości modelu konstrukcji i połączeń między prętami w teście z Newslettera DIBt 04/2017
2025-11-12
060083
  • RFEM 6

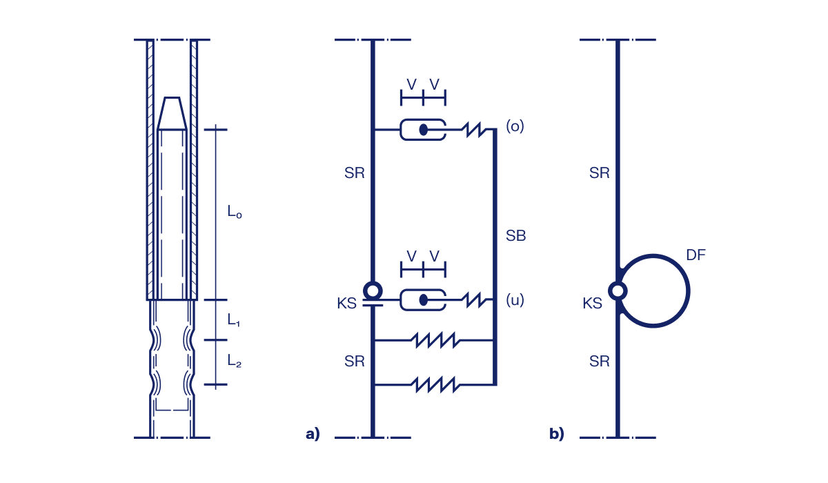
Model konstrukcyjny połączenia na zakład

Analiza właściwości modelu konstrukcji i połączeń między prętami w teście z Newslettera DIBt 04/2017

Wykorzystano w
  • Modelowanie i projektowanie połączenia słupów rusztowania za pomocą hybrydowego modelu obciążenia zgodnie z Biuletynem 4/2017 DIBt w programie RFEM 6 / RSTAB 9
Udostępnij