178x
002006
2026-03-04

Modelowanie i projektowanie połączenia słupów rusztowania za pomocą hybrydowego modelu obciążenia zgodnie z Biuletynem 4/2017 DIBt w programie RFEM 6 / RSTAB 9

W tym artykule specjalistycznym dowiesz się, jak w RFEM 6 / RSTAB 9 modelować i wymiarować połączenia pionowe rusztowań zgodnie z DIBt Newsletter 4/2017.

Do realizacji wielu przedsięwzięć budowlanych potrzebne są rusztowania, zarówno robocze, nośne, jak i ochronne. W celu zapewnienia stateczności, funkcjonalności i bezpieczeństwa normy, takie jak np. EN 12810 i 12811, stawiają specjalne wymagania dotyczące projektowania, wymiarowania i wykonania rusztowań.

Istotnym aspektem przy modelowaniu i wymiarowaniu takich rusztowań jest możliwie wierne odwzorowanie połączeń słupków. W tym zakresie newsletter DIBt 04/2017 [1] zawiera praktyczny przewodnik.

Poniżej przedstawiono zasady modelowania przegubów rusztowaniowych zgodnie z newsletterem DIBt. Następnie na podstawie przykładu zastosowania pokazano modelowanie i wymiarowanie połączenia słupków w RFEM 6 / RSTAB 9.

Model przegubu rusztowaniowego zgodnie z newsletterem DIBt 04/2017

Połączenia słupków rusztowaniowych wykazują wysoce nieliniowe zachowanie odkształceniowe przy złożonym zginaniu i sile normalnej. Do możliwie realistycznego odwzorowania tych nieliniowości w [1] podano kilka modeli nośnych. W dalszej części bliżej omówiono modele nośne dla połączeń słupków typu A. Połączenia słupków typu B należy zazwyczaj oceniać na podstawie wyników badań i nie są one przedmiotem niniejszego artykułu technicznego. Typy A i B rozróżniają dwa różne sposoby wykonania połączeń słupków. W typie A sworzeń połączeniowy jest wciskany w rurę słupka na zasadzie połączenia kształtowego. W typie B sworzeń połączeniowy jest formowany bezpośrednio z samej rury słupka.

Model nośny nakładającego się połączenia typu A

Model nośny nakładającego się połączenia uwzględnia luz w obrocie w połączeniu słupka, czyli luz między sworzniem połączeniowym a następującą rurą słupka. Przy działającym momencie zginającym najpierw musi zostać pokonany luz w obrocie, zanim moment zginający może być skutecznie przenoszony.

Maksymalny kąt wyboczenia wynikający z luzu w obrocie oblicza się według następującego wzoru.

Przy czym vo/u jest wielkością przesunięcia, którą z kolei można obliczyć według następującego wzoru.

gdzie:
Do/u...średnica zewnętrzna rury słupka na górnej lub dolnej krawędzi połączenia nakładającego
to/u...grubość ścianki rury słupka na górnej lub dolnej krawędzi połączenia nakładającego
do/u...średnica zewnętrzna sworznia połączeniowego na górnej lub dolnej krawędzi połączenia nakładającego

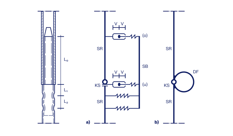
Poniższa ilustracja przedstawia połączenie nakładające jako model szczegółowy (a) oraz model uproszczony (b).

  • SR...rura słupka
  • KS...połączenie stykowe
  • SB...sworzeń połączeniowy
  • DF...sprężyna skrętna

W zależności od wielkości przesunięcia v oraz efektywnej długości zakładki L0 maksymalny kąt wyboczenia wynikający z luzu phiLose można obliczyć według powyższego równania. Przed osiągnięciem maksymalnego kąta wyboczenia wynikającego z luzu nie następuje przenoszenie momentu w połączeniu słupka. Po osiągnięciu maksymalnego kąta wyboczenia wynikającego z luzu przenoszenie momentu odbywa się ze sztywnością sprężyny skrętnej CSB,d aż do maksymalnego kąta obrotu phimax. W [1] podano sztywność sprężyny skrętnej CSB,d = 10000 kNcm/rad. W zależności od dopuszczenia technicznego mogą obowiązywać także inne wartości.

Maksymalna nośność zginająca sworznia połączeniowego w modelu nośnym nakładającego się połączenia jest oznaczona jako MSB,Rd, a maksymalna nośność siły normalnej jako NKS,Rd.

Model nośny połączenia stykowego typu A

Model nośny połączenia stykowego uwzględnia przenoszenie sił w powierzchni styku między górną i dolną rurą słupka. Należy przy tym uwzględnić interakcję między działającą siłą normalną a momentem zginającym.

Połączenie rur słupka można w obrębie tego modelu nośnego przyjąć jako sztywne.

Maksymalna nośność momentu zginającego MKS,Rd jest osiągana w modelu nośnym połączenia stykowego przy jednoczesnym działaniu określonej ściskającej siły normalnej. Jeżeli działająca ściskająca siła normalna jest zbyt mała, w wyniku zginania wcześniej pojawia się szczelina rozwarcia, która wraz ze wzrostem prowadzi do utraty równowagi modelu nośnego połączenia stykowego. Zbyt duża ściskająca siła normalna prowadzi natomiast do przedwczesnego przekroczenia naprężeń w połączeniu stykowym wskutek złożonego zginania i siły normalnej.

Po przekroczeniu maksymalnej nośności siły normalnej NKS,Rd lub maksymalnej nośności momentu zginającego MKS,Rd ważność modelu nośnego połączenia stykowego ustaje. Wyjątek stanowi przypadek, gdy działająca siła normalna jest mniejsza niż 50% maksymalnej odporności na siłę normalną. W takim przypadku po osiągnięciu maksymalnej nośności momentu zginającego dopuszczalny jest dodatkowy względny obrót rur słupka o phigrenz = 0,01 rad.

Model nośny hybrydowy typu A

W celu ekonomicznego i realistycznego modelowania połączeń słupków można połączyć właściwości obu przedstawionych modeli nośnych w modelu hybrydowym. W modelu hybrydowym najpierw następuje przenoszenie siły przy sztywnym połączeniu zgodnie z modelem nośnym połączenia stykowego. Po osiągnięciu M,KS,Rd następuje przejście do modelu nośnego nakładającego się połączenia. Dodatkowy moment zginający o wartości MSB,Rd może zostać przejęty, w wyniku czego następuje względny obrót rur słupka.

Interakcję M-N-phi modelu nośnego hybrydowego można przedstawić za pomocą następującego wykresu.

Modelowanie w RFEM 6 / RSTAB 9

Wcześniej opisane właściwości modeli nośnych połączeń słupków typu A można w RFEM 6 lub RSTAB 9 odwzorować możliwie realistycznie za pomocą specjalnego typu nieliniowości "Gerüst N" dla przegubów końcowych prętów. Przegub rusztowaniowy wpływa na warunki przegubu ux, phiy i phiz. Po wybraniu przegubu rusztowaniowego pojawiają się dwie dodatkowe karty. W zakładce "Gerüstdiagramm | Innenrohr" definiuje się właściwości modeli nośnych połączenia nakładającego. W zakładce "Gerüstdiagramm | Außenrohr" definiuje się właściwości modeli nośnych połączenia stykowego.

Przykład zastosowania

Poniżej na przykładzie przeprowadzono modelowanie i wymiarowanie połączenia słupków zgodnie z dopuszczeniem budowlanym Z-8.22-921 DIBt [2].

Znane są następujące parametry:

Geometria:
Parameter Symbol Wartość
Średnica rury zewnętrznej D 48,3 mm
Grubość ścianki rury zewnętrznej t 3,2 mm
Średnica rury wewnętrznej d 38 mm
Grubość ścianki rury wewnętrznej ti 4 mm
Statycznie efektywna długość zakładki L0 200 mm
Rozmiar śruby -- M12

Charakterystyki materiałowe:
Parameter Symbol Wartość
Granica plastyczności materiału słupka fy,d 0,32 kN/mm2
Klasa śruby -- 10.9

Siły wewnętrzne:
Parameter Symbol Wartość
Ściskająca siła normalna NEd (-) -80 kN
Rozciągająca siła normalna NEd (+) 20 kN
Moment zginający MEd 70 kNcm

Odporności:
Parameter Symbol Wartość
Sztywność sprężyny skrętnej CSB,d 9290 kNcm/rad
Nośność na siłę ściskającą NKS,Rd 83,2 kN
Nośność na siłę rozciągającą ZRd 42,5 kN
Nośność zginająca sworznia połączeniowego MSB,Rd 85,3 kNcm

Modelowanie przegubu rusztowaniowego

Do definicji "Gerüstdiagramm | Innenrohr" w RFEM 6 / RSTAB 9 potrzebne są następujące wartości:

  • Maksymalny kąt wyboczenia wynikający z luzu w obrocie phiLose

z

  • Nośność zginająca w sworzniu połączeniowym MSB,Rd
  • Maksymalny kąt wyboczenia w połączeniu słupka phimax

Na podstawie tych informacji można zdefiniować "Gerüstdiagramm | Innenrohr" jak pokazano na poniższym rysunku.

Do definicji "Gerüstdiagramm | Außenrohr" w RFEM 6 należy określić nośność zginającą w połączeniu stykowym w zależności od działającej siły normalnej. W tym celu należy najpierw wyznaczyć maksymalny moment możliwy do przeniesienia przez KS MKS,max według następującego równania:

Nośność zginająca MKS,Rd w zależności od działającej siły normalnej oblicza się następnie następująco (tu przykładowo z podstawionymi wartościami dla działającej siły normalnej 80 kN i nośności na siłę ściskającą zgodnie z dopuszczeniem 83,2 kN):

Z funkcji MKS,Rd(NKS,Ed) można następnie sporządzić "Gerüstdiagramm | Außenrohr" zgodnie z poniższym rysunkiem.

W ten sposób dane wejściowe są kompletne i zachowanie obciążenie-odkształcenie przegubu rusztowaniowego w RFEM 6 zostało odwzorowane możliwie realistycznie.

Wymiarowanie połączenia słupków

Następnie należy sprawdzić nośność połączenia słupków przy zadanych działających siłach wewnętrznych NEd (-) = -80 kN, NEd (+) = 20 kN i MEd = 70 kNcm. W tym celu zgodnie z newsletterem DIBt należy wykazać nośność na moment i siłę normalną według następujących równań:

Nośność zginająca MKS,Rd = 6,51 kNcm może zostać bezpośrednio odczytana z "Gerüstdiagramm | Außenrohr" (zob. rysunek powyżej).

Ponadto zgodnie z dopuszczeniem [2] należy wykazać nośność przy obciążeniu rozciągającym według następującego równania:

Podsumowanie

Omówiono modele nośne dla połączeń słupków rusztowań zgodnie z [1]. Na przykładzie zastosowania wyjaśniono wprowadzanie przegubów rusztowaniowych w RFEM 6 lub RSTAB 9. Uwzględnienie nieliniowego zachowania obciążenie-odkształcenie przegubu rusztowaniowego pozwala zapewnić możliwie realistyczne obliczenie sił wewnętrznych. Następnie wykazano nośność połączenia słupków zgodnie z dopuszczeniem budowlanym.


Autor

Pan Wanke zapewnia wsparcie techniczne dla klientów Dlubal Software.

Odniesienia


;