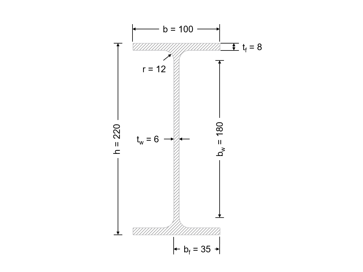
Abmessungen des Querschnitts in mm
Tipos básicos de partes da secção
Sistema estrutural e carregamento
  • Visualizador 3D
  • Visualizador 3D | Babylon
  • Realidade virtual
Janela 1.3 Secções
Caixa de diálogo Detalhes, separador Estado limite último
Classificação da secção - Flexão pura
Classificação de secções - compressão pura
Caixa de diálogo c/t-Parts
Abmessungen des Querschnitts in mm
Tipos básicos de partes da secção
Sistema estrutural e carregamento
Janela 1.3 Secções
Caixa de diálogo Detalhes, separador Estado limite último
Classificação da secção - Flexão pura
Classificação de secções - compressão pura
Caixa de diálogo c/t-Parts
2024-05-30
014718
  • RFEM 5
  • RF-ALUMINIUM 5
  • RSTAB 8
    • ALUMINIUM 8
    • Cálculos estruturais e dimensionamento
    • Eurocode 9

Dimensões da secção em mm

Abmessungen des Querschnitts in mm

Utilizado em
  • Classificação de secções transversais segundo a EN 1999-1-1
Partilhar
2024-05-30
014717
  • RFEM 5
  • RF-ALUMINIUM 5
  • RSTAB 8
    • ALUMINIUM 8
    • Cálculos estruturais e dimensionamento
    • Eurocode 9
Tipos básicos de partes da secção
Utilizado em
  • Classificação de secções transversais segundo a EN 1999-1-1
Partilhar
2024-05-30
014719
  • RFEM 5
  • RF-ALUMINIUM 5
  • RSTAB 8
    • ALUMINIUM 8
    • Cálculos estruturais e dimensionamento
    • Eurocode 9
Sistema estrutural e carregamento
Utilizado em
  • Classificação de secções transversais segundo a EN 1999-1-1
Modelo 3D
Mais sobre modelo 3D
  • Cantilever I-Section EN-AW 6082 (EP, ET, ER/B) T4
Especificações
Número de nós 2
Número de linhas 1
Número de barras 1
Número de superfícies 0
Número de sólidos 0
Número de casos de carga 2
Número de combinações de cargas 1
Número de combinações de resultados 0
Peso total 0,016 t
Dimensões (métricas) 2,000 x 0,000 x 0,000 m
Dimensões (imperial) 6.56 x 0 x 0 feet
Partilhar
2024-05-30
014720
  • RFEM 5
  • RF-ALUMINIUM 5
  • RSTAB 8
    • ALUMINIUM 8
    • Cálculos estruturais e dimensionamento
    • Eurocode 9
Janela 1.3 Secções
Utilizado em
  • Classificação de secções transversais segundo a EN 1999-1-1
Partilhar
2024-05-30
014721
  • RFEM 5
  • RF-ALUMINIUM 5
  • RSTAB 8
    • ALUMINIUM 8
    • Cálculos estruturais e dimensionamento
    • Eurocode 9
Caixa de diálogo Detalhes, separador Estado limite último
Utilizado em
  • Classificação de secções transversais segundo a EN 1999-1-1
Partilhar
2024-05-30
014722
  • RFEM 5
  • RF-ALUMINIUM 5
  • RSTAB 8
    • ALUMINIUM 8
    • Cálculos estruturais e dimensionamento
    • Eurocode 9
Classificação da secção - Flexão pura
Utilizado em
  • Classificação de secções transversais segundo a EN 1999-1-1
Partilhar
2024-05-30
014723
  • RFEM 5
  • RF-ALUMINIUM 5
  • RSTAB 8
    • ALUMINIUM 8
    • Cálculos estruturais e dimensionamento
    • Eurocode 9
Classificação de secções - compressão pura
Utilizado em
  • Classificação de secções transversais segundo a EN 1999-1-1
Partilhar
2024-05-30
014724
  • RFEM 5
  • RF-ALUMINIUM 5
  • RSTAB 8
    • ALUMINIUM 8
    • Cálculos estruturais e dimensionamento
    • Eurocode 9
Caixa de diálogo c/t-Parts
Utilizado em
  • Classificação de secções transversais segundo a EN 1999-1-1
Partilhar