26224x
001673
2021-01-19

Classificação de secções transversais segundo a EN 1999-1-1

A classificação de secções deve determinar os limites da resistência e da capacidade de rotação através da encurvadura local de partes da secção. Na EN 1999-1-1, 6.1.4.2 (1), estão definidas quatro classes.
  • As secções de classe 1 são as que podem formar uma articulação plástica com a capacidade de rotação necessária para a análise plástica sem redução da resistência.
  • As secções de Classe 2 são as que podem desenvolver resistência à flexão plástica, mas tem a capacidade de rotação limitada devido à encurvadura local.
  • As secções de Classe 3 são aquelas nas quais a tensão calculada na fibra de compressão extrema da barra em alumínio pode atingir o seu limite de elasticidade, mas a encurvadura local é susceptível de prevenir o desenvolvimento do momento resistente plástico completo.
  • As secções de classe 4 são aquelas nas quais a encurvadura local irá ocorrer antes de ser atingida a tensão de cedência numa ou mais partes da secção.

Tipos básicos de partes da secção

A classificação de uma secção' depende da relação largura/espessura b/t das suas partes sujeitas a compressão. De acordo com a norma EN 1999-1-1 {%>

  • partes planas salientes
  • partes internas planas
  • partes internas curvadas

Estas partes podem ser não reforçadas ou reforçadas por nervuras de reforço longitudinais, rebordos ou bolbo (Figura 1).

parâmetros de esbelteza

A suscetibilidade de uma parte plana sem armadura à encurvadura local é definida pelo parâmetro β. De acordo com EN 1999-1-1, 6.1.4.3 (1), tem os seguintes valores.

  • partes internas planas sem gradiente de tensão ou saliências planas sem gradiente de tensão ou compressão de pico na ponta
    • β = b/t | EN 1999-1-1, (6.1)
  • partes internas com um gradiente de tensão que resulta num eixo neutro no centro
    • β = 0,40 · b/t | EN 1999-1-1, (6.2)
  • partes interiores com gradiente de tensão e saliências com compressão de pico na raiz
    • β = η · b/t | EN 1999-1-1, (6.3)

Onde

B Largura da parte da secção
t Espessura da secção
η Coeficiente para gradiente de tensão(1)
ψ relação das tensões nas bordas da placa em consideração com a tensão de compressão máxima(2)

(1) O coeficiente para o gradiente de tensão é determinado através das seguintes expressões:
η = 0,70 + 0,30 · ψ para 1 ≥ ψ ≥ -1 | EN 1999-1-1, (6.4)
η = 0,80/(1 - ψ) para ψ < -1 | EN 1999-1-1, (6.5)
(2) Em geral, o eixo neutro deve ser o eixo neutro elástico, mas o eixo neutro plástico pode ser utilizado para verificar se uma secção é de classe 1 ou 2.

Os parâmetros de esbelteza para partes de secção plana reforçada são dados na EN 1999-1-1, 6.1.4.3 (3).

A norma EN 1999-1-1, 6.1.4.3 (4) contém informações sobre os parâmetros de esbelteza para partes de secção internas curvadas planas, não reforçadas e restringidas em ambos os lados. A norma EN 1999-1-1, 6.1.4.3 (5) trata dos parâmetros de esbelteza de secções tubulares de parede fina.

Classificação das partes da secção transversal

Os parâmetros de esbelteza calculados β devem ser comparados com os valores limite β1 a β3, que são determinados de acordo com EN 1999-1-1, Tabela 6.2 (ver abaixo).

  • ε = √(250/fo )
  • fo em N/mm²

Classificação de materiais de acordo com a Tabela 3.2 Parte interna Parte de destaque
β1 β2/ ε β3 β1 β2/ ε β3
Classe A, sem soldaduras 11 16 22 3 4.5 6
Classe A, com soldaduras 9 13 18 2,5 4 5
Classe B, sem soldaduras 13 16,5 18 3,5 4.5 5
Classe B, com soldaduras 10 13.5 15 3 3,5 4

A classificação distingue entre vigas fletidas e barras comprimidas. Os seguintes limites estão definidos em EN 1999-1-1, 6.1.4.4 (1).

Partes da secção em vigas fletidas

  • β ≤ β1 → classe 1
  • β1 < β ≤ β2 → classe 2
  • β2 < β ≤ β3 → classe 3
  • β3 < β → classe 4

Partes da secção em barras comprimidas

  • β ≤ β2 → classe 1 ou 2
  • β2 < β ≤ β3 → classe 3
  • β3 < β → classe 4

Cada parte da secção total ou parcialmente sujeita a compressão tem de ser atribuída a uma classe de secção. A parte da secção com a classe de secção mais desfavorável determina a classe de toda a secção. A classificação das secções para componentes estruturais com forças de flexão e longitudinais tem de ser realizada separadamente para cada componente de carga de acordo com a EN 1999-1-1, 6.3.3. Não é necessária classificação para o estado de tensão combinado.

Exemplo

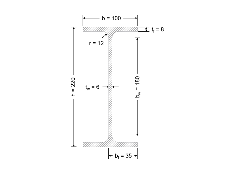
A classificação é realizada para a secção em I apresentada na Figura 02 para flexão pura e força de compressão pura.

O sistema e o carregamento são apresentados na Figura 03.

Material e dimensões

  • EN-AW 6082 (EP, ET, ER/B) T4 | EN 1999-1-1, Tabela 3.2b
  • fo = 110 N/mm²
  • fu = 205 N/mm²
  • Classe de encurvadura B
  • ε = √(250/fo ) = √(250/110) = 1,508 | EN 1999-1-1, Tabela 6.2
  • bw = h - 2 ∙ (tf + r) = 220 - 2 ∙ (8 + 12) = 180 mm
  • bf = 0,5 ∙ (b - tw - 2 ∙ r) = 0,5 ∙ (100 - 6 - 2 ∙ 12) = 35 mm

Classificação de secções - flexão pura

Alma (interno, sem soldaduras, classe de encurvadura B)

  • βw = 0,4 ∙ bw/tw = 0,4 ∙ 180/6 = 12 | EN 1999-1-1, (6.2)
  • β1 = 13 ∙ ε = 13 ∙ 1,508 = 19,6 | EN 1999-1-1, Tabela 6.2
  • βw = 12 < β1 = 19,6

A alma é classificada com secção de classe 1.

Banzo (em consola, sem soldaduras, classe de encurvadura B)

  • βf = bf/tf = 35/8 = 4,38 | EN 1999-1-1, (6.1)
  • β1 = 3,5 ∙ ε = 3,5 ∙ 1,508 = 5,28 | EN 1999-1-1, Tabela 6.2
  • βf = 4,38 < β1 = 5,28

A alma deve ser classificada na classe de secção 1.

Toda a secção deve ser classificada para flexão pura na classe de secção 1.

Classificação da secção - força de compressão pura

Alma (interno, sem soldaduras, classe de encurvadura B)

  • βw = bw/tw = 180/6 = 30 | EN 1999-1-1, (6.1)
  • β3 = 18 ∙ ε = 18 ∙ 1,508 = 27,14 | EN 1999-1-1, Tabela 6.2
  • βw = 30 > β3 = 27,14

A alma é classificada com secção de classe 4.

Banzo (em consola, sem soldaduras, classe de encurvadura B)

  • βf = bf/tf = 35/8 = 4,38 | EN 1999-1-1, (6.1)
  • β2 = 4,5 ∙ ε = 4,5 ∙ 1,508 = 6,79 | EN 1999-1-1, Tabela 6.2
  • βf = 4,38 < β2 = 6,79

O banzo deve ser classificado como classe de secção 1 ou 2.

Toda a secção deve ser classificada para força de compressão pura na classe de secção 4.

RF-/Aluminum

O RF-/ALUMINIUM determina as relações largura/espessura das partes de secções submetidas à compressão e e realiza a classificação automaticamente. Em alternativa, a classe da secção pode ser definida individualmente na lista "Classificação das secções" da janela "1.3 Secções" (Figura 04). As secções que não são completamente abrangidas pelas especificações da norma são classificadas como "Geral" no RF-/ALUMINUM e são classificadas apenas nas classes de secção 3 ou 4.

O RF-/ALUMINIUM considera apenas secções não reforçadas de acordo com EN 1999-1-1, Figura 6.1 (a), bem como secções tubulares de parede fina de acordo com EN 1999-1-1, 6.1.4.3 (5). Partes da secção interna ligeiramente curvadas, não reforçadas e com restrição em ambos os lados de acordo com a EN 1999-1-1, 6.1.4.3 (4) só podem ser consideradas para o cálculo realizado com o método analítico simplificado. A influência dos reforços de acordo com a norma EN 1999-1-1, 6.1.4.3 (3) não é tida em consideração.

A classificação das secções para componentes estruturais com forças de flexão e longitudinais é realizada separadamente para cada componente de carga no RF-/ALUMINIUM de acordo com a norma EN 1999-1-1, 6.3.3. No entanto, também é possível realizar uma classificação para o estado de tensão combinado. Para isso, desative a caixa de seleção "Classificar separadamente os componentes de carregamento de acordo com 6.3.3 NOTA 1 e NOTA 2" no separador "Estado limite último" da caixa de diálogo "Detalhes" (Figura 05).

A classificação das secções no RF-/ALUMINUM é apresentada em detalhe para cada parte da secção comprimida entre os valores intermédios. A classificação da secção deste exemplo para flexão e compressão puras é apresentada nas imagens 06 e 07.


A numeração das partes da secção' pode ser encontrada na caixa de diálogo "Partes c/t" (Figura 08).


Autor

Sonja trabalha em Product Engineering e também dá suporte no Customer Support. O seu foco está em RSECTION, bem como na construção em aço e alumínio, onde ela aplica os seus conhecimentos de forma direcionada.

Ligações
Referências


;