Análise das propriedades do modelo estrutural e da ligação de sobreposição representadas no boletim informativo DIBt 04/2017
Análise das propriedades do modelo estrutural e da ligação de sobreposição representadas no boletim informativo DIBt 04/2017
2025-11-12
060083
  • RFEM 6

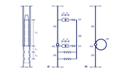
Modelo estrutural de sobreposição de armadura (de acordo com a newsletter DIBt 04/2017)

Análise das propriedades do modelo estrutural e da ligação de sobreposição representadas no boletim informativo DIBt 04/2017

Utilizado em
  • Modelação e dimensionamento de juntas de andaime com o modelo estrutural híbrido segundo DIBt Newsletter 4/2017 no RFEM 6 / RSTAB 9
Partilhar