178x
002006
2026-03-04

Modelação e dimensionamento de juntas de andaime com o modelo estrutural híbrido segundo DIBt Newsletter 4/2017 no RFEM 6 / RSTAB 9

Neste artigo técnico, você aprenderá como modelar e dimensionar emendas de colunas de andaimes no RFEM 6 / RSTAB 9, de acordo com o boletim informativo DIBt 4/2017.

Para a realização de muitos empreendimentos de construção, são necessários andaimes, sejam eles andaimes de trabalho, de suporte ou de proteção. Para garantir a estabilidade, a funcionalidade e a segurança, normas como a EN 12810 e 12811 estabelecem requisitos específicos para o projeto, o dimensionamento e a execução de andaimes.

Um aspeto essencial na modelação e no dimensionamento desses andaimes é a representação realista das juntas dos montantes. Para isso, o DIBt Newsletter 04/2017 [1] fornece um guia prático.

A seguir, são apresentados os princípios de modelação para articulações de andaime de acordo com o DIBt Newsletter. Em seguida, com base num exemplo de aplicação, é mostrada a modelação e o dimensionamento de uma junta de montante no RFEM 6 / RSTAB 9.

Modelo de articulação de andaime conforme DIBt Newsletter 04/2017

As juntas dos montantes de andaime apresentam um comportamento de deformação altamente não linear sob flexão combinada e força normal. Para a representação realista destas não linearidades, em [1] são definidos vários modelos resistentes. A seguir, os modelos resistentes para juntas de montante do Tipo A são analisados com mais detalhe. As juntas de montante do Tipo B devem, em geral, ser avaliadas com base em resultados de ensaio e não são abordadas neste artigo técnico. Os tipos A e B distinguem dois diferentes processos de fabrico das juntas de montante. No Tipo A, o pino de junta é prensado de forma por encaixe no tubo do montante. No Tipo B, o pino de junta é formado diretamente a partir do próprio tubo do montante.

Modelo resistente de junta sobreposta Tipo A

O modelo resistente de junta sobreposta considera a folga de rotação na junta do montante, ou seja, o jogo entre o pino de junta e o tubo do montante subsequente. Quando atua um momento fletor, a folga de rotação deve ser primeiro ultrapassada antes que um momento fletor possa ser efetivamente transmitido.

O ângulo máximo de encurvadura devido à folga de rotação é calculado pela seguinte fórmula.

Aqui, vo/u é a medida do desvio, que por sua vez pode ser calculada pela seguinte fórmula.

com:
Do/u...diâmetro exterior do tubo do montante na extremidade superior ou inferior da junta sobreposta
to/u...espessura da parede do tubo do montante na extremidade superior ou inferior da junta sobreposta
do/u...diâmetro exterior do pino de junta na extremidade superior ou inferior da junta sobreposta

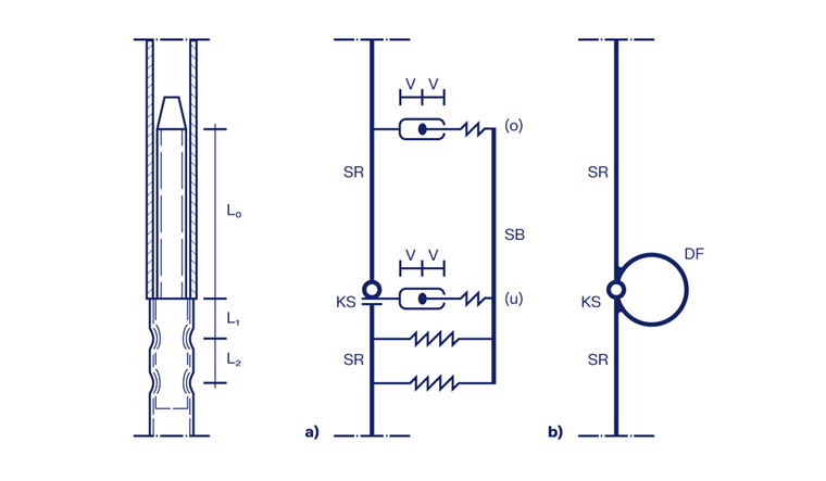
A figura seguinte mostra a junta sobreposta como modelo detalhado (a) e modelo simplificado (b).

  • SR...tubo do montante
  • KS...junta de contacto
  • SB...pino de junta
  • DF...mola de torção

Em função da medida de desvio v e do comprimento efetivo de sobreposição L0, o ângulo máximo de encurvadura devido à folga phiFolga pode ser calculado pela equação acima. Antes de ser atingido o ângulo máximo de encurvadura devido à folga, não ocorre transmissão de momento na junta do montante. Após ser atingido o ângulo máximo de encurvadura devido à folga, a transmissão de momento ocorre com a rigidez da mola de torção CSB,d até um ângulo máximo de rotação de phimax. Em [1] é especificada uma rigidez da mola de torção de CSB,d = 10000 kNcm/rad. Dependendo da homologação técnica do produto, outros valores também podem ser determinantes.

A capacidade resistente máxima à flexão do pino de junta é identificada no modelo resistente de junta sobreposta por MSB,Rd e a capacidade resistente máxima à força normal por NKS,Rd.

Modelo resistente de junta de contacto Tipo A

O modelo resistente de junta de contacto considera a transmissão de esforços na superfície de contacto entre o tubo superior e o tubo inferior do montante. Nesse caso, deve-se considerar a interação entre a força normal atuante e o momento fletor.

A ligação dos tubos do montante pode ser assumida como rígida neste modelo resistente.

A capacidade resistente máxima ao momento fletor MKS,Rd é atingida no modelo resistente de junta de contacto sob atuação simultânea de uma determinada força normal de compressão. Se a força normal de compressão atuante for demasiado pequena, forma-se mais cedo uma abertura de junta devido à flexão, que, com o aumento da sua dimensão, leva à perda de equilíbrio do modelo resistente de junta de contacto. Uma força normal de compressão demasiado elevada, por outro lado, leva a uma ultrapassagem prematura das tensões na junta de contacto devido à flexão combinada com força normal.

Se a capacidade resistente máxima à força normal NKS,Rd ou a capacidade resistente máxima ao momento fletor MKS,Rd for ultrapassada, a validade do modelo resistente de junta de contacto termina. Existe uma exceção quando a força normal atuante é inferior a 50% da resistência máxima à força normal. Neste caso, após ser atingida a capacidade resistente máxima ao momento fletor, é permitida uma rotação relativa adicional dos tubos do montante de phigrenz = 0,01 rad.

Modelo resistente híbrido Tipo A

Para uma modelação económica e realista de juntas de montante, as propriedades dos dois modelos resistentes apresentados podem ser combinadas num modelo resistente híbrido. No modelo resistente híbrido, ocorre inicialmente uma transmissão de esforços com ligação rígida conforme o modelo resistente de junta de contacto. Ao atingir M,KS,Rd, ocorre uma transição para o modelo resistente de junta sobreposta. Um momento fletor adicional de magnitude MSB,Rd pode ser absorvido, em resultado do qual ocorre uma rotação relativa dos tubos do montante.

A interação M-N-phi do modelo resistente híbrido pode ser representada pelo seguinte diagrama.

Modelação no RFEM 6 / RSTAB 9

As propriedades dos modelos resistentes dos tipos A de juntas de montante descritas anteriormente podem ser representadas de forma realista no RFEM 6 ou RSTAB 9 por meio de um tipo especial de não linearidade "Andaime N" para rótulas de extremidade de barras. A articulação de andaime influencia as condições de rótula ux, phiy e phiz. Ao selecionar a articulação de andaime, aparecem dois separadores adicionais. No separador "Diagrama de andaime | Tubo interior", definem-se as propriedades do modelo resistente da junta sobreposta. No separador "Diagrama de andaime | Tubo exterior", definem-se as propriedades do modelo resistente da junta de contacto.

Exemplo de aplicação

A seguir, é apresentada, a título de exemplo, a modelação e o dimensionamento de uma junta de montante de acordo com a homologação técnica Z-8.22-921 do DIBt [2].

São conhecidos os seguintes parâmetros:

Geometria:
Parâmetro Símbolo Valor
Diâmetro do tubo exterior D 48,3 mm
Espessura da parede do tubo exterior t 3,2 mm
Diâmetro do tubo interior d 38 mm
Espessura da parede do tubo interior ti 4 mm
Comprimento de sobreposição estática efetiva L0 200 mm
Dimensão do parafuso -- M12

Propriedades do material:
Parâmetro Símbolo Valor
Limite de elasticidade do material do montante fy,d 0,32 kN/mm2
Classe de resistência do parafuso -- 10.9

Esforços internos:
Parâmetro Símbolo Valor
Força normal de compressão NEd (-) -80 kN
Força normal de tração NEd (+) 20 kN
Momento fletor MEd 70 kNcm

Resistências:
Parâmetro Símbolo Valor
Rigidez da mola de torção CSB,d 9290 kNcm/rad
Capacidade resistente à compressão NKS,Rd 83,2 kN
Capacidade resistente à tração ZRd 42,5 kN
Capacidade resistente à flexão do pino de junta MSB,Rd 85,3 kNcm

Modelação da articulação de andaime

Para a definição do "Diagrama de andaime | Tubo interior" no RFEM 6 / RSTAB 9, são necessários os seguintes valores:

  • O ângulo máximo de encurvadura devido à folga phiFolga

com

  • A capacidade resistente à flexão no pino de junta MSB,Rd
  • O ângulo máximo de encurvadura na junta do montante phimax

Com estas informações, o "Diagrama de andaime | Tubo interior" pode ser definido como mostrado na figura seguinte.

Para a definição do "Diagrama de andaime | Tubo exterior" no RFEM 6, a capacidade resistente à flexão na junta de contacto em função da força normal atuante deve ser determinada. Para isso, é necessário primeiro determinar o momento máximo transmissível via KS MKS,max pela seguinte equação:

A capacidade resistente à flexão MKS,Rd em função da força normal atuante calcula-se então da seguinte forma (aqui, a título de exemplo, com valores introduzidos para uma força normal atuante de 80 kN e uma capacidade resistente à compressão conforme homologação de 83,2 kN):

A partir da função MKS,Rd(NKS,Ed) pode então ser criado o "Diagrama de andaime | Tubo exterior" de acordo com a figura seguinte.

Com isso, a introdução está concluída e o comportamento força-deformação da articulação de andaime é representado de forma realista no RFEM 6.

Dimensionamento da junta de montante

Em seguida, deve ser verificada a capacidade resistente da junta de montante sob as ações de esforços internos dados NEd (-) = -80 kN, NEd (+) = 20 kN e MEd = 70 kNcm. Para isso, de acordo com o DIBt Newsletter, devem ser comprovadas a capacidade resistente ao momento e à força normal conforme as seguintes equações:

A capacidade resistente à flexão MKS,Rd = 6,51 kNcm pode ser lida diretamente do "Diagrama de andaime | Tubo exterior" (ver figura acima).

Além disso, de acordo com a homologação [2], deve ser comprovada a capacidade resistente sob tração conforme a seguinte equação:

Conclusão

Foram analisados os modelos resistentes para juntas de montante de andaimes conforme [1]. A introdução de articulações de andaime no RFEM 6 ou RSTAB 9 foi explicada com base num exemplo de aplicação. Ao considerar o comportamento não linear força-deformação da articulação de andaime, pode ser garantido um cálculo realista dos esforços internos. Em seguida, foi comprovada a capacidade resistente da junta de montante de acordo com a homologação técnica de produto.


Autor

O Eng.º Wante presta apoio técnico a clientes da Dlubal Software.

Referências


;