Окно 3.1 Расчет - сводка, включающая детали сопротивления сечения колонны
Окно 3.1 Расчет - сводка, включая детали расчета колонны в ковше
Window 1.5 Column in RF-/JOINTS
Window 3.1 Design - Summary Including Details of Required Bucket Depth
Distribution of Forces and Moments in Column Base According to [1]
Окно 3.1 Расчет - сводка, включающая детали сопротивления сечения колонны
Окно 3.1 Расчет - сводка, включая детали расчета колонны в ковше
Окно 3.1 Расчет - сводка, включающая детали сопротивления сечения колонны
Окно 3.1 Расчет - сводка, включая детали расчета колонны в ковше
Window 1.5 Column in RF-/JOINTS
Window 3.1 Design - Summary Including Details of Required Bucket Depth
Distribution of Forces and Moments in Column Base According to [1]
Окно 3.1 Расчет - сводка, включающая детали сопротивления сечения колонны
Окно 3.1 Расчет - сводка, включая детали расчета колонны в ковше
2024-05-30
009634
  • RFEM 5
  • RSTAB 8
  • RF-JOINTS Steel | Column Base 5
    • База колонны 8
    • Стальные конструкции
    • Eurocode 3

Окно 3.1 Расчет - сводка, включающая детали сопротивления сечения колонны

Используется в
  • Жесткие колонны в RF-/JOINTS Steel - Column Base
Поделиться
2024-05-30
009635
  • RFEM 5
  • RSTAB 8
  • RF-JOINTS Steel | Column Base 5
    • База колонны 8
    • Стальные конструкции
    • Eurocode 3
Окно 3.1 Расчет - сводка, включая детали расчета колонны в ковше
Используется в
  • Жесткие колонны в RF-/JOINTS Steel - Column Base
Поделиться
2024-05-30
009636
  • RFEM 5
  • RSTAB 8
  • RF-JOINTS Steel | Column Base 5
    • База колонны 8
    • Стальные конструкции
    • Eurocode 3
Window 1.5 Column in RF-/JOINTS
Используется в
  • Жесткие колонны в RF-/JOINTS Steel - Column Base
Поделиться
2024-05-30
009637
  • RFEM 5
  • RSTAB 8
  • RF-JOINTS Steel | Column Base 5
    • База колонны 8
    • Стальные конструкции
    • Eurocode 3
Window 3.1 Design - Summary Including Details of Required Bucket Depth
Используется в
  • Жесткие колонны в RF-/JOINTS Steel - Column Base
Поделиться
2024-05-30
009638
  • RFEM 5
  • RSTAB 8
  • RF-JOINTS Steel | Column Base 5
    • База колонны 8
    • Стальные конструкции
    • Eurocode 3
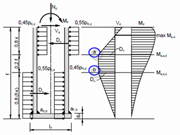
Distribution of Forces and Moments in Column Base According to [1]
Используется в
  • Жесткие колонны в RF-/JOINTS Steel - Column Base
Поделиться
2024-05-30
009639
  • RFEM 5
  • RSTAB 8
  • RF-JOINTS Steel | Column Base 5
    • База колонны 8
    • Стальные конструкции
    • Eurocode 3
Рисунок 06 - Окно 3.1 Расчет – Резюме с подробными данными о прочности секции колонны
Окно 3.1 Расчет - сводка, включающая детали сопротивления сечения колонны

Используется в
  • Жесткие колонны в RF-/JOINTS Steel - Column Base
Поделиться
2024-05-30
009640
  • RFEM 5
  • RSTAB 8
  • RF-JOINTS Steel | Column Base 5
    • База колонны 8
    • Стальные конструкции
    • Eurocode 3
Рисунок 07 - Окно 3.1 Расчет – Резюме с подробными данными о расчете колонны в подколоннике
Окно 3.1 Расчет - сводка, включая детали расчета колонны в ковше

Используется в
  • Жесткие колонны в RF-/JOINTS Steel - Column Base
Поделиться