11943x
001430
2017-04-12

Жесткие колонны в RF-/JOINTS Steel - Column Base

При расчете конструкций не только определяются и рассчитываются внутренние силы и деформации. Расчет также гарантирует, что силы и моменты в конструкции будут обеспечивать надежную работу и передаваться на фундаменты. Dlubal Software предоставляет широкий спектр продуктов для расчета конструкций и проектирования стальных и деревянных соединений. So besteht in RF-/JOINTS Stahl - Stützenfuß die Möglichkeit, Fußpunkte von gelenkigen oder eingespannten Stahlstützen zu untersuchen. Die Stützenfußplatten können dabei mit oder ohne Steifen ausgeführt werden.

В данной статье представлен пример расчета сечения колонны в бетонном ковшевом фундаменте. Этот пример также описан в литературе [1].

Конструктивная система

Колонна профиля HEB 280 изготовлен из стали S 235 JR.

Параметры геометрии основания колонны задаются в окне 1.4 программы RF-/JOINTS в соответствии с [1]. Выбранная глубина удержания - 65 см.

Параметры опорной плиты определены в окне 1.5.

Внутренние силы

Доступны следующие расчетные внутренние силы.
NEd = 396,0 кН
VEd = 21,5 кН
MEd = -118,0 кН

Расчет необходимой глубины ковша

Определяющим значением является минимальная глубина сдерживания, зависящая от прочности бетона.

Требуется минимальная глубина удержания 54,86 см. Это обеспечивается выбранной глубиной 65 см.

Расчет сопротивления сечения колонны

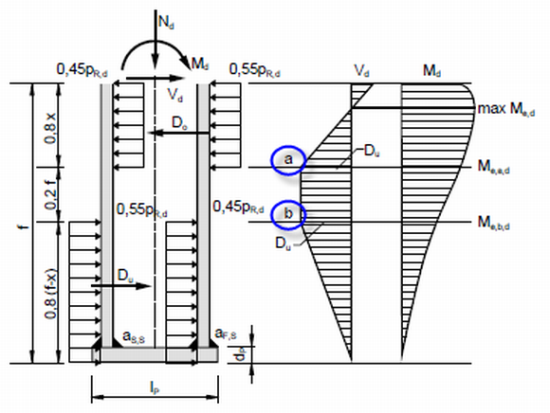
Распределение силы и момента в колонне соответствует следующему распределению согласно [1].

Нормальное напряжение от максимального момента рассчитывается следующим образом:

Для максимального напряжения сдвига применяется следующее:

Соответствующие напряжения и расчетные данные также можно найти в таблице результатов в разделе «Сопротивление сечениям».

Расчет колонны внутри ковша

На Рисунке 05 показаны соответствующие конструкции. Сечение BB на стороне давления изгиба оказывается решающим (точка b на рисунке 5):

Нормальное напряжение в направлении X рассчитывается следующим образом:

В направлении Z действует следующее нормальное напряжение:

Для максимального напряжения сдвига применяется следующее:

Подробная информация о расчете в окне 3.1 включает соответствующие напряжения и соотношения:

Программа завершает расчет, анализируя соединение на сжатие и сварные швы. Однако в данной статье это не объясняется.

Заключение

RF-/JOINTS Steel - Column Base позволяет рассчитывать опоры шарнирных и закрепленных оснований колонн. В случае установки колонны в бетонном ковше дополнительный модуль анализирует требуемую глубину ковша, сопротивление сечения колонны и сопротивление колонны внутри основания с учетом возникающих напряжений растяжения и сжатия. . Анализ завершается расчетом бетона под опорной плитой на сжатие, а также расчетом сварных швов между опорной пластиной и колонной.


Автор

Роберт отвечает за техническую документацию. Он следит за тем, чтобы содержание было четко структурировано, понятно изложено и профессионально точно передано.

Ссылки
Ссылки
Скачивания


;