Разветвленная балка с распределенной нагрузкой (Источник: [3])
Трещины на клееной балке (Источник: [4])
Ausweichen des Trägers
Geometrie des Trägers
Введение внецентренной нагрузки в RF-/FE-LTB
Непрерывные пружины (из RF-/FE-LTB)
режим выхода из работы
крутящие моменты
Момент кручения в клееной древесине RX-TIMBER
Разветвленная балка с распределенной нагрузкой (Источник: [3])
Трещины на клееной балке (Источник: [4])
Ausweichen des Trägers
Geometrie des Trägers
Введение внецентренной нагрузки в RF-/FE-LTB
Непрерывные пружины (из RF-/FE-LTB)
режим выхода из работы
крутящие моменты
Момент кручения в клееной древесине RX-TIMBER
2024-05-30
009690
  • RFEM 5
  • RSTAB 8
  • RF-FE-LTB 5
    • FE-LTB 8
    • RX-TIMBER Glued-Laminated Beam 2
    • Деревянные конструкции
    • Расчёт на устойчивость
    • Eurocode 5

Разветвленная балка с распределенной нагрузкой (Источник: [3])

Используется в
  • Расчет кручения грунтовых балок
Поделиться
2024-05-30
009691
  • RFEM 5
  • RSTAB 8
  • RF-FE-LTB 5
    • FE-LTB 8
    • RX-TIMBER Glued-Laminated Beam 2
    • Деревянные конструкции
    • Расчёт на устойчивость
    • Eurocode 5
Трещины на клееной балке (Источник: [4])
Используется в
  • Расчет кручения грунтовых балок
Поделиться
2024-05-30
009692
  • RFEM 5
  • RSTAB 8
  • RF-FE-LTB 5
    • FE-LTB 8
    • RX-TIMBER Glued-Laminated Beam 2
    • Деревянные конструкции
    • Расчёт на устойчивость
    • Eurocode 5
Ausweichen des Trägers
Используется в
  • Расчет кручения грунтовых балок
Поделиться
2024-05-30
009693
  • RFEM 5
  • RSTAB 8
  • RF-FE-LTB 5
    • FE-LTB 8
    • RX-TIMBER Glued-Laminated Beam 2
    • Деревянные конструкции
    • Расчёт на устойчивость
    • Eurocode 5
Geometrie des Trägers
Используется в
  • Расчет кручения грунтовых балок
Поделиться
2024-05-30
009694
  • RFEM 5
  • RSTAB 8
  • RF-FE-LTB 5
    • FE-LTB 8
    • RX-TIMBER Glued-Laminated Beam 2
    • Деревянные конструкции
    • Расчёт на устойчивость
    • Eurocode 5
Введение внецентренной нагрузки в RF-/FE-LTB
Используется в
  • Расчет кручения грунтовых балок
Поделиться
2024-04-19
009695
  • RFEM 5
  • RSTAB 8
  • RF-FE-LTB 5
    • FE-LTB 8
    • RX-TIMBER Glued-Laminated Beam 2
    • Деревянные конструкции
    • Расчёт на устойчивость
    • Eurocode 5
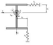
Непрерывные пружины (из RF-/FE-LTB)
Используется в
  • Расчет кручения грунтовых балок
Поделиться
2024-04-19
009696
  • RFEM 5
  • RSTAB 8
  • RF-FE-LTB 5
    • FE-LTB 8
    • RX-TIMBER Glued-Laminated Beam 2
    • Деревянные конструкции
    • Расчёт на устойчивость
    • Eurocode 5
режим выхода из работы
Используется в
  • Расчет кручения грунтовых балок
Поделиться
2024-04-19
009697
  • RFEM 5
  • RSTAB 8
  • RF-FE-LTB 5
    • FE-LTB 8
    • RX-TIMBER Glued-Laminated Beam 2
    • Деревянные конструкции
    • Расчёт на устойчивость
    • Eurocode 5
крутящие моменты
Используется в
  • Расчет кручения грунтовых балок
Поделиться
2024-05-30
009698
  • RFEM 5
  • RSTAB 8
  • RF-FE-LTB 5
    • FE-LTB 8
    • RX-TIMBER Glued-Laminated Beam 2
    • Деревянные конструкции
    • Расчёт на устойчивость
    • Eurocode 5
Момент кручения в клееной древесине RX-TIMBER
Используется в
  • Расчет кручения грунтовых балок
Поделиться