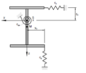
Непрерывные пружины (из RF-/FE-LTB)
Непрерывные пружины (из RF-/FE-LTB)
2024-04-19
009695
  • RFEM 5
  • RSTAB 8
  • RF-FE-LTB 5
    • FE-LTB 8
    • RX-TIMBER Glued-Laminated Beam 2
    • Деревянные конструкции
    • Расчёт на устойчивость
    • Eurocode 5

Непрерывные пружины (из RF-/FE-LTB)

Используется в
  • Расчет кручения грунтовых балок
Поделиться