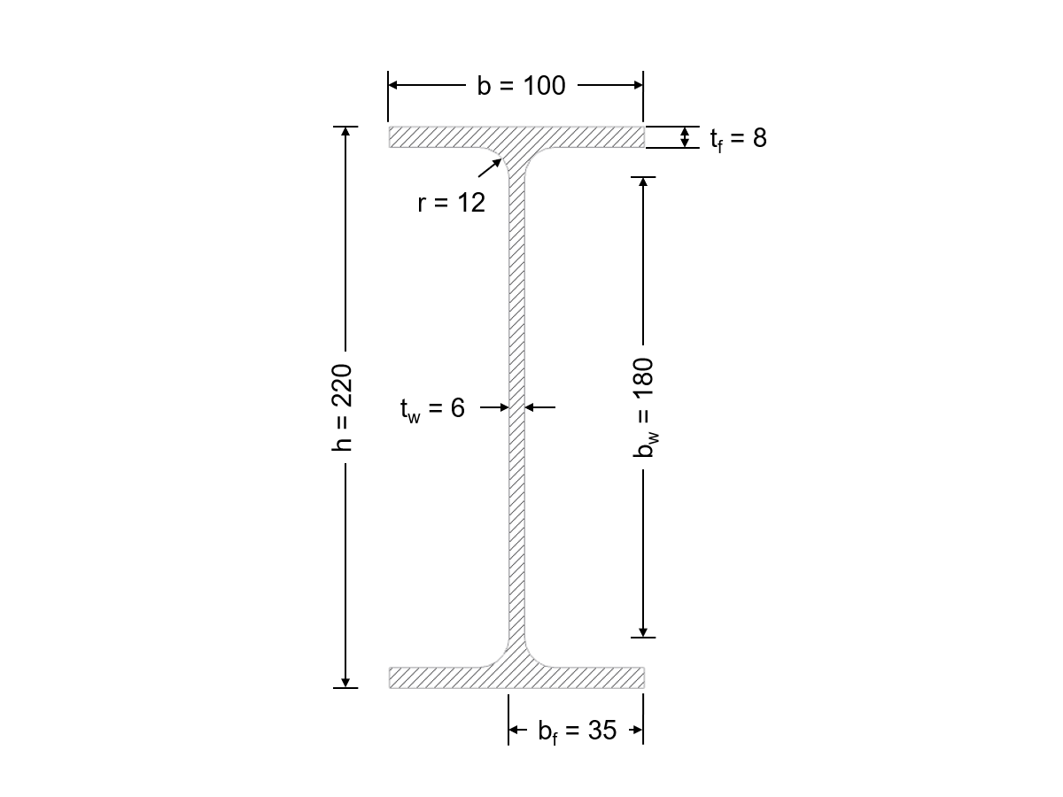
Размеры сечения в мм
Основные типы части сечения
Конструктивная система и нагрузки
  • 3D-визуализатор
  • 3D Viewer | Babylon
  • Виртуальная реальность
Окно 1.3 Сечения
Диалоговое окно «Подробности», вкладка «Предельное состояние 1-й группы»
Классификация сечений - чистый изгиб
Классификация сечений - чистое сжатие
Диалоговое окно «Части c/t»
Размеры сечения в мм
Основные типы части сечения
Конструктивная система и нагрузки
Окно 1.3 Сечения
Диалоговое окно «Подробности», вкладка «Предельное состояние 1-й группы»
Классификация сечений - чистый изгиб
Классификация сечений - чистое сжатие
Диалоговое окно «Части c/t»
2024-05-30
014718
  • RFEM 5
  • RF-ALUMINUM 5
  • RSTAB 8
    • ALUMINIUM 8
    • Расчёт и проектирование конструкций
    • Eurocode 9

Размеры сечения в мм

Используется в
  • Классификация сечений по норме EN 1999-1-1
Поделиться
2024-05-30
014717
  • RFEM 5
  • RF-ALUMINUM 5
  • RSTAB 8
    • ALUMINIUM 8
    • Расчёт и проектирование конструкций
    • Eurocode 9
Основные типы части сечения
Используется в
  • Классификация сечений по норме EN 1999-1-1
Поделиться
2024-05-30
014719
  • RFEM 5
  • RF-ALUMINUM 5
  • RSTAB 8
    • ALUMINIUM 8
    • Расчёт и проектирование конструкций
    • Eurocode 9
Конструктивная система и нагрузки
Используется в
  • Классификация сечений по норме EN 1999-1-1
3D Модель
Подробнее о 3D модели
  • Консольный двутавр EN-AW 6082 (EP, ET, ER/B) T4
Спецификации
Количество узлов 2
Количество линий 1
Количество стержней 1
Количество поверхностей 0
Количество тел 0
Количество загружений 2
Количество сочетаний нагрузок 1
Количество расчетных сочетаний 0
Общий вес 0,016 t
Размеры (метрические) 2,000 x 0,000 x 0,000 m
Размеры (имперские) 6.56 x 0 x 0 feet
Поделиться
2024-05-30
014720
  • RFEM 5
  • RF-ALUMINUM 5
  • RSTAB 8
    • ALUMINIUM 8
    • Расчёт и проектирование конструкций
    • Eurocode 9
Окно 1.3 Сечения
Используется в
  • Классификация сечений по норме EN 1999-1-1
Поделиться
2024-05-30
014721
  • RFEM 5
  • RF-ALUMINUM 5
  • RSTAB 8
    • ALUMINIUM 8
    • Расчёт и проектирование конструкций
    • Eurocode 9
Диалоговое окно «Подробности», вкладка «Предельное состояние 1-й группы»
Используется в
  • Классификация сечений по норме EN 1999-1-1
Поделиться
2024-05-30
014722
  • RFEM 5
  • RF-ALUMINUM 5
  • RSTAB 8
    • ALUMINIUM 8
    • Расчёт и проектирование конструкций
    • Eurocode 9
Классификация сечений - чистый изгиб
Используется в
  • Классификация сечений по норме EN 1999-1-1
Поделиться
2024-05-30
014723
  • RFEM 5
  • RF-ALUMINUM 5
  • RSTAB 8
    • ALUMINIUM 8
    • Расчёт и проектирование конструкций
    • Eurocode 9
Классификация сечений - чистое сжатие
Используется в
  • Классификация сечений по норме EN 1999-1-1
Поделиться
2024-05-30
014724
  • RFEM 5
  • RF-ALUMINUM 5
  • RSTAB 8
    • ALUMINIUM 8
    • Расчёт и проектирование конструкций
    • Eurocode 9
Диалоговое окно «Части c/t»
Используется в
  • Классификация сечений по норме EN 1999-1-1
Поделиться