26224x
001673
2021-01-19

Классификация сечений по норме EN 1999-1-1

С помощью классификации сечений определяются предел прочности и предельный угол поворота сечения при местной потере устойчивости частей сечения. В норме EN 1999‑1‑1, п. 6.1.4.2 (1) предусмотрены четыре основных класса сечения.
  • Сечения класса 1 могут образовывать пластические шарниры или зоны текучести с достаточным пластическим моментом сопротивления и вращательной способностью для пластического расчета конструкций.
  • Сечения класса 2 могут развивать пластический момент сопротивления, но имеют лишь ограниченную вращательную способность вследствие местного выпучивания.
  • Сечения класса 3 достигают предела текучести во внешнем, нагруженном сжатием волокне алюминиевого элемента, но не могут развить пластический момент сопротивления вследствие местного выпучивания.
  • Сечения класса 4 - это сечения, в которых местное выпучивание возникает в одной или нескольких частях сечения до достижения предела текучести.

Основные типы части сечения

Классификация сечения зависит от отношения ширины к толщине b/t его сжатых частей. По норме EN 1999-1-1 [1], 6.1.4.2 (6), тонкостенные части подразделяются на следующие основные типы.

  • Плоскостные выступающие части сечения
  • Плоскостные внутренние части сечения, поддерживаемые с обеих сторон
  • Изогнутые внутренние части сечения, поддерживаемые с обеих сторон

Данные части сечения могут быть не усиленными либо усилены продольными ребрами жесткости, отогнутыми кромками или выступами (рисунок 01).

параметры гибкости

Восприимчивость неусиленных плоскостных частей к местному боковому выпучиванию определяется параметром β. По норме EN 1999-1-1, 6.1.4.3 (1), он имеет следующие значения.

  • плоскостные внутренние части, поддерживаемые с обеих сторон, с постоянным распределением напряжений или плоскостные выступающие части с постоянным распределением напряжений либо максимальным напряжением сжатия на внешнем крае
    • β = b / t | EN 1999-1-1, (6.1)
  • плоскостные внутренние части с переходом распределения напряжений через нулевое значение в центре
    • β = 0,40 · b / t | EN 1999-1-1, (6.2)
  • плоскостные внутренние части с линейно-изменяющимся распределением напряжений либо плоскостные выступающие части с максимальным напряжением сжатия на внутреннем крае
    • β = η · b / t | EN 1999-1-1, (6.3)

Где:

b ширина части сечения
t толщина сечения
η Коэффициент градиента напряжения(1)
ψ отношение напряжений на контурах рассматриваемой плиты к максимальному напряжению при сжатии(2)

(1) Коэффициент градиента напряжения определяется по следующей формуле:
η = 0,70 + 0,30 · ψ при 1 ≥ ψ ≥ -1 | EN 1999-1-1, (6.4)
η = 0,80 / (1 - ψ) при ψ < -1 | EN 1999-1-1, (6.5)
(2) В общем случае нейтральная ось должна быть упругой нейтральной осью, но пластическую нейтральную ось разрешается использовать для проверки, относится ли сечение к классу 1 или 2.

Параметры гибкости для плоскостных усиленных частей сечения указаны в EN 1999-1-1, 6.1.4.3 (3).

Норма EN 1999-1-1, п. 6.1.4.3 (4) содержит данные о параметрах гибкости для плоскостных неусиленных внутренней частей малой кривизны, поддерживаемых с обеих сторон. В EN 1999-1-1, п. 6.1.4.3 (5) рассмотрены параметры гибкости тонкостенных трубчатых профилей.

Классификация частей сечения

Для выполнения классификации рассчитанные параметры гибкости β необходимо сравнить с предельными значениями β1 - β3, которые определяются согласно EN 1999-1-1 по таблице 6.2 (см. ниже).

  • ε = √(250 / fo)
  • fo в Н/мм²

Классификация материала по таблице 3.2 Внутренняя часть Выступающая часть
β1 β2 β3 β1 β2 β3
Класс А, без сварных швов 11 16 22 3 4.5 6
Класс А, со сварными швами 9 13 18 2,5 4 5
Класс B, без сварных швов 13 16,5 18 3,5 4.5 5
Класс B, со сварными швами 10 13,5 15 3 3,5 4

В данной классификации различают изгибаемые балки и сжатые стержни. В EN 1999-1-1, 6.1.4.4 (1) установлены следующие пределы.

Части сечения изгибаемых балок

  • β ≤ β1 → класс 1
  • β1 < β ≤ β2 → класс 2
  • β2 < β ≤ β3 → класс 3
  • β3 < β → класс 4

Части сечения сжатых стержней

  • β ≤ β2 → класс 1 или 2
  • β2 < β ≤ β3 → класс 3
  • β3 < β → класс 4

Каждой части сечения, которая полностью или частично подвергается сжатию, необходимо присвоить определенный класс сечения. Часть сечения с наименее благоприятным классом сечения определяет класс целого сечения. Классификация сечений конструктивных элементов, подверженных действию одновременно изгибающих и продольных сил, должна выполняться отдельно для каждой составляющей нагрузки по норме EN 1999-1-1, 6.3.3, комментарий 1. Для комбинированного напряженного состояния классификация не требуется.

Пример

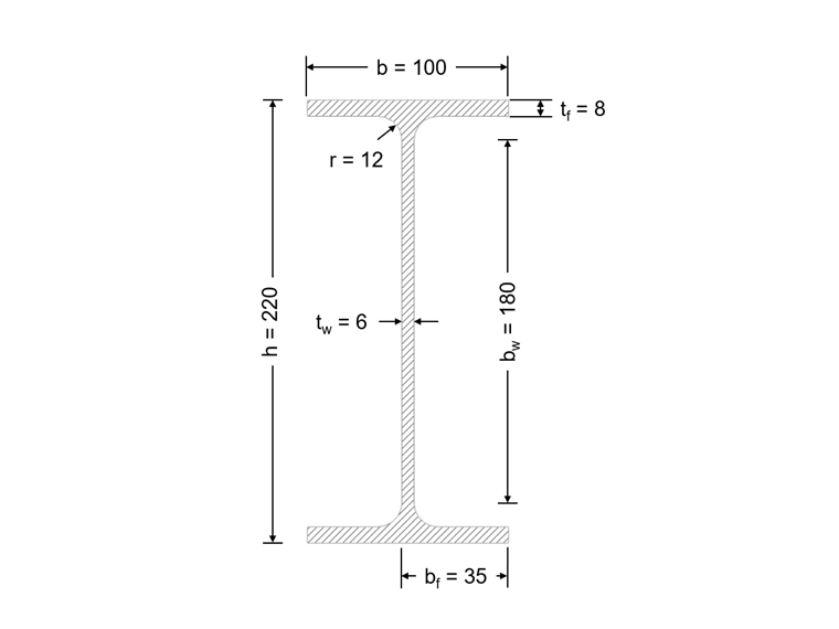
Выполним классификацию у двутавра, показанного на рисунке 02, при чистом изгибе и чистом сжатии.

Конструкция и нагружение показаны на рисунке 03.

Материал и размеры

  • EN-AW 6082 (EP, ET, ER/B) T4 | EN 1999-1-1, Таблица 3.2b
  • fo = 110 Н/мм²
  • fu = 205 Н/мм²
  • Класс бокового выпучивания B
  • ε = √(250 / fo) = √(250 / 110) = 1,508 | EN 1999-1-1, таблица 6.2
  • bw = h - 2 ∙ (tf + r) = 220 - 2 ∙ (8 + 12) = 180 мм
  • bf = 0,5 ∙ (b - tw - 2 ∙ r) = 0,5 ∙ (100 - 6 - 2 ∙ 12) = 35 мм

Классификация сечения - чистый изгиб

Стенка (внутренняя, без сварных швов, класс бокового выпучивания B)

  • βw = 0,4 ∙ bw / tw = 0,4 ∙ 180 / 6 = 12 | EN 1999-1-1, (6.2)
  • β1 = 13 ∙ ε = 13 ∙ 1,508 = 19,6 | EN 1999-1-1, таблица 6.2
  • βw = 12 < β1 = 19,6

Стенке присвоен класс сечения 1.

Полка (консольная, без сварных швов, класс бокового выпучивания B)

  • βf = bf / tf = 35 / 8 = 4,38 | EN 1999-1-1, (6.1)
  • β1 = 3,5 ∙ ε = 3,5 ∙ 1,508 = 5,28 | EN 1999-1-1, таблица 6.2
  • βf = 4,38 < β1 = 5,28

Полке нужно присвоить класс сечения 1.

Целое сечение имеет класс сечения 1 при чистом изгибе.

Классификация сечения - чистое сжатие

Стенка (внутренняя, без сварных швов, класс бокового выпучивания B)

  • βw = bw / tw = 180 / 6 = 30 | EN 1999-1-1, (6.1)
  • β3 = 18 ∙ ε = 18 ∙ 1,508 = 27,14 | EN 1999-1-1, таблица 6.2
  • βw = 30 > β3 = 27,14

Стенка отнесена к классу сечения 4.

Полка (консольная, без сварных швов, класс бокового выпучивания B)

  • βf = bf / tf = 35 / 8 = 4,38 | EN 1999-1-1, (6.1)
  • β2 = 4,5 ∙ ε = 4,5 ∙ 1,508 = 6,79 | EN 1999-1-1, таблица 6.2
  • βf = 4,38 < β2 = 6,79

Полке нужно присвоить класс сечения 1 или 2.

Целое сечение имеет класс сечения 4 при чистом сжатии.

RF-/ALUMINIUM

Модуль RF-/ALUMINUM определяет соотношение ширины и толщины частей сечения, подвергаемых сжатию, и выполняет классификацию автоматически. Также можно определить класс сечения индивидуально в списке «Классификация сечений» в окне «1.3 Сечения» (рисунок 04). Сечения, которые не полностью включены в нормативные требования, классифицируются в RF-/ALUMINUM как «общие» и распределяются только по классам сечений 3 или 4.

RF-/ALUMINUM учитывает только неусиленные части сечения по EN 1999-1-1, рисунок 6.1 (a), а также тонкостенные трубчатые профили по EN 1999-1-1, 6.1.4.3 (5). Слегка изогнутые, неусиленные, внутренние части сечения, защемленные с обеих сторон по EN 1999-1-1, 6.1.4.3 (4), могут быть учтены только в расчете, выполненном упрощенным аналитическым методом. Влияние элементов жесткости по норме EN 1999-1-1, 6.1.4.3 (3) не учитывается.

Классификация сечений конструктивных элементов, подвергаемых одновременно действию изгибающих и продольных сил выполняется в модуле RF-/ALUMINUM отдельно для каждого компонента нагрузки согласно EN 1999-1-1, 6.3.3, комментарий 1. При этом можно выполнить классификацию также для комбинированного напряженного состояния. Для этого деактивируйте флажок «Отдельно классифицировать составляющие нагрузки согласно 6.3.3 Примечание 1 и Примечание 2» во вкладке «Несущая способность» диалогового окна «Подробности» (рисунок 05).

Классификация сечений в модуле RF-/ALUMINUM подробно отображается для каждой сжатой части сечения в промежуточных значениях. Классификация сечений данного примера при чистом изгибе и чистом сжатии показана на рисунках 06 и 07.


Нумерация частей сечения содержится в диалоговом окне «части c/t» (рисунок 08).


Автор

Соня работает в Product Engineering и дополнительно поддерживает Customer Support. Ее основное внимание сосредоточено на RSECTION, а также на стальных и алюминиевых конструкциях, где она целенаправленно применяет свои знания.

Ссылки
Ссылки


;