Пространственный изгиб с нормальной силой и депланацией
Пространственный изгиб с нормальной силой и депланацией
2024-07-09
048076
  • RFEM 6

Пространственный изгиб с нормальной силой и депланацией

Используется в
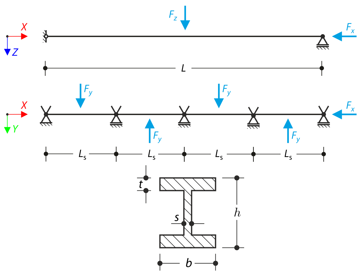
  • VE0213 | Пространственный изгиб с нормальной силой и депланацией
Поделиться