Описание работы
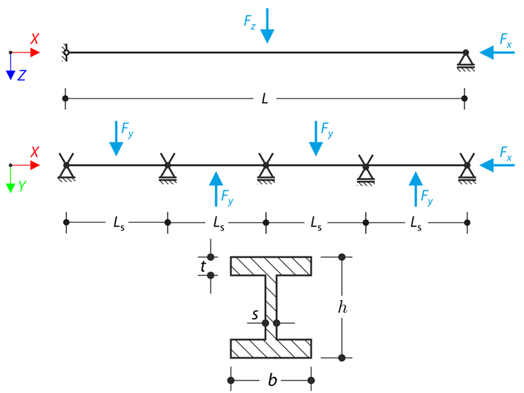
Неразрезная балка с четырьмя пролетами загружена осевыми и изгибающими силами (замещающие несовершенства). All supports are fork - warping is free. Determine displacements uy and uz, moments My, Mz, Mω and MTpri and rotation φx. The verification example is based on the example introduced by Gensichen and Lumpe (see the reference).
| Material | Steel S355 | Модуль упругости | E | 210000.000 | МПа |
| Модуль сдвига | [LinkToImage06] | 81000.000 | МПа | ||
| Geometry | Beam | Длительность | [LinkToImage03] | 12.000 | м |
| пролет | Ls | 3.000 | м | ||
| Cross-section | Высота | h | 400.000 | мм | |
| Ширина | b | 180.000 | мм | ||
| Толщина стенки | s | 10.000 | мм | ||
| толщина полки | t | 14.000 | мм | ||
| Load | Transversal Forces | Fy, Fz | 31.000 | кН | |
| нормальная сила | Fx | 1550.000 | кН | ||
Analytical Solution
Analytical solution is not available. Results from software S3D are taken as reference.
RFEM and RSTAB Settings
- Modeled in RFEM 6.05, RSTAB 9.05
- The element size is lFE= 0.300 m
- Isotropic linear elastic material model is used
- Second-Order Analysis and Large deformation Analysys is used
- Torsional Warping is used in RFEM 6 and RSTAB 9
Результаты
| Quantity | S3D | RFEM 6 - Second-Order Analysys | сечения | RFEM 6 - Large Deformation Analysys | сечения |
| uy,max [mm] | 12.600 | 13.334 | 1.058 | 13.242 | 1.051 |
| uz,max [mm] | 45.200 | 44.675 | 0.988 | 46.989 | 1.040 |
| φx,max [mrad] | 11.750 | 12.701 | 1.081 | 12.389 | 1.054 |
| My,max [kNm] | 163.000 | 162.084 | 0.994 | 165.738 | 1.017 |
| Mz,max [kNm] | 44.000 | 46.077 | 1.047 | 45.131 | 1.026 |
| MTpri,max [kNm] | 47.000 | 49.000 | 1.043 | 47.930 | 1.020 |
| MTsec,max [kNm] | 172.000 | 224.071 | 1.303 | 118.061 | 0.686 |
| Mω,max [kNm2] | 1.440 | 1.530 | 1.063 | 1.500 | 1.042 |
Примечание: This verification example is not available in Large Deformation Analysis in RSTAB 9 now.
| Quantity | S3D | RSTAB 9 - Second-Order Analysys | сечения | RSTAB 9 - Large Deformation Analysys | сечения |
| uy,max [mm] | 12.600 | 13.339 | 1.059 | - | - |
| uz,max [mm] | 45.200 | 44.660 | 0.988 | - | - |
| φx,max [mrad] | 11.750 | 12.845 | 1.093 | - | - |
| My,max [kNm] | 163.000 | 162.064 | 0.994 | - | - |
| Mz,max [kNm] | 44.000 | 45.251 | 1.028 | - | - |
| MTpri,max [kNm] | 47.000 | 49.435 | 1.052 | - | - |
| MTsec,max [kNm] | 172.000 | 137.759 | 0.801 | - | - |
| Mω,max [kNm2] | 1.440 | 1.536 | 1.067 | - | - |