КБ 1900 | Эффект рычага в соединениях полок круглых пустотелых профилей
КБ 1900 | Эффект рычага в соединениях полок круглых пустотелых профилей
2024-09-20
052649
  • RFEM 6
  • Eurocode 3

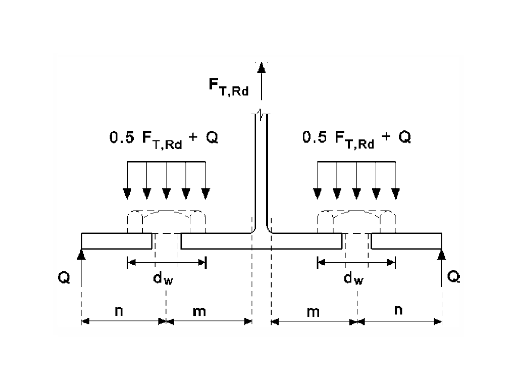
Рисунок 6.2. in EC 3 [1]

КБ 1900 | Эффект рычага в соединениях полок круглых пустотелых профилей

Используется в
  • Эффект рычага в соединениях полок круглых пустотелых профилей
Поделиться