3290x
001900
2024-09-18

Эффект рычага в соединениях полок круглых пустотелых профилей

В нашей статье обсуждается и сравнивается эффект рычага в трех типах соединений: соединение с кольцевой полкой, полной торцевой пластиной и усиленной кольцевой полкой.

Некоторые из недавних статей нашей базы знаний были посвящены моделированию стержней с круглыми пустотелыми профилями и их соединениям с помощью RFEM 6 и соответствующего аддона Стальные соединения. Двое из них, а именно KB 1887 и KB 1899, показали, как смоделировать некоторые из этих соединений.

В первой статье было показано, как смоделировать простое соединение торцевой пластины двух элементов с круглыми пустотелыми профилями (то есть, соединение с кольцевой полкой), а во второй - как смоделировать такие же соединения, но усиленные ребрами. На рисунке 1 показаны оба соединения, первое под a), а второе под b).

Однако при моделировании и расчете таких соединений необходимо учитывать некоторые важные аспекты, которые могут повлиять на их характеристики. Одна из них - это высвобождение крепежных элементов из-за действия растягивающих сил. Эта сила вызвана изгибом торцевой пластины и может привести к повышенному напряжению в болтах и пластическим деформациям. Вышеупомянутые соединения являются примерами стальных соединений, восприимчивых к эффекту опоры, поскольку они представляют собой соединения с лобовой пластиной, в которой болты находятся за пределами присоединяемого сечения.

Аддон Dlubal' Стальные соединения может точно уловить эффект опорного усилия и включить его в результаты численной модели (то есть, силы на болтах, пластическая деформация соединяемых пластин, общая деформация соединения). Поэтому было бы интересно изучить и сравнить этот эффект в упомянутых выше фланцевых соединениях, что и будет сделано в нашей статье.

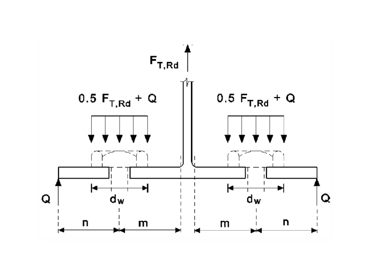
Но сначала давайте посмотрим, как этот вопрос решается в нормах расчета; а именно в норме Еврокод 3 {%><#Refer [1]]]. Согласно EC.3, раздел 6) 6.2.4.1, в тех случаях, когда могут возникать опорные усилия, расчетная прочность на растяжение полки тавровой стойки должна быть принята как наименьшее значение для трех возможных режимов выхода из работы:

  • Режим 1: Полная текучесть полки
  • Режим 2: Отказ болта с текучестью полки
  • Режим 3: Отказ болта

Каждая из этих форм подробно описана в таблице 6.2 нормы EC 3 {%ref#Refer [1]]]. Краткое описание данной концепции показано на рисунке 2, на котором:

Q Рычажная сила, то есть контактная сила, которая может возникнуть между свободной гранью и рядом болтов, приложенная как результирующая поверхностного давления в контактном стыке в краевой точке пояса стойки
FT,Rd Расчётное сопротивление растяжению полки тавровой стойки
dw Диаметр шайбы или ширина по точкам головки болта или гайки, соответственно
n, m Расстояния согласно рисунку

Прежде чем продолжить, необходимо определить, какие факторы влияют на эффект рычага. Ими являются расстояние болта от сечения, жесткость и геометрия торцевой пластины, деформация болта и сварное решение.

На основе вышеприведенных данных мы можем учесть эффект опоры в обоих вариантах соединений полок профилей CHS, упомянутых в начале данного текста. Чтобы расширить рассмотрение темы, добавим к ним ещё один вариант: а именно, мы также рассмотрим эффект опоры в целой торцевой пластине без отверстия, как показано на рисунке 3.

Как упоминалось ранее, аддон Стальные соединения от Dlubal может реалистично уловить эффект опоры и включить его в результаты численной модели. Поэтому мы можем создать данные соединения (рисунки 4, 5 и 6) в программе RFEM 6 и подвергнуть модель растягивающей силе в 300 кН, как показано на рисунке 7.




Затем можно запустить расчет и получить силы в болтах, как показано на рисунке 8.

Для сравнения работы трех вариантов применим коэффициенты эффекта трения, которые выражаются в виде отношения общей силы в болтах к приложенной силе. После того, как было задано значение опоры, как показано на рисунке 8, можно легко рассчитать рычаг опоры для каждого из вариантов, как показано в таблице 1.

Вариант Приложенная растягивающая сила [кН] Общая сила опирания [кН] kRFEM,1
1. Кольцевая полка 300 515,3 1,72
2. Вся торцевая пластина 300 423,8 1,41
3. Усиленная кольцевая полка 300 300 1

Коэффициенты опорного опирания, определенные в таблице 1, ясно показывают, что опорное усилие является самым высоким в соединении с использованием кольцевых полок. Также видно, что торцевая пластина без отверстия обеспечивает некоторое облегчение, в то время как элементы жесткости надежно разгружают болты от опорных усилий и уменьшают пластическую деформацию торцевой пластины. Поскольку мы уже определили, какие параметры влияют на опору, можно сделать вывод, что для уменьшения/устранения данного эффекта в первом варианте, когда используются кольцевые полки, потребуется толстая торцевая пластина и большие диаметры болтов.

С другой стороны, торцевая пластина с усиленной кольцевой полкой (то есть вариант 3) останется более тонкой, но здесь нужно учесть, что элементы жесткости должны быть приварены, что увеличивает стоимость соединения. Если эффект опоры незначителен, сваривание элементов жесткости, возможно, не имеет никакого смысла. Однако, если этот эффект значителен, не может быть другого варианта, кроме усиления соединения. Поскольку оба сценария оказывают влияние на производственные затраты, необходимо уметь выбрать оптимальное решение для минимизации производственных затрат при сохранении высоких характеристик соединения.

Заключение

Оптимальный расчет соединений играет важную роль в расчете стальных конструкций. Поэтому очень важно понимать и тщательно учитывать аспекты, относящиеся к расчету соединений в таких конструкциях. Подпирание - это одно из вредных воздействий, которое нельзя упустить из виду при расчёте болтовых соединений. В большинстве случаев, в типах соединений, которые подвержены выступанию, таким как обсуждаемые в нашей статье, такие параметры, как толщина пластины, количество и диаметр болтов, определяются этим воздействием. Поскольку данные параметры влияют на торсион, они должны быть выбраны таким образом, чтобы, с одной стороны, уменьшить это влияние, а с другой, внести вклад в оптимальный расчет соединения (например, с точки зрения себестоимость производства).


Автор

Irena Kirova отвечает за написание технических статей и техподдержку пользователей ПО Dlubal.

Ссылки


;