Анализ характеристик расчётной модели и перехлёстного стыка, показанный в бюллетене DIBt 04/2017.
Анализ характеристик расчётной модели и перехлёстного стыка, показанный в бюллетене DIBt 04/2017.
2025-11-12
060083
  • RFEM 6

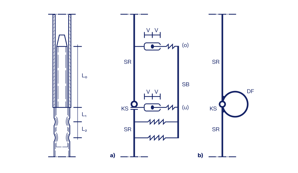
Конструктивная модель анкеровки (по материалам информационного бюллетеня DIBt 04/2017)

Анализ характеристик расчётной модели и перехлёстного стыка, показанный в бюллетене DIBt 04/2017.

Используется в
  • Моделирование и расчёт гибридного каркаса лесов по DIBt Newsletter 4/2017 в RFEM 6 / RSTAB 9
Поделиться