178x
002006
2026-03-04

Моделирование и расчёт гибридного каркаса лесов по DIBt Newsletter 4/2017 в RFEM 6 / RSTAB 9

В этой статье вы узнаете, как моделировать и проектировать стыки стоек лесов в RFEM 6 / RSTAB 9 в соответствии с бюллетенем DIBt 4/2017.

Для реализации многих строительных проектов требуются леса, будь то рабочие, несущие или защитные леса. Для обеспечения устойчивости, функциональности и безопасности нормы, такие как EN 12810 и 12811, предъявляют специальные требования к проектированию, расчету и выполнению лесов.

Важным аспектом при моделировании и расчете таких лесов является реалистичное отображение стыков стоек. Для этого в DIBt Newsletter 04/2017 [1] приведено практическое руководство.

Ниже представлены принципы моделирования для шарниров лесов согласно DIBt Newsletter. Затем на примере применения показано моделирование и расчет стыка стойки в RFEM 6 / RSTAB 9.

Модель шарнира лесов согласно DIBt Newsletter 04/2017

Стыки стоек лесов характеризуются сильно нелинейным деформационным поведением при комбинированном изгибе и продольной силе. Для реалистичного отображения этих нелинейностей в [1] заданы несколько расчетных моделей. Далее более подробно рассматриваются расчетные модели для стыков стоек типа A. Стыки стоек типа B, как правило, оцениваются на основе результатов испытаний и в данной статье не рассматриваются. Типы A и B различают два различных способа изготовления стыков стоек. При типе A соединительный штифт впрессовывается в трубу стойки с обеспечением геометрического замыкания. При типе B соединительный штифт формируется непосредственно из самой трубы стойки.

Расчетная модель стыка типа A с нахлестом

Расчетная модель стыка с нахлестом учитывает люфт поворота в стыке стойки, то есть зазор между соединительным штифтом и последующей трубой стойки. При действии изгибающего момента сначала должен быть выбран люфт поворота, прежде чем момент сможет эффективно передаваться.

Максимальный угол излома из-за люфта поворота рассчитывается по следующей формуле.

При этом vo/u — это величина смещения, которая, в свою очередь, может быть рассчитана по следующей формуле.

где:
Do/u...наружный диаметр трубы стойки у верхней или нижней кромки стыка с нахлестом
to/u...толщина стенки трубы стойки у верхней или нижней кромки стыка с нахлестом
do/u...наружный диаметр соединительного штифта у верхней или нижней кромки стыка с нахлестом

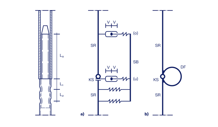
Следующий рисунок показывает стык с нахлестом в виде детальной модели (a) и упрощенной модели (b).

  • SR...труба стойки
  • KS...контактный стык
  • SB...соединительный штифт
  • DF...пружина кручения

В зависимости от величины смещения v и эффективной длины нахлеста L0 максимальный свободный угол излома phiLose можно рассчитать по приведенному выше уравнению. До достижения максимального свободного угла излома передача момента в стыке стойки отсутствует. После достижения максимального свободного угла излома передача момента происходит с жесткостью пружины кручения CSB,d до максимального угла поворота phimax. В [1] задана жесткость пружины кручения CSB,d = 10000 kNcm/rad. В зависимости от технического допуска могут быть определяющими и другие значения.

Максимальная изгибная несущая способность соединительного штифта в расчетной модели стыка с нахлестом обозначена MSB,Rd, а максимальная несущая способность по продольной силе — NKS,Rd.

Расчетная модель контактного стыка типа A

Расчетная модель контактного стыка учитывает передачу усилия в контактной поверхности между верхней и нижней трубами стойки. При этом следует учитывать взаимодействие действующей продольной силы и изгибающего момента.

Соединение труб стоек в рамках данной расчетной модели может быть принято как жесткое.

Максимальная несущая способность по изгибающему моменту MKS,Rd в расчетной модели контактного стыка достигается при одновременном действии определенной сжимающей продольной силы. Если действующая сжимающая продольная сила слишком мала, вследствие изгиба раньше возникает раскрывающийся зазор, который с увеличением приводит к потере равновесия расчетной модели контактного стыка. Слишком большая сжимающая продольная сила, напротив, приводит к преждевременному превышению напряжений в контактном стыке вследствие комбинированного действия изгиба и продольной силы.

При превышении максимальной несущей способности по продольной силе NKS,Rd или максимальной несущей способности по изгибающему моменту MKS,Rd действие расчетной модели контактного стыка прекращается. Исключение составляет случай, когда действующая продольная сила меньше 50% от максимального сопротивления по продольной силе. В этом случае после достижения максимальной несущей способности по изгибающему моменту допускается дополнительный относительный поворот труб стоек на phigrenz = 0,01 rad.

Гибридная расчетная модель типа A

Для экономичного и реалистичного моделирования стыков стоек свойства двух представленных расчетных моделей могут быть объединены в гибридной расчетной модели. В гибридной расчетной модели сначала передача усилия происходит при жестком соединении согласно расчетной модели контактного стыка. При достижении M,KS,Rd происходит переход к расчетной модели стыка с нахлестом. Дополнительный изгибающий момент величиной MSB,Rd может быть воспринят, вследствие чего происходит относительный поворот труб стоек.

Взаимодействие M-N-phi гибридной расчетной модели может быть представлено следующей диаграммой.

Моделирование в RFEM 6 / RSTAB 9

Описанные ранее свойства расчетной модели для стыков стоек типа A могут быть реалистично отображены в RFEM 6 или RSTAB 9 с помощью специального типа нелинейности "Gerüst N" для шарниров концов стержней. Шарнир лесов влияет на шарнирные условия ux, phiy и phiz. При выборе шарнира лесов появляются две дополнительные вкладки. Во вкладке "Gerüstdiagramm | Innenrohr" задаются свойства расчетной модели стыка с нахлестом. Во вкладке "Gerüstdiagramm | Außenrohr" задаются свойства расчетной модели контактного стыка.

Пример применения

Ниже на примере показаны моделирование и расчет стыка стойки согласно разрешению органов строительного надзора Z-8.22-921 DIBt [2].

Известны следующие параметры:

Геометрия:
Parameter Symbol Wert
Наружный диаметр трубы D 48,3 mm
Толщина стенки наружной трубы t 3,2 mm
Диаметр внутренней трубы d 38 mm
Толщина стенки внутренней трубы ti 4 mm
статически эффективная длина нахлеста L0 200 mm
Размер болта -- M12

Характеристики материала:
Parameter Symbol Wert
Предел текучести материала стойки fy,d 0,32 kN/mm2
Класс прочности болта -- 10.9

Внутренние усилия:
Parameter Symbol Wert
Сжимающая продольная сила NEd (-) -80 kN
Растягивающая продольная сила NEd (+) 20 kN
Изгибающий момент MEd 70 kNcm

Сопротивления:
Parameter Symbol Wert
Жесткость пружины кручения CSB,d 9290 kNcm/rad
Несущая способность по сжимающему усилию NKS,Rd 83,2 kN
Несущая способность по растягивающему усилию ZRd 42,5 kN
Изгибная несущая способность соединительного штифта MSB,Rd 85,3 kNcm

Моделирование шарнира лесов

Для задания "Gerüstdiagramm | Innenrohr" в RFEM 6 / RSTAB 9 необходимы следующие значения:

  • Максимальный угол излома из-за люфта поворота phiLose

с

  • Изгибная несущая способность в соединительном штифте MSB,Rd
  • Максимальный угол излома в стыке стойки phimax

С помощью этих данных "Gerüstdiagramm | Innenrohr" можно задать, как показано на следующем изображении.

Для задания "Gerüstdiagramm | Außenrohr" в RFEM 6 необходимо определить изгибную несущую способность в контактном стыке в зависимости от действующей продольной силы. Для этого сначала следует определить максимальный момент MKS,max, передаваемый через KS, по следующему уравнению:

Изгибная несущая способность MKS,Rd в зависимости от действующей продольной силы затем определяется следующим образом (здесь в качестве примера с подставленными значениями для действующей продольной силы 80 kN и несущей способности по сжимающему усилию согласно разрешению 83,2 kN):

Из функции MKS,Rd(NKS,Ed) затем можно составить "Gerüstdiagramm | Außenrohr" согласно следующему изображению.

На этом ввод завершен, и нагрузочно-деформационное поведение шарнира лесов в RFEM 6 отображено реалистично.

Расчет стыка стойки

Далее необходимо проверить несущую способность стыка стойки при заданных действующих внутренних усилиях NEd (-) = -80 kN, NEd (+) = 20 kN и MEd = 70 kNcm. Для этого согласно DIBt Newsletter необходимо подтвердить несущую способность по моменту и продольной силе в соответствии со следующими уравнениями:

Изгибная несущая способность MKS,Rd = 6,51 kNcm при этом может быть непосредственно считана из "Gerüstdiagramm | Außenrohr" (см. изображение выше).

Кроме того, согласно разрешению [2] необходимо подтвердить несущую способность при растягивающем усилии по следующему уравнению:

Итог

Рассмотрены расчетные модели для стыков стоек лесов согласно [1]. На примере применения было пояснено задание шарниров лесов в RFEM 6 и RSTAB 9. С учетом нелинейного нагрузочно-деформационного поведения шарнира лесов может быть обеспечен реалистичный расчет внутренних усилий. Затем была подтверждена несущая способность стыка стойки согласно разрешению органов строительного надзора.


Автор

Г-н Ванке осуществляет техническую поддержку пользователей Dlubal Software.

Ссылки


;