结构体系,荷载,内力
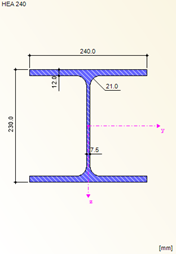
梁截面HEA 240,S355
结构体系,荷载,内力
梁截面HEA 240,S355
2024-05-30
009026
  • RFEM 5
  • RSTAB 8
  • RF-STEEL EC3 5
    • 钢EC3 8
    • 钢结构
    • Eurocode 3

结构体系,荷载,内力

用于
  • 两跨连续梁的截面设计
分享
2024-05-30
009027
  • RFEM 5
  • RSTAB 8
  • RF-STEEL EC3 5
    • 钢EC3 8
    • 钢结构
    • Eurocode 3
梁截面HEA 240,S355
用于
  • 两跨连续梁的截面设计
分享