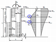
Distribution of Forces and Moments in Column Base According to [1]
Distribution of Forces and Moments in Column Base According to [1]
2024-05-30
009638
  • RFEM 5
  • RSTAB 8
  • RF-JOINTS Steel | 柱脚5
    • 柱脚 8
    • 钢结构
    • Eurocode 3

Distribution of Forces and Moments in Column Base According to [1]

用于
  • 在模块 RF-/JOINTS Steel- Column Base 中的刚接柱脚
分享