11941x
001430
2017-04-12

在模块 RF-/JOINTS Steel- Column Base 中的刚接柱脚

结构不仅可以计算和计算内力和变形, Es ist auch sicherzustellen, dass die Kräfte und Momente im Tragwerk zuverlässig weitergeleitet und in das Fundament übergeben werden. Die Dlubal-Produktpalette bietet eine Reihe von Modulen, mit denen sich Stahl- und Holzverbindungen nachweisen lassen. So besteht in RF-/JOINTS Stahl - Stützenfuß die Möglichkeit, Fußpunkte von gelenkigen oder eingespannten Stahlstützen zu untersuchen. Die Stützenfußplatten können dabei mit oder ohne Steifen ausgeführt werden.

本文介绍了在混凝土杯口基础中柱集的截面设计实例。 这个例子在文献[1]中也有所描述。

系统

柱子的截面为 HEB 280 钢S 235 JR制造。

柱底的几何参数按照 [1] 在 RF-/JOINTS 的窗口 1.4 中设置。 选择的约束深度为 65 cm。

底板的参数在窗口 1.5 中定义。

内力

共有以下内力计算公式。
NEd = 396,0 kN
VEd = 21,5 kN
MEd = -118,0 kN

所需铲斗高度设计

主导值是基于混凝土强度的最小约束深度。

要求的最小约束深度为 54.86 cm。这是通过选择 65 cm 的深度来提供的。

柱截面承载力设计

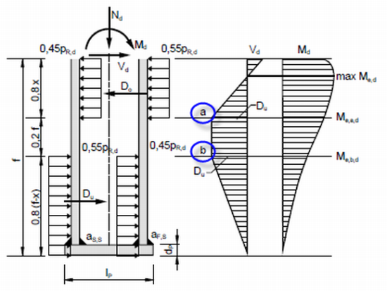
柱子中的力和弯矩按照 [1] 的分布对应于下面的分布:

最大弯矩的正应力计算如下:

对于最大剪应力,以下公式适用:

相应的应力和设计细节也可以在结果表中的截面承载力下找到。

内斗柱的设计

图 05 显示了与设计相关的位置。 受压一侧的 BB 截面起到了决定性的作用(图 5 中的点 b):

X 方向的正应力计算公式如下:

以下正应力作用在 Z 方向上:

对于最大剪应力,以下公式适用:

窗口 3.1 的设计详细信息包括相应的应力和利用率:

软件通过分析受压节点和焊缝来完成设计。但是,本文并未对此进行解释。

概述总结

RF-/JOINTS Steel - Column Base 允许您设计铰接和约束的柱基的基础。 当柱子设置在混凝土桶中时,附加模块会分析所需的桶高度、柱子的截面承载力,以及在产生的拉应力和压应力作用下柱子在基础内部的承载力. 通过对底座下的混凝土的抗压设计以及底座和柱之间的焊缝设计,完成了分析。


作者

Robert 负责技术文档。他确保内容结构清晰、表述易懂并且专业准确地传达。

链接
参考
下载


;