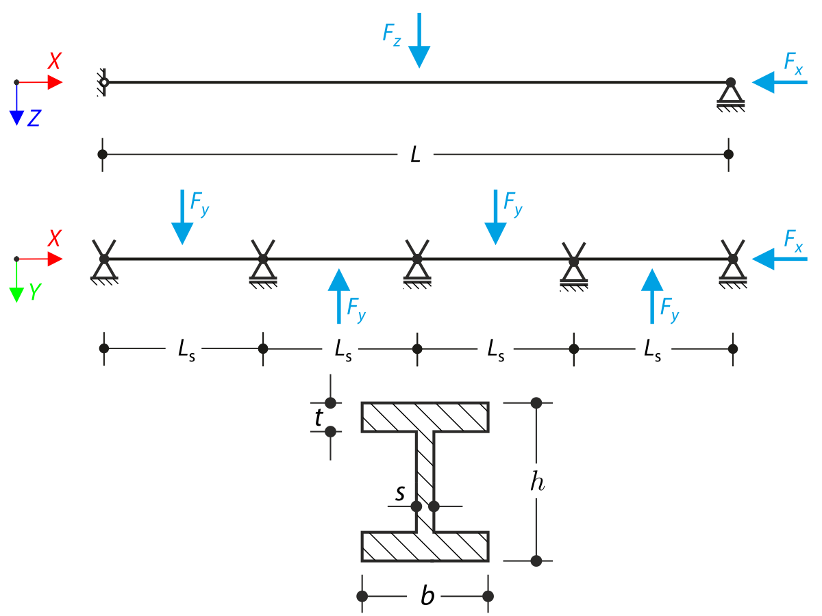
考虑轴力和翘曲的空间弯曲
考虑轴力和翘曲的空间弯曲
2024-07-09
048076
  • RFEM 6

考虑轴力和翘曲的空间弯曲

用于
  • VE0213 | 考虑轴力和翘曲的空间弯曲
分享