说明
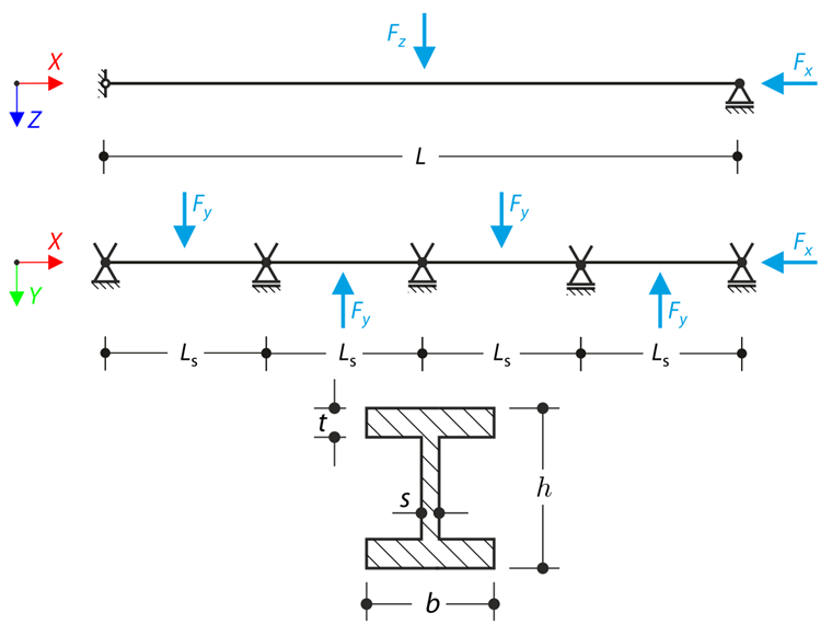
施加轴力和弯矩(缺陷替换)加载四跨连续梁。 All supports are fork - warping is free. Determine displacements uy and uz, moments My, Mz, Mω and MTpri and rotation φx. The verification example is based on the example introduced by Gensichen and Lumpe (see the reference).
| Material | Steel S355 | 弹性模量 | E | 210000.000 | MPa |
| 剪切模量 | G | 81000.000 | MPa | ||
| Geometry | Beam | 周长 | l | 12.000 | m |
| 跨度 | Ls | 3.000 | m | ||
| Cross-section | 高度 | [SCHOOL.] | 400.000 | mm | |
| 宽度 | B | 180.000 | mm | ||
| 腹板厚度 | S | 10.000 | mm | ||
| 翼缘厚度 | t | 14.000 | mm | ||
| Load | Transversal Forces | Fy, Fz | 31.000 | kN | |
| 轴力 | Fx | 1550.000 | kN | ||
Analytical Solution
Analytical solution is not available. Results from software S3D are taken as reference.
RFEM and RSTAB Settings
- Modeled in RFEM 6.05, RSTAB 9.05
- The element size is lFE= 0.300 m
- Isotropic linear elastic material model is used
- Second-Order Analysis and Large deformation Analysys is used
- Torsional Warping is used in RFEM 6 and RSTAB 9
结果输出
| Quantity | S3D | RFEM 6 - Second-Order Analysys | 比值 | RFEM 6 - Large Deformation Analysys | 比值 |
| uy,max [mm] | 12.600 | 13.334 | 1.058 | 13.242 | 1.051 |
| uz,max [mm] | 45.200 | 44.675 | 0.988 | 46.989 | 1.040 |
| φx,max [mrad] | 11.750 | 12.701 | 1.081 | 12.389 | 1.054 |
| My,max [kNm] | 163.000 | 162.084 | 0.994 | 165.738 | 1.017 |
| Mz,max [kNm] | 44.000 | 46.077 | 1.047 | 45.131 | 1.026 |
| MTpri,max [kNm] | 47.000 | 49.000 | 1.043 | 47.930 | 1.020 |
| MTsec,max [kNm] | 172.000 | 224.071 | 1.303 | 118.061 | 0.686 |
| Mω,max [kNm2] | 1.440 | 1.530 | 1.063 | 1.500 | 1.042 |
注释: This verification example is not available in Large Deformation Analysis in RSTAB 9 now.
| Quantity | S3D | RSTAB 9 - Second-Order Analysys | 比值 | RSTAB 9 - Large Deformation Analysys | 比值 |
| uy,max [mm] | 12.600 | 13.339 | 1.059 | - | - |
| uz,max [mm] | 45.200 | 44.660 | 0.988 | - | - |
| φx,max [mrad] | 11.750 | 12.845 | 1.093 | - | - |
| My,max [kNm] | 163.000 | 162.064 | 0.994 | - | - |
| Mz,max [kNm] | 44.000 | 45.251 | 1.028 | - | - |
| MTpri,max [kNm] | 47.000 | 49.435 | 1.052 | - | - |
| MTsec,max [kNm] | 172.000 | 137.759 | 0.801 | - | - |
| Mω,max [kNm2] | 1.440 | 1.536 | 1.067 | - | - |