DIBt 通讯 04/2017 中展示的承重模型属性和搭接连接的分析。
DIBt 通讯 04/2017 中展示的承重模型属性和搭接连接的分析。
2025-11-12
060083
  • RFEM 6

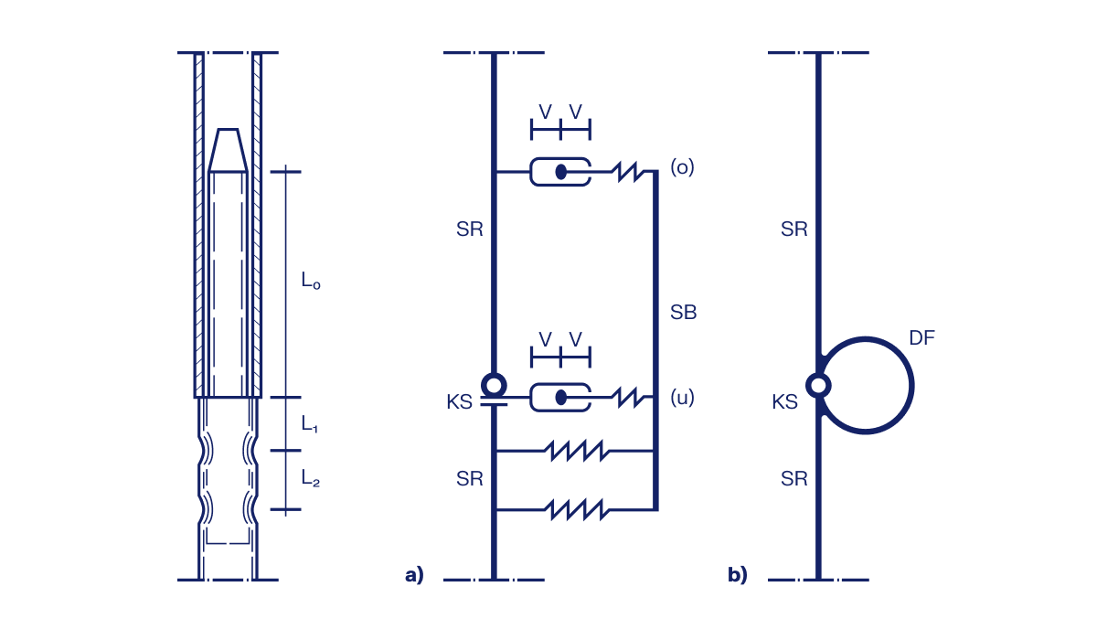
“搭接”结构模型(参照 DIBt 通讯 04/2017)

DIBt 通讯 04/2017 中展示的承重模型属性和搭接连接的分析。

用于
  • RFEM 6 / RSTAB 9 中根据 2017 年第 4 期 DIBt 通讯中的混合结构模型对脚手架立柱节点进行建模和设计
分享