178x
002006
2026-03-04

RFEM 6 / RSTAB 9 中根据 2017 年第 4 期 DIBt 通讯中的混合结构模型对脚手架立柱节点进行建模和设计

在这篇专业文章中,您将了解如何在 RFEM 6 / RSTAB 9 中根据 DIBt 通讯 4/2017 对脚手架的立柱接头进行建模和设计。

为实现许多建筑工程,需要脚手架,无论是作业脚手架、承重脚手架还是防护脚手架。为确保其稳定性、功能性和安全性,诸如 EN 12810 和 12811 等标准对脚手架的设计、计算和施工提出了特殊要求。

在此类脚手架建模与设计中,一个重要方面是对立杆接头的真实模拟。DIBt 通讯 04/2017 [1] 为此提供了一个实践导向的指南。

下文将根据 DIBt 通讯介绍脚手架铰接的建模原则。随后将借助一个应用示例,展示在 RFEM 6 / RSTAB 9 中对立杆接头的建模与设计。

根据 DIBt 通讯 04/2017 的脚手架铰接模型

脚手架立杆接头在弯曲与轴力共同作用下表现出高度非线性的变形行为。为了真实反映这些非线性,在 [1] 中规定了若干承载模型。下文将详细介绍 A 型立杆接头的承载模型。B 型立杆接头通常应基于试验结果进行评估,本文不作讨论。A 型和 B 型区分了两种不同的立杆接头制造方式。A 型中,接头销通过机械嵌固压入立杆管内。B 型中,接头销直接由立杆管本身成形。

A 型套接接头承载模型

套接接头承载模型考虑了立杆接头中的转动松弛,即接头销与后续立杆管之间的间隙。当施加弯矩时,首先必须克服转动松弛,之后才能有效传递弯矩。

由转动松弛产生的最大折角按下式计算。

其中 vo/u 为偏移量,其又可按下式计算。

其中:
Do/u...套接接头上部或下部立杆管的外径
to/u...套接接头上部或下部立杆管的壁厚
do/u...套接接头上部或下部接头销的外径

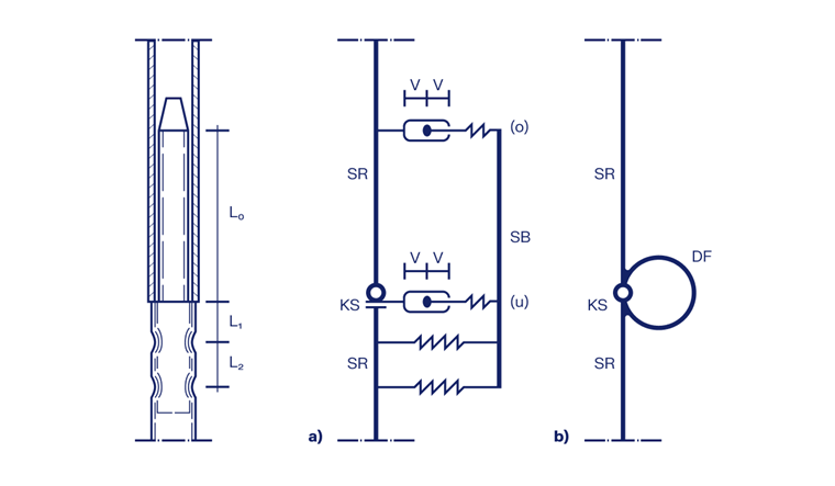
下图显示了套接接头的详细模型 (a) 和简化模型 (b)。

  • SR...立杆管
  • KS...接触接头
  • SB...接头销
  • DF...扭转弹簧

根据偏移量 v 和有效套接长度 L0,可按上述公式计算最大松弛折角 phiLose。在达到最大松弛折角之前,立杆接头不发生弯矩传递。达到最大松弛折角后,弯矩以扭转弹簧刚度 CSB,d 传递,直至最大转角 phimax。在 [1] 中规定扭转弹簧刚度为 CSB,d = 10000 kNcm/rad。根据构件技术认证,也可能采用其他数值。

接头销的最大抗弯承载力在套接接头承载模型中以 MSB,Rd 表示,最大轴力承载力以 NKS,Rd 表示。

A 型接触接头承载模型

接触接头承载模型考虑上、下立杆管接触面中的力传递。同时需考虑轴力与弯矩之间的相互作用。

在该承载模型中,立杆管之间的连接可视为刚性。

当一定的受压轴力与弯矩同时作用时,接触接头承载模型达到最大弯矩承载力 MKS,Rd。若作用压轴力过小,则由于弯曲会更早出现张开缝隙,且随着缝隙增大,接触接头承载模型会失去平衡。相反,过大的压轴力则会导致在弯曲与轴力共同作用下接触接头中应力过早超限。

当超过最大轴力承载力 NKS,Rd 或最大弯矩承载力 MKS,Rd 时,接触接头承载模型失效。其例外情况是,若作用轴力小于最大轴力承载力的 50%,则在达到最大弯矩承载力后,允许立杆管产生额外相对转角 phigrenz = 0,01 rad。

A 型混合承载模型

为实现立杆接头的经济且真实的建模,可将上述两种承载模型的特性组合为混合承载模型。在混合承载模型中,首先按照接触接头承载模型以刚性连接传递力。当达到 M,KS,Rd 时,过渡到套接接头承载模型。随后可承受附加弯矩 MSB,Rd,并因此发生立杆管的相对转动。

混合承载模型的 M-N-phi 相互作用可通过下图表示。

在 RFEM 6 / RSTAB 9 中建模

上述 A 型立杆接头的承载模型特性,可在 RFEM 6 或 RSTAB 9 中通过用于杆端铰的特殊非线性类型“Gerüst N”进行真实模拟。脚手架铰接影响铰接条件 ux、phiy 和 phiz。选择脚手架铰接后会出现另外两个选项卡。在“Gerüstdiagramm | Innenrohr”选项卡中定义套接接头的承载模型特性。在“Gerüstdiagramm | Außenrohr”选项卡中定义接触接头的承载模型特性。

应用示例

下文以 DIBt 建筑主管部门批准 Z-8.22-921 [2] 为例,对立杆接头的建模与设计进行说明。

已知以下参数:

几何参数:
Parameter Symbol Wert
外管直径 D 48,3 mm
外管壁厚 t 3,2 mm
内管直径 d 38 mm
内管壁厚 ti 4 mm
静力有效套接长度 L0 200 mm
螺栓尺寸 -- M12

材料参数:
Parameter Symbol Wert
立杆材料屈服强度 fy,d 0,32 kN/mm2
螺栓强度等级 -- 10.9

内力:
Parameter Symbol Wert
受压轴力 NEd (-) -80 kN
受拉轴力 NEd (+) 20 kN
弯矩 MEd 70 kNcm

承载力:
Parameter Symbol Wert
扭转弹簧刚度 CSB,d 9290 kNcm/rad
受压力承载力 NKS,Rd 83,2 kN
受拉承载力 ZRd 42,5 kN
接头销抗弯承载力 MSB,Rd 85,3 kNcm

脚手架铰接的建模

在 RFEM 6 / RSTAB 9 中定义“Gerüstdiagramm | Innenrohr”时,需要以下数值:

  • 由转动松弛产生的最大折角 phiLose

其中

  • 接头销中的抗弯承载力 MSB,Rd
  • 立杆接头中的最大折角 phimax

根据这些信息,即可按下图定义“Gerüstdiagramm | Innenrohr”。

在 RFEM 6 中定义“Gerüstdiagramm | Außenrohr”时,需要根据作用轴力确定接触接头中的抗弯承载力。为此,首先必须按下式确定通过 KS 可传递的最大弯矩 MKS,max

随后,弯矩承载力 MKS,Rd 随作用轴力的变化按如下方式计算(此处以作用轴力 80 kN 以及依据许可的受压力承载力 83,2 kN 为例):

由函数 MKS,Rd(NKS,Ed) 可按下图建立“Gerüstdiagramm | Außenrohr”。

至此输入完成,脚手架铰接的荷载-变形行为已在 RFEM 6 中得到真实模拟。

立杆接头的设计

接下来需要在给定内力 NEd (-) = -80 kN、NEd (+) = 20 kN 和 MEd = 70 kNcm 作用下验算立杆接头的承载力。根据 DIBt 通讯,应按下列公式验算弯矩与轴力承载力:

其中,弯矩承载力 MKS,Rd = 6,51 kNcm 可直接从“Gerüstdiagramm | Außenrohr”(见上图)读取。

此外,根据批准 [2],还需按下式验算受拉作用下的承载力:

结论

本文介绍了根据 [1] 的脚手架立杆接头承载模型。并结合应用示例说明了在 RFEM 6 和 RSTAB 9 中输入脚手架铰接的方法。通过考虑脚手架铰接的非线性荷载-变形行为,可以实现真实的内力计算。最后,依据建筑主管部门批准对立杆接头的承载力进行了验算。


作者

万克先生为德儒巴软件的客户提供技术支持。

参考


;