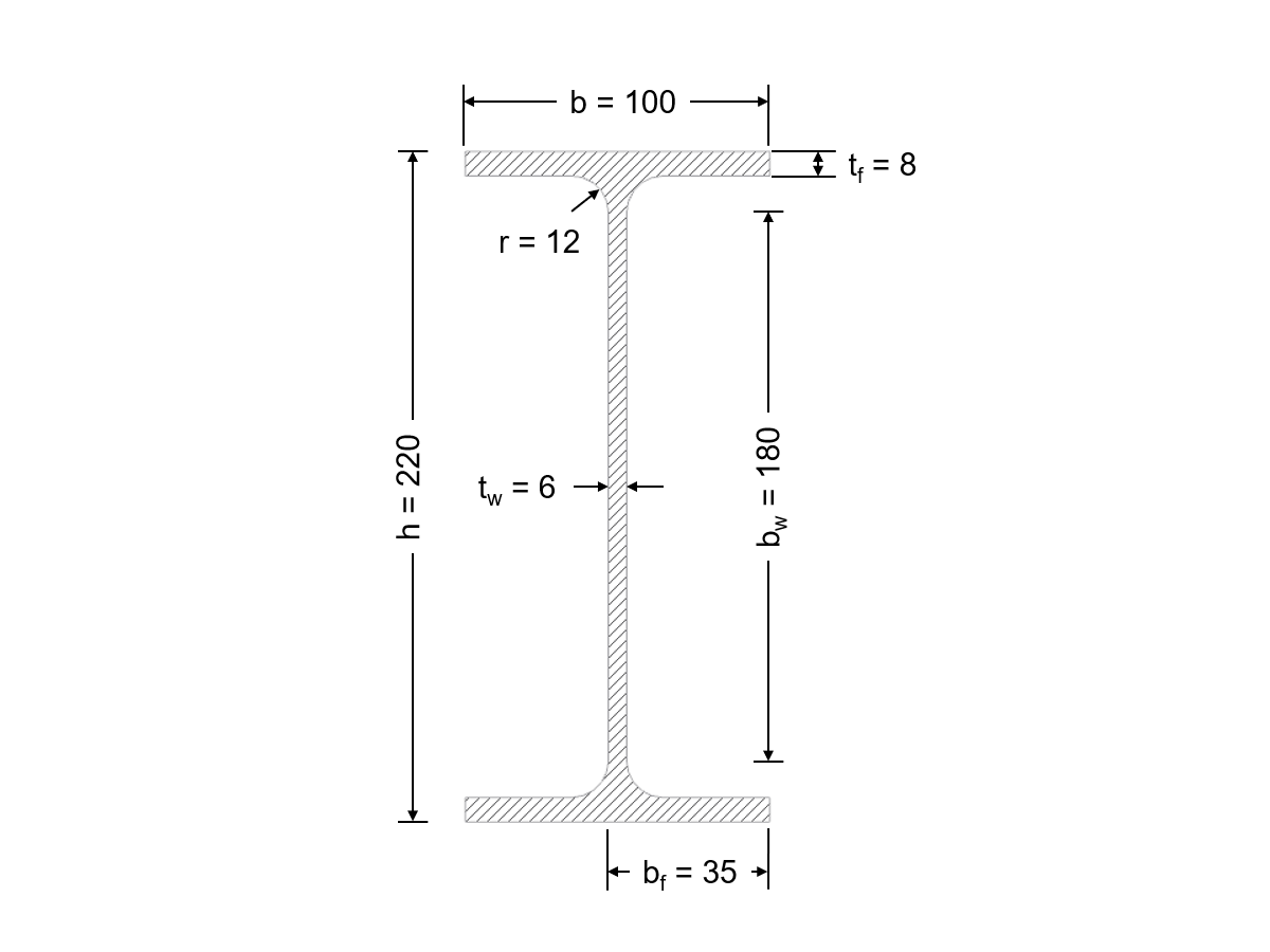
Abmessungen des Querschnitts in mm
Tipos básicos de piezas de sección
Sistema estructural y cargas
  • Visor 3D
  • Visor 3D | Babylon
  • Realidad virtual
Ventana 1.3 Secciones
Cuadro de diálogo Detalles, pestaña Estado límite último
Clasificación de la sección - flexión pura
Clasificación de la sección - compresión pura
Cuadro de diálogo c/t-Parts
Abmessungen des Querschnitts in mm
Tipos básicos de piezas de sección
Sistema estructural y cargas
Ventana 1.3 Secciones
Cuadro de diálogo Detalles, pestaña Estado límite último
Clasificación de la sección - flexión pura
Clasificación de la sección - compresión pura
Cuadro de diálogo c/t-Parts
30-05-2024
014718
  • RFEM 5
  • RF-ALUMINUM 5
  • RSTAB 8
    • ALUMINUM 8
    • Análisis y dimensionamiento de estructuras
    • Eurocode 9

Dimensiones de la sección en mm

Abmessungen des Querschnitts in mm

Usado en
  • Clasificación de secciones según EN 1999-1-1
Compartir
30-05-2024
014717
  • RFEM 5
  • RF-ALUMINUM 5
  • RSTAB 8
    • ALUMINUM 8
    • Análisis y dimensionamiento de estructuras
    • Eurocode 9
Tipos básicos de piezas de sección
Usado en
  • Clasificación de secciones según EN 1999-1-1
Compartir
30-05-2024
014719
  • RFEM 5
  • RF-ALUMINUM 5
  • RSTAB 8
    • ALUMINUM 8
    • Análisis y dimensionamiento de estructuras
    • Eurocode 9
Sistema estructural y cargas
Usado en
  • Clasificación de secciones según EN 1999-1-1
Modelo en 3D
Más sobre el modelo 3D
  • Sección en I en voladizo EN-AW 6082 (EP, ET, ER/B) T4
Especificaciones
Número de nudos 2
Número de líneas 1
Número de barras 1
Número de superficies 0
Número de sólidos 0
Número de casos de carga 2
Número de combinaciones de carga 1
Número de combinaciones de resultados 0
Peso completo 0,016 t
Dimensiones (métricas) 2,000 x 0,000 x 0,000 m
Dimensiones (imperiales) 6.56 x 0 x 0 feet
Compartir
30-05-2024
014720
  • RFEM 5
  • RF-ALUMINUM 5
  • RSTAB 8
    • ALUMINUM 8
    • Análisis y dimensionamiento de estructuras
    • Eurocode 9
Ventana 1.3 Secciones
Usado en
  • Clasificación de secciones según EN 1999-1-1
Compartir
30-05-2024
014721
  • RFEM 5
  • RF-ALUMINUM 5
  • RSTAB 8
    • ALUMINUM 8
    • Análisis y dimensionamiento de estructuras
    • Eurocode 9
Cuadro de diálogo Detalles, pestaña Estado límite último
Usado en
  • Clasificación de secciones según EN 1999-1-1
Compartir
30-05-2024
014722
  • RFEM 5
  • RF-ALUMINUM 5
  • RSTAB 8
    • ALUMINUM 8
    • Análisis y dimensionamiento de estructuras
    • Eurocode 9
Clasificación de la sección - flexión pura
Usado en
  • Clasificación de secciones según EN 1999-1-1
Compartir
30-05-2024
014723
  • RFEM 5
  • RF-ALUMINUM 5
  • RSTAB 8
    • ALUMINUM 8
    • Análisis y dimensionamiento de estructuras
    • Eurocode 9
Clasificación de la sección - compresión pura
Usado en
  • Clasificación de secciones según EN 1999-1-1
Compartir
30-05-2024
014724
  • RFEM 5
  • RF-ALUMINUM 5
  • RSTAB 8
    • ALUMINUM 8
    • Análisis y dimensionamiento de estructuras
    • Eurocode 9
Cuadro de diálogo c/t-Parts
Usado en
  • Clasificación de secciones según EN 1999-1-1
Compartir