26224x
001673
19-01-2021

Clasificación de secciones según EN 1999-1-1

La clasificación de las secciones transversales determina los límites de resistencia y capacidad de rotación frente al pandeo local de las partes de la sección. En la norma EN 1999‑1‑1, art. 6.1.4.2 (1), se definen cuatro clases.
  • Las secciones de clase 1 son aquellas que pueden formar una articulación plástica con la capacidad de giro necesaria para el análisis plástico sin reducción de la resistencia.
  • Las secciones de clase 2 son aquellas que pueden desarrollar la resistencia al momento plástico, pero tienen una capacidad de giro limitada debido al pandeo local.
  • Las secciones de clase 3 son aquellas en las que la tensión calculada en la fibra de compresión extrema de la barra de aluminio puede alcanzar su resistencia de prueba, pero es probable que el pandeo local impida el desarrollo del momento resistente plástico total.
  • Las secciones de clase 4 son aquellas en las que se producirá el pandeo local antes de alcanzar la tensión de prueba en una o más partes de la sección.

Tipos básicos de partes de la sección

La clasificación de una sección's depende de la relación anchura/espesor b/t de sus partes sometidas a compresión. Según EN 1999-1-1 [1], 6.1.4.2 (6), las partes de pared delgada se clasifican en los siguientes tipos básicos.

  • partes sobresalientes planas
  • partes internas planas
  • partes internas curvas

Estas partes pueden no estar reforzadas o estar reforzadas por nervios de refuerzo longitudinales, labios de borde o bulbos (Imagen 1).

parámetros de esbeltez

La susceptibilidad de una parte plana sin armadura al pandeo local se define mediante el parámetro β. Según EN 1999-1-1, 6.1.4.3 (1), tiene los siguientes valores.

  • partes internas planas sin gradiente de tensión o partes planas sobresalientes sin gradiente de tensión o pico de compresión en la base
    • β = b/t | EN 1999-1-1, apartado (6.1)
  • partes internas con un gradiente de tensiones que da como resultado una fibra neutra en el centro
    • β = 0,40 · b/t | EN 1999-1-1, apartado (6.2)
  • partes internas con gradiente de tensiones y partes sobresalientes con compresión máxima en el origen
    • β = η · b/t | EN 1999-1-1, apartado (6.3)

Donde

b Anchura de la parte de la sección
t Espesor de sección
η Coeficiente para el gradiente de tensiones(1)
ψ relación de las tensiones en los bordes de la placa considerada en relación con la tensión de compresión máxima(2)

(1) El coeficiente para el gradiente de tensiones se determina mediante las siguientes expresiones:
η = 0,70 + 0,30 · ψ para 1 ≥ ψ ≥ -1 | EN 1999-1-1, apartado (6.4)
η = 0,80/(1 - ψ) para ψ < -1 | EN 1999-1-1, (6.5)
(2) En general, la fibra neutra debería ser la fibra neutra elástica, pero se permite usar la fibra neutra plástica para comprobar si una sección es de clase 1 o 2.

Los parámetros de esbeltez para partes planas rigidizadas de la sección se dan en el punto (3) del apartado 6.1.4.3 de la Norma EN 1999-1-1.

El punto (4) del apartado 6.1.4.3 de la Norma EN 1999-1-1 contiene información sobre los parámetros de esbeltez para partes internas de la sección de curvas planas no rigidizadas coaccionadas en ambos lados. El punto (5) del apartado 6.1.4.3 de la Norma EN 1999-1-1 trata sobre los parámetros de esbeltez de las secciones tubulares de pared delgada.

Clasificación de las partes de la sección

Los parámetros de esbeltez calculados β se deben comparar con los valores límite β1 a β3, que se determinan según EN 1999-1-1, tabla 6.2 (véase a continuación).

  • ε = √(250/fo )
  • fo en N/mm²

Clasificación de materiales según la tabla 3.2 Parte interna Parte sobresaliente
β1 β2 β3 β1 β2 β3
Clase A, sin soldaduras 11 16 22 3 4.5 6
Clase A, con soldaduras 9 13 18 2,5 4 5
Clase B, sin soldaduras 13 16,5 18 3.5 4.5 5
Clase B, con soldaduras 10 13.5 15 3 3.5 4

La clasificación distingue entre vigas de flexión y barras de compresión. Los siguientes límites se definen en EN 1999-1-1, 6.1.4.4 (1).

Partes de la sección en vigas de flexión

  • β ≤ β1 → clase 1
  • β1 < β ≤ β2 → clase2
  • β2 < β ≤β3 → clase 3
  • β3 < β → clase 4

Partes de la sección en barras comprimidas

  • β ≤ β2 → clase 1 o 2
  • β2 < β ≤β3 → clase 3
  • β3 < β → clase 4

Cada parte de la sección que está total o parcialmente sometida a compresión se debe asignar a una clase de sección. La parte de la sección con la clase de sección más desfavorable determina la clase de toda la sección. La clasificación de secciones para componentes estructurales con flexión y esfuerzos longitudinales se debe realizar por separado para cada componente de carga según el apartado 6.3.3 de la Norma EN 1999-1-1. No se requiere clasificación para el estado de tensión combinado.

Ejemplo

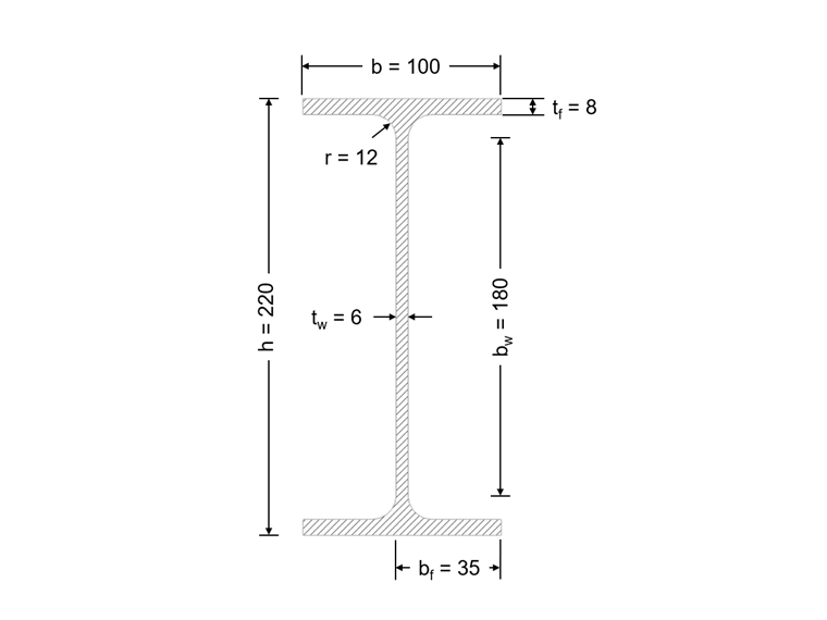
La clasificación se lleva a cabo para la sección en I que se muestra en la figura 02 para flexión pura y esfuerzo de compresión puro.

El sistema y la carga se muestran en la Imagen 03.

Material y dimensiones

  • EN-AW 6082 (EP, ET, ER/B) T4 | EN 1999-1-1, tabla 3.2b
  • fo = 110 N/mm²
  • fu = 205 N/mm²
  • Clase de pandeo B
  • ε = √(250/fo ) = √(250/110) = 1,508 | EN 1999-1-1, tabla 6.2
  • bw = h - 2 ∙ (tf + r) = 220 - 2 ∙ (8 + 12) = 180 mm
  • bf = 0,5 ∙ (b -tw - 2 ∙ r) = 0,5 ∙ (100 - 6 - 2 ∙ 12) = 35 mm

Clasificación de secciones - Flexión pura

Alma (interna, sin soldaduras, clase de pandeo B)

  • βw = 0,4 ∙bw/tw = 0,4 ∙ 180/6 = 12 | EN 1999-1-1, apartado (6.2)
  • β1 = 13 ∙ ε = 13 ∙ 1,508 = 19,6 | EN 1999-1-1, tabla 6.2
  • βw = 12 <β1 = 19,6

El alma se clasifica en la clase de sección 1.

Ala (en voladizo, sin soldaduras, clase de pandeo B)

  • βf =bf/tf = 35/8 = 4,38 | EN 1999-1-1, apartado (6.1)
  • β1 = 3,5 ∙ ε = 3,5 ∙ 1,508 = 5,28 | EN 1999-1-1, tabla 6.2
  • βf = 4,38 <β1 = 5,28

El alma se va a clasificar en la clase de sección 1.

Toda la sección se va a clasificar para flexión pura en la clase de sección 1.

Clasificación de secciones - Esfuerzo de compresión puro

Alma (interna, sin soldaduras, clase de pandeo B)

  • βw =bw/tw = 180/6 = 30 | EN 1999-1-1, apartado (6.1)
  • β3 = 18 ∙ ε = 18 ∙ 1,508 = 27,14 | EN 1999-1-1, tabla 6.2
  • βw = 30 >β3 = 27,14

El alma se clasifica en la clase de sección 4.

Ala (en voladizo, sin soldaduras, clase de pandeo B)

  • βf =bf/tf = 35/8 = 4,38 | EN 1999-1-1, apartado (6.1)
  • β2 = 4,5 ∙ ε = 4,5 ∙ 1,508 = 6,79 | EN 1999-1-1, tabla 6.2
  • βf = 4,38 <β2 = 6,79

El ala se va a clasificar en la clase de sección 1 o 2.

Toda la sección se va a clasificar para el esfuerzo de compresión puro en la clase de sección 4.

RF-/ALUMINIUM

RF-/ALUMINIUM determina las relaciones anchura/espesor de las partes de la sección sometidas a compresión y realiza la clasificación automáticamente. Alternativamente, la clase de sección se puede definir individualmente en la lista "Clasificación de la sección" de la ventana "1.3 Secciones" (figura 04). Las secciones que no están completamente cubiertas por las especificaciones de la norma se clasifican como "General" en RF-/ALUMINUM y se clasifican solo en la clase de sección 3 o 4.

RF-/ALUMINUM solo considera las partes de la sección sin rigidizar según EN 1999-1-1, figura 6.1 (a), así como las secciones tubulares de pared delgada según EN 1999-1-1, 6.1.4.3 (5). Las partes internas de la sección ligeramente curvadas, sin rigidizar, coaccionadas en ambos lados según EN 1999-1-1, 6.1.4.3 (4) solo se pueden considerar para el cálculo realizado con el método analítico simplificado. No se considera la influencia de los rigidizadores según EN 1999-1-1, 6.1.4.3 (3).

La clasificación de secciones para componentes estructurales con flexión y esfuerzos longitudinales se realiza por separado para cada componente de carga en RF-/ALUMINUM según EN 1999-1-1, 6.3.3. Sin embargo, también es posible realizar una clasificación para el estado de tensión combinado. Para hacer esto, desactive la casilla "Clasificar por separado los componentes de carga según 6.3.3 NOTA 1 y NOTA 2" en la pestaña "Estado límite último" del cuadro de diálogo "Detalles" (figura 05).

La clasificación de la sección en RF-/ALUMINIUM se muestra en detalle para cada parte de la sección cargada a compresión entre los valores intermedios. La clasificación de la sección de este ejemplo para flexión pura y compresión pura se muestra en las imágenes 06 y 07.


La numeración de las partes' de la sección se puede encontrar en el cuadro de diálogo "Partes c/t" (figura 08).


Autor

Sonja trabaja en Product Engineering y además presta apoyo en Customer Support. Su enfoque se centra en RSECTION, así como en la construcción en acero y aluminio, donde aporta sus conocimientos de forma específica.

Enlaces
Referencias


;