Alguns dos nossos artigos mais recentes da base de dados de conhecimento focam-se na modelação de barras com secções tubulares circulares e as suas ligações utilizando o RFEM 6 e o correspondente módulo Ligações de aço. Em dois, o KB 1887 e o KB 1899, já foi demonstrado como modelar algumas dessas ligações.
- KB 1887 | Modelação de uma ligação de chapa de extremidade simples no RFEM 6
- KB 1899 | Modelação de ligações tubulares reforçadas no módulo Ligações de aço
O primeiro artigo mostra como modelar uma ligação de chapa de extremidade simples de dois elementos com secções circulares ocas (ou seja, uma ligação com um banzo em anel), enquanto o segundo artigo mostra como modelar as mesmas ligações, mas reforçadas com nervuras. Na Figura 1, são apresentadas as duas ligações, a primeira em a) e a segunda em b).
No entanto, ao modelar e dimensionar tais ligações, é necessário considerar alguns aspetos importantes que podem afetar o seu desempenho. Uma delas é o impacto dos ligadores devido às forças de tração. Esta força é causada pela flexão da chapa de extremidade e pode originar um aumento da tensão dos parafusos e deformações plásticas. As ligações acima mencionadas são exemplos de ligações de aço que são suscetíveis a este efeito de alavanca, uma vez que se trata de ligações com uma chapa de extremidade na qual os parafusos se encontram fora da secção ligada.
O módulo Ligações de aço da Dlubal' pode captar com precisão o efeito de alavanca e incluí-lo nos resultados do modelo numérico (ou seja, forças nos parafusos, deformação plástica das chapas ligadas, deformação geral da ligação). Portanto, seria interessante analisar e comparar este efeito nas ligações do banzo mencionadas acima, como será feito neste artigo.
Mas primeiro, vamos ver como é que este problema é resolvido nos regulamentos de dimensionamento; mais especificamente no Eurocódigo 3 {%>#Refer [1]]]. De acordo com EC.3, Secção 6) de 6.2.4.1, nos casos onde podem ocorrer forças de alavanca, a resistência à tração de cálculo de um banzo em T deve ser considerada como o menor valor para os três modos de rotura possíveis:
- Modo 1: Flexibilidade completa do banzo
- Modo 2: Rotura de parafuso com fluência do banzo
- Modo 3: Rotura do parafuso
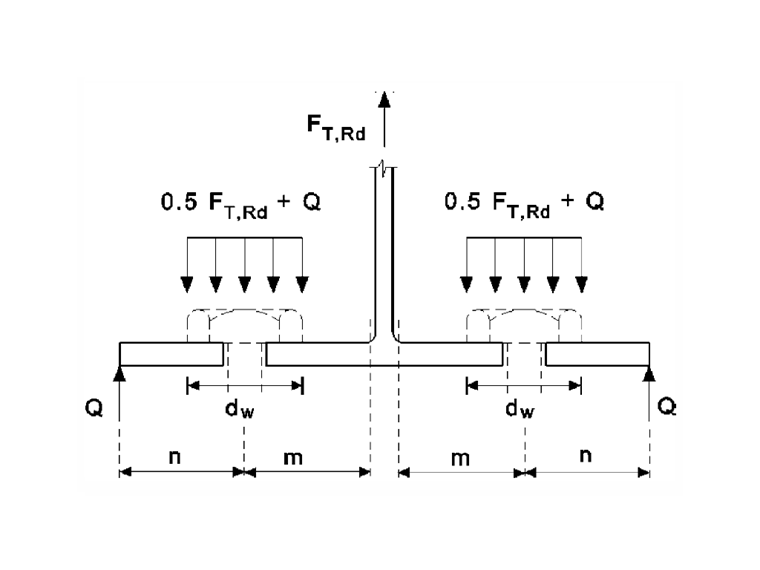
Cada um destes modos é detalhado na Tabela 6.2 de EC 3 {%>#Refer [1]]]. Uma breve descrição do conceito é dada na Figura 2, onde:
| Q | Força de alavanca, isto é, a força de contacto que pode ocorrer entre a borda livre e a fila de parafusos, aplicada como resultante da pressão de superfície no intervalo de contacto no ponto de fronteira da manga de banzo |
| FT,Rd | Resistência à tração de cálculo de um banzo de uma peça em T |
| dal | Diâmetro da anilha ou largura entre pontos da cabeça do parafuso ou da porca conforme relevante |
| n,m | Distâncias como indicado na figura |
Antes de continuarmos, também é necessário determinar os fatores que influenciam o efeito de alavanca. Estes serão a distância do parafuso à secção, a rigidez e a geometria da chapa de extremidade, a deformação do parafuso e a solução de soldadura.
Com isto em vista, podemos agora considerar o efeito de alavanca nas duas variantes das ligações em banzo de perfis CHS mencionadas no início deste texto. Para ampliar a consideração do tópico, adicionamos outra variante a eles: ou seja, também consideraremos o efeito de alavanca numa chapa de extremidade completa sem abertura, como apresentado na Figura 3.
Conforme mencionado anteriormente, o módulo Ligações de aço da Dlubal pode captar de forma realista o efeito de alavanca e incluí-lo nos resultados do modelo numérico. Por isso, podemos criar estas ligações (imagens 4, 5 e 6) no RFEM 6 e sujeitar o modelo a uma força de tração de 300 kN, conforme apresentado na Figura 7.
Em seguida, podemos executar o cálculo e obter as forças nos parafusos como mostra a Figura 8.
Para comparar o comportamento das três variantes, são utilizados coeficientes de efeito de alavanca, que são expressas como a relação entre a força total nos parafusos e a força aplicada. Uma vez determinado o primeiro, conforme apresentado na Figura 8, o efeito de alavanca para cada uma das variantes pode ser facilmente calculado, conforme apresentado na Tabela 1.
| Variante | Força de tração aplicada [kN] | Força de negrito total [kN] | kRFEM,1 |
|---|---|---|---|
| 1.º Banzo em anel | 300 | 515,3 | 1,72 |
| 2.º Chapa de extremidade completa | 300 | 423,8 | 1,41 |
| 3.º Banzo em anel reforçado | 300 | 300 | 1 |
Os coeficientes de alavanca determinados na Tabela 1 mostram claramente que a força de alavanca é mais alta na ligação quando são utilizados banzos em anel. Também podemos ver que uma chapa de extremidade sem abertura proporciona algum alívio, enquanto os reforços libertam de forma fiável os parafusos de forças de alavanca e reduzem a deformação plástica da chapa de extremidade. Uma vez que já determinamos quais os parâmetros que afetam a alavancagem, podemos concluir que para reduzir/eliminar este efeito seria necessária uma chapa de extremidade mais espessa e diâmetros dos parafusos maiores para a primeira variante quando são utilizados banzos em anel.
Por outro lado, a chapa de extremidade com o banzo em anel reforçado (ou seja, a variante 3) permaneceria mais fina, mas é necessário considerar que os reforços teriam de ser soldados, o que aumenta o custo da ligação. Se o efeito de alavanca for pequeno, pode não valer a pena soldar reforços. No entanto, se o efeito for significativo, pode não haver outra opção além do reforço da ligação. Uma vez que ambos os cenários têm impacto nos custos de produção, deve ser possível escolher a solução ideal para minimizar os custos de produção e, ao mesmo tempo, manter o bom desempenho da ligação.
Conclusão
O dimensionamento ideal de ligações desempenha um papel importante no dimensionamento de estruturas de aço. Portanto, é crucial compreender e considerar cuidadosamente os aspetos relevantes para o dimensionamento das ligações nestas estruturas. A força de alavanca é um dos fenómenos prejudiciais que não pode ser negligenciado no dimensionamento de ligações aparafusadas. Na maioria dos casos, em tipos de ligação que são propensos a alavancas, como os discutidos neste artigo, parâmetros como a espessura da placa, número e diâmetro dos parafusos etc., são determinados por este efeito. Isto deve-se ao facto de esses parâmetros afetarem a força de alavanca e devem ser escolhidos de tal forma que, por um lado, reduzam esse efeito, mas, por outro lado, também contribuam para o dimensionamento ideal da ligação (por exemplo, em termos de custo de produção).