3290x
001900
18.09.2024

Effet de levier dans les assemblages des semelle des sections creuses circulaires

Cet article traite et compare l’effet de levier dans trois types d’assemblages : un assemblage avec semelle circulaire, une platine d’about complète et une semelle circulaire raidie.

Certains de nos articles techniques récents se sont concentrés sur la modélisation de barres avec des sections creuses circulaires et leurs assemblages à l’aide de RFEM 6 et du module complémentaire Assemblages acier. Deux d'entre eux vous ont montré comment modéliser certains de ces assemblages :

Le premier article explique comment modéliser un assemblage par platine d’about simple de deux éléments avec des sections creuses circulaires (c'est-à-dire un assemblage avec semelle circulaire), tandis que le second explique comment modéliser les mêmes assemblages, mais rigidifiés avec des raidisseurs. La Figure 1 montre les deux assemblages, le premier sous a) et le second sous b).

Cependant, lors de la modélisation et de la vérification de tels assemblages, nous devons considérer des aspects importants qui pourraient affecter leur performance. L’un d’eux est l’effet de levier des fixations dû aux efforts de traction. Cette force est due à la flexion de la platine d’about et peut entraîner une augmentation des contraintes sur les boulons et des déformations plastiques. Les assemblages mentionnés ci-dessus sont des exemples d’assemblages en acier qui sont susceptibles de subir cet effet de levier, car il s’agit d’assemblages avec une platine d’about où les boulons sont à l'extérieur de la section assemblée.

Le module complémentaire Assemblages acier de Dlubal permet de saisir avec précision l’effet de levier et de l’inclure dans les résultats du modèle numérique (c'est-à-dire les efforts sur les boulons, la déformation plastique des plaques assemblées, la déformation globale de l’assemblage). Il est donc intéressant d’étudier et de comparer cet effet sur les assemblages de semelle mentionnés ci-dessus, comme cela sera fait dans cet article.

Tout d’abord, voyons comment ce problème est traité dans les normes de calcul, plus précisément dans l’Eurocode 3 [1]. Selon l’EC3, 6.2.4.1(6), dans le cas où des forces d’effet de levier peuvent survenir, la résistance de calcul en traction d’une semelle de tronçon en T doit être considérée comme la valeur la plus faible pour les trois modes de rupture possibles :

  • Mode 1 : Plastification totale de la semelle
  • Mode 2 : Rupture des boulons avec plastification de la semelle
  • Mode 3 : Rupture des boulons

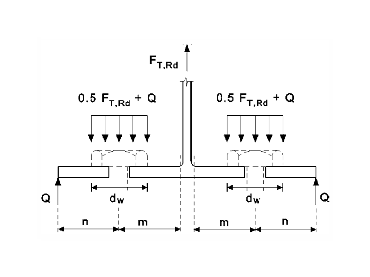
Chacun de ces modes est détaillé dans le Tableau 6.2 de l’EC 3 [1]. Le concept est décrit dans la Figure 2, où :

Q L’effet de levier, c’est-à-dire la force de contact pouvant survenir entre le bord libre et la rangée de boulons, appliquée comme la résultante de la pression surfacique dans l’espacement de contact au point de contour de la semelle de tronçon
FT,Rd Résistance de calcul en traction d’une semelle de tronçon en T
dw Diamètre de la rondelle ou la largeur à travers les points de la tête de boulon ou de l’écrou, selon le cas.
n, m Espacements indiqués sur la figure

Avant de poursuivre, nous devons également déterminer quels facteurs influencent l’effet de levier. Il s’agit de l’espacement entre le boulon et la section, de la rigidité et de la géométrie de la platine d’about, de la déformation du boulon et de la solution de soudage.

Dans ce contexte, nous pouvons maintenant considérer l’effet de levier dans les deux variantes d’assemblages de semelle des sections CHS mentionnées en début de texte. Pour élargir l’étude du sujet, nous leur ajoutons une autre variante : nous prendrons également en compte l’effet de levier dans une platine d’about complète sans ouverture, comme le montre la Figure 3.

Comme mentionné précédemment, le module complémentaire Assemblages acier permet de saisir de manière réaliste l’effet de levier et de l’inclure dans les résultats du modèle numérique. Nous pouvons donc créer ces assemblages (Figures 4, 5 et 6) dans RFEM 6 et soumettre le modèle à un effort de traction de 300 kN, comme le montre la Figure 7.




Nous pouvons ensuite effectuer le calcul et obtenir les efforts dans les boulons comme le montre la Figure 8.

Pour comparer le comportement des trois variantes, les coefficients d’effet de levier sont utilisés. Ils sont exprimés comme le rapport entre la force totale dans les boulons et la force appliquée. Une fois le premier déterminé comme le montre la Figure 8, l’effet de levier pour chacune des variantes peut être facilement calculé, comme le montre le Tableau 1.

Variante Effort de traction appliqué [kN] Effort de boulon total [kN] kRFEM,1
1. Semelle circulaire 300 515,3 1,72
2. Platine d’about complète 300 423,8 1,41
3. Semelle circulaire raidie 300 300 1

Les coefficients d’effet de levier déterminés dans le Tableau 1 montrent clairement que l’effet de levier est le plus élevée dans l’assemblage lorsque des semelles circulaires sont utilisées. Nous pouvons également voir qu’une platine d’about sans ouverture offre un certain soulagement, tandis que des raidisseurs soulagent de manière fiable les boulons des effets de levier et réduisent la déformation plastique de la platine d’about. Comme nous avons déjà déterminé quels paramètres affectent l’effet de levier, nous pouvons conclure que pour réduire/éliminer cet effet, une platine d’about épaisse et des diamètres de boulon plus grands seraient nécessaires pour la première variante lorsque des semelles circulaires sont utilisées.

En revanche, la platine d’about avec la semelle circulaire raidie (c’est-à-dire la variante 3) resterait plus mince, mais nous devons considérer que des raidisseurs devraient être soudés, ce qui augmente le coût de l’assemblage. Si l’effet de levier est faible, souder des raidisseurs n’est pas nécessaire. Cependant, si cet effet est important, renforcer l’assemblage est indispensable. Étant donné que les deux scénarios ont un impact sur les coûts de production, nous devons pouvoir choisir la solution optimale pour minimiser les coûts de production tout en conservant les bonnes performances de l’assemblage.

Conclusion

La conception optimale des assemblages joue un rôle important dans le calcul des structures en acier. Ainsi, il est essentiel de comprendre et de considérer soigneusement les aspects pertinents de la vérification des assemblages dans ces structures. L’effet de levier est un des phénomènes nocifs qui ne peuvent pas être négligés lors de la vérification des assemblages boulonnés. Dans la plupart des cas, dans les types d’assemblages sujets aux effets de levier, comme ceux décrits dans cet article, des paramètres tels que l’épaisseur de la plaque, le nombre et le diamètre des boulons, entre autres, sont déterminés par cet effet. En effet, ces paramètres ont un effet sur l’effet levier et doivent être choisis de manière, d’une part, à réduire cet effet, mais d’autre part, à contribuer à la vérification optimale de l’assemblage (par exemple, en termes de coût de production).


Auteur

Elle est responsable de la création d'articles techniques et fournit un support technique aux clients de Dlubal Software.

Références


;