1198x
001103
2020-01-02

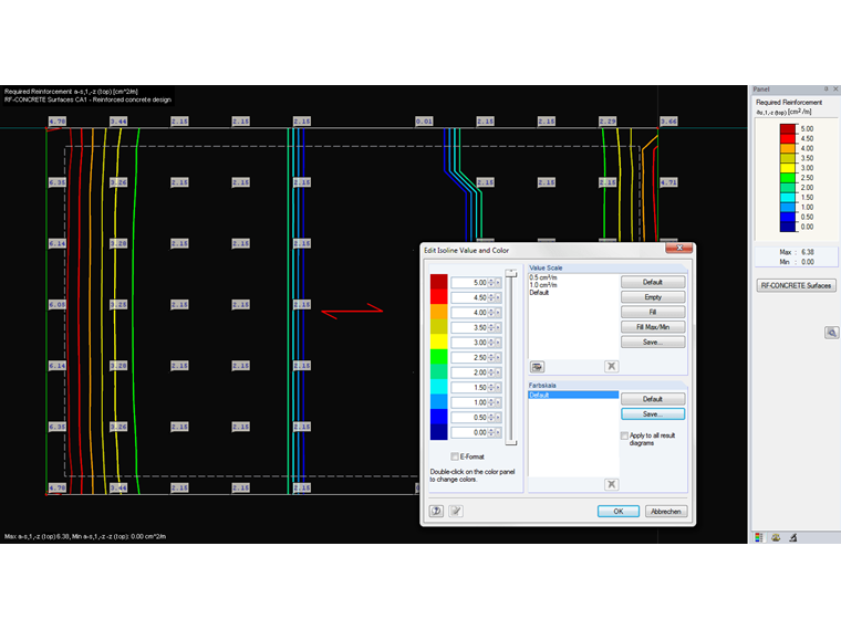
Intervalle der Isolinien

Можно ли в программе задавать численные значения интервалов изолиний (например, отобразить результаты изолиний для нижней арматуры as,1 с шагом 5,0 см²/м)?


Ответ:

Интервалы изолиний можно контролировать с помощью панели.

Durch einen Doppelklick auf die Farbskala im Panel können der Werte- und der Farbbereich benutzerdefiniert eingestellt werden. Es ist möglich, die Intervalle direkt durch Eingabe eines Zahlenwertes zu bestimmen. Alternativ kann hierbei auch der obere und untere Extremwert, welcher durch den Farbverlauf abgedeckt werden soll, eingestellt werden. Durch einen Klick auf die Schaltfläche [Ausfüllen] werden die Zahlenwerte für die einzelnen Zwischenwerte des Farbverlaufs interpoliert und automatisch ausgefüllt.

Die benutzerdefinierte Werteskala kann über die Schaltfläche [Sichern…] unter einer eigenen Bezeichnung abgespeichert werden.


Автор

Г-н Баумгертель осуществляет техническую поддержку пользователей Dlubal Software.

Ссылки
Скачивания


;