1198x
001103
2020-01-02

Intervalle der Isolinien

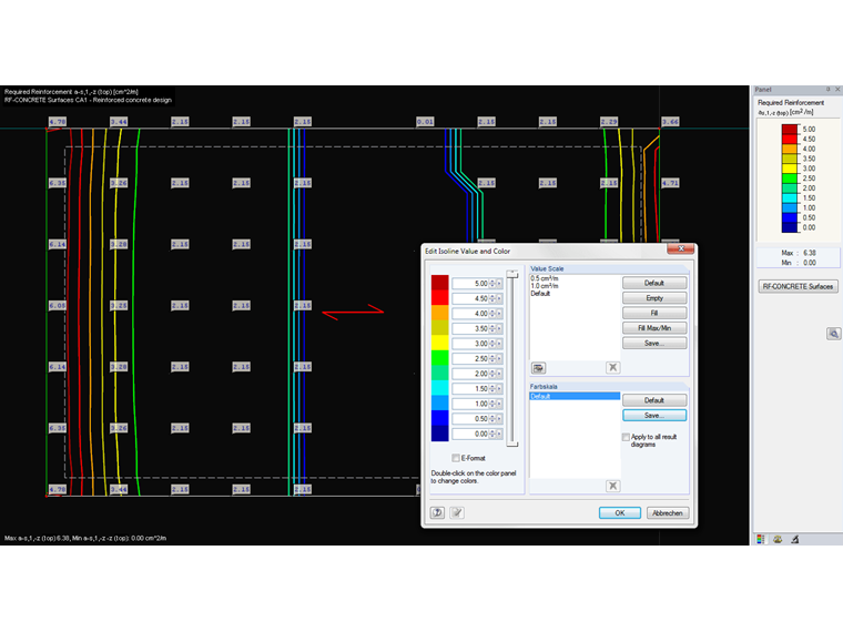
È possibile definire liberamente i valori numerici degli intervalli delle isolinee (ad esempio, visualizzazione dei risultati delle isolinee per l'armatura inferiore as,1 con incrementi di 5,0 cm²/m)?


Risposta:

È possibile controllare gli intervalli delle isolinee utilizzando il pannello.

Durch einen Doppelklick auf die Farbskala im Panel können der Werte- und der Farbbereich benutzerdefiniert eingestellt werden. Es ist möglich, die Intervalle direkt durch Eingabe eines Zahlenwertes zu bestimmen. Alternativ kann hierbei auch der obere und untere Extremwert, welcher durch den Farbverlauf abgedeckt werden soll, eingestellt werden. Durch einen Klick auf die Schaltfläche [Ausfüllen] werden die Zahlenwerte für die einzelnen Zwischenwerte des Farbverlaufs interpoliert und automatisch ausgefüllt.

Die benutzerdefinierte Werteskala kann über die Schaltfläche [Sichern…] unter einer eigenen Bezeichnung abgespeichert werden.


Autore

Il signor Baumgärtel fornisce supporto tecnico per i clienti Dlubal Software.

Link
Download


;