1198x
001103
02-01-2020

Intervalle der Isolinien

¿Es posible definir libremente los valores numéricos de los intervalos de isolíneas (por ejemplo, la visualización de resultados de las isolíneas para la armadura inferior as,1 en pasos de 5,0 cm²/m)?


Respuesta:

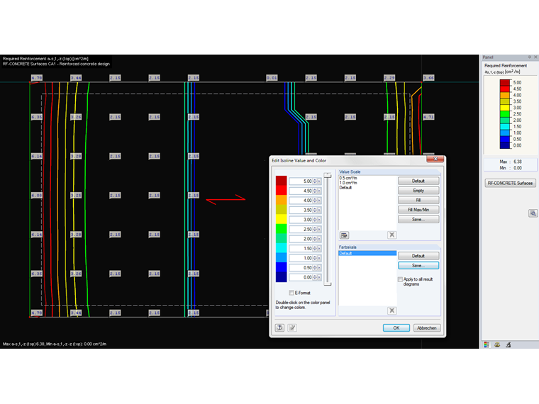
Puede controlar los intervalos de las isolíneas utilizando el panel.

Durch einen Doppelklick auf die Farbskala im Panel können der Werte- und der Farbbereich benutzerdefiniert eingestellt werden. Es ist möglich, die Intervalle direkt durch Eingabe eines Zahlenwertes zu bestimmen. Alternativ kann hierbei auch der obere und untere Extremwert, welcher durch den Farbverlauf abgedeckt werden soll, eingestellt werden. Durch einen Klick auf die Schaltfläche [Ausfüllen] werden die Zahlenwerte für die einzelnen Zwischenwerte des Farbverlaufs interpoliert und automatisch ausgefüllt.

Die benutzerdefinierte Werteskala kann über die Schaltfläche [Sichern…] unter einer eigenen Bezeichnung abgespeichert werden.


Autor

El Sr. Baumgärtel proporciona soporte técnico para los clientes de Dlubal Software.

Enlaces
Descargas


;