1198x
001103
2020-01-02

Intervalle der Isolinien

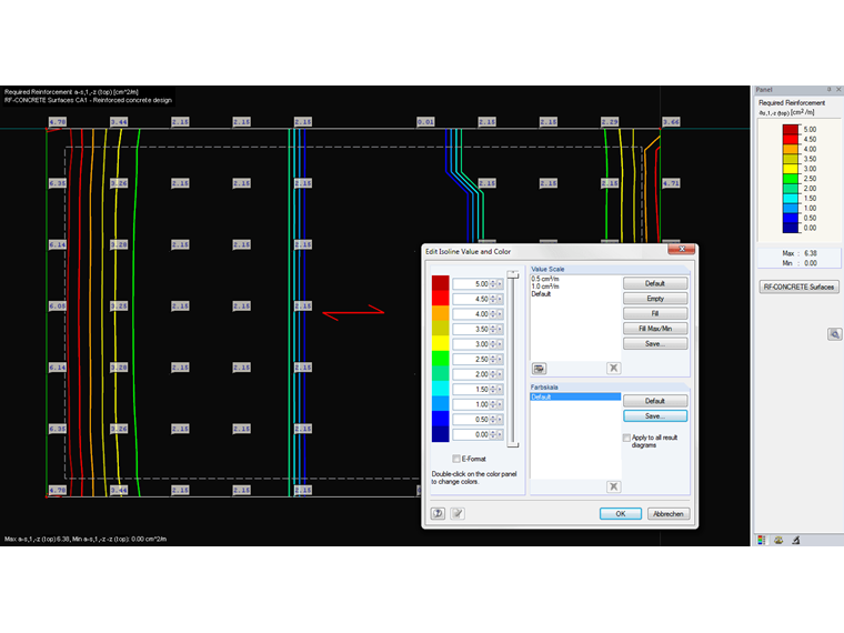
是否可以自由定义等值线间隔的数值(例如下部钢筋as,1的等值线结果显示,步长为5.0 cm²/m)?


回复:

您可以使用面板控制等值线的间隔。

Durch einen Doppelklick auf die Farbskala im Panel können der Werte- und der Farbbereich benutzerdefiniert eingestellt werden. Es ist möglich, die Intervalle direkt durch Eingabe eines Zahlenwertes zu bestimmen. Alternativ kann hierbei auch der obere und untere Extremwert, welcher durch den Farbverlauf abgedeckt werden soll, eingestellt werden. Durch einen Klick auf die Schaltfläche [Ausfüllen] werden die Zahlenwerte für die einzelnen Zwischenwerte des Farbverlaufs interpoliert und automatisch ausgefüllt.

Die benutzerdefinierte Werteskala kann über die Schaltfläche [Sichern…] unter einer eigenen Bezeichnung abgespeichert werden.


作者

Baumgärtel 先生为 Dlubal 软件的客户提供技术支持。

链接
下载


;