1198x
001103
2020-01-02

Intervalle der Isolinien

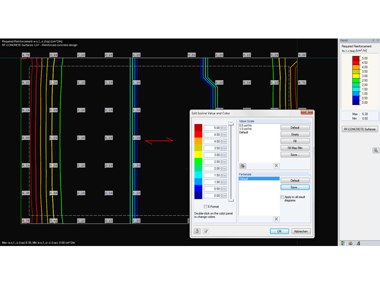
Czy można dowolnie definiować wartości liczbowe interwałów izolinii (np. wyświetlanie wyników izolinii dla dolnego zbrojenia as, 1 w krokach co 5,0 cm²/m)?


Odpowiedź:

Rozstawy izolinii można kontrolować za pomocą panelu.

Durch einen Doppelklick auf die Farbskala im Panel können der Werte- und der Farbbereich benutzerdefiniert eingestellt werden. Es ist möglich, die Intervalle direkt durch Eingabe eines Zahlenwertes zu bestimmen. Alternativ kann hierbei auch der obere und untere Extremwert, welcher durch den Farbverlauf abgedeckt werden soll, eingestellt werden. Durch einen Klick auf die Schaltfläche [Ausfüllen] werden die Zahlenwerte für die einzelnen Zwischenwerte des Farbverlaufs interpoliert und automatisch ausgefüllt.

Die benutzerdefinierte Werteskala kann über die Schaltfläche [Sichern…] unter einer eigenen Bezeichnung abgespeichert werden.


Autor

Pan Baumgärtel zapewnia wsparcie techniczne klientom firmy Dlubal Software.

Odnośniki
Pobrane


;