1198x
001103
02.01.2020

Intervalle des isolignes

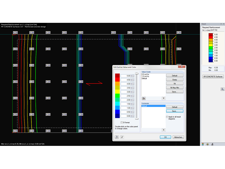
Est-il possible de définir librement les valeurs numériques des intervalles d’isolignes (par exemple, affichage des résultats des isolignes pour l’armature inférieure as1 par pas de 5,0 cm²/m) ?


Réponse:

Vous pouvez contrôler les intervalles des isolignes à l’aide du panneau.

Pour personnaliser les valeurs et l’échelle de couleurs, double-cliquez sur la plage de couleurs dans le panneau. Il est possible de déterminer directement les intervalles en spécifiant une valeur numérique. Vous pouvez également définir les valeurs extrêmes supérieure et inférieure pour couvrir l’échelle de couleurs. Cliquez sur [Remplir] pour interpoler et remplir automatiquement les valeurs numériques des différentes valeurs intermédiaires de l’échelle de couleurs.

Vous pouvez enregistrer l'échelle de valeurs définie par l’utilisateur en cliquant sur [Enregistrer] et en lui donnant un nom approprié.


Auteur

M. Baumgärtel fournit un support technique aux clients de Dlubal Software.

Liens
Téléchargements


;