2690x
000466
2021-01-26

Dimensionamento de gruas suspensas com CRANEWAY

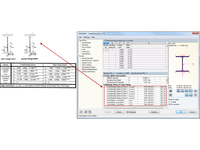
In KRANBAHN 8 ist eine Bemessung von Hängekranen nach EN 1993-6 möglich. Für den Nachweis ist es nötig, die lokalen Biegespannungen im Unterflansch infolge Radlasten nach EN 1993-6, Kap. 5.8 zu ermitteln.

O cálculo dos coeficientes necessários de acordo com a Tab. 5.2 está implementado no CRANEWAY. Além disso, é necessário sobrepor as respetivas tensões globais com as tensões locais devido às cargas de roda na análise estrutural.

De acordo com a NCI (Alemanha) à cláusula 5.8 da EN 1993‑6, as tensões locais podem ser reduzidas para 75 por cento nesta sobreposição. Se selecionar o Anexo Nacional Alemão no CRANEWAY, o programa considera esta redução automaticamente.


Autor

O Eng. Flori é quem lidera a equipa de apoio ao cliente e também providencia apoio técnico para os clientes da Dlubal Software.

Ligações


;