2689x
000466
26.01.2021

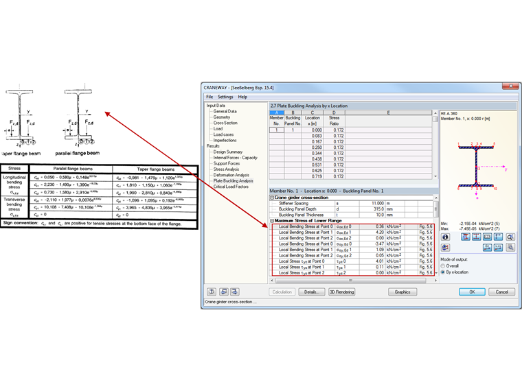
Vérification de ponts roulants suspendus avec CRANEWAY

CRANEWAY 8 permet de vérifier des ponts roulants suspendus selon l’EN 1993-6. Pour la vérification, les contraintes de flexion locales dans la semelle inférieure dues aux charges de roue doivent être déterminées selon l’EN 1993-6, 5.8.

Le calcul des coefficients nécessaires selon le tableau 5.2 est implémenté dans CRANEWAY. De plus, les contraintes globales respectives doivent être superposées aux contraintes locales dues aux charges de roue dans le calcul de structure.

Selon le NCI (Allemagne) de l'EN 1993-6, 5.8, les contraintes locales peuvent être réduites à 75 % dans cette superposition. Si vous sélectionnez l’Annexe Nationale allemande dans CRANEWAY, le logiciel considère cette réduction automatiquement.


Auteur

M. Flori est le responsable de l'équipe du support client et fournit également une assistance technique aux clients de Dlubal Software.

Liens


;