11943x
001430
2017-04-12

Sztywne słupy w RF-/JOINTS Steel - Column Base

Analiza statyczno-wytrzymałościowa nie tylko definiuje i oblicza siły wewnętrzne i odkształcenia. Zapewnia także to, że siły i momenty w konstrukcji są generowane w wiarygodny sposób i mają zastosowanie w fundamentach. Dlubal Software oferuje szeroką gamę produktów do analizy statyczno-wytrzymałościowej połączeń stalowych i drewnianych. So besteht in RF-/JOINTS Stahl - Stützenfuß die Möglichkeit, Fußpunkte von gelenkigen oder eingespannten Stahlstützen zu untersuchen. Die Stützenfußplatten können dabei mit oder ohne Steifen ausgeführt werden.

W artykule przedstawiono przykładowe wymiarowanie przekroju zbioru słupów w betonowym fundamencie kubełkowym. Ten przykład jest również opisany w literaturze [1].

Układ konstrukcyjny

Słup ma przekrój HEB 280 ze stali S 235 JR.

Parametry geometrii podstawy słupa są ustawiane w oknie 1.4 modułu RF-/JOINTS zgodnie z [1]. Wybrana głębokość stężeń wynosi 65 cm.

Parametry płyty podstawy są zdefiniowane w oknie 1.5.

Siły wewnętrzne

Dostępne są następujące obliczeniowe siły wewnętrzne.
NEd = 396,0 kN
VEd = 21,5 kN
MEd = -118,0 kN

Obliczenia wymaganej głębokości łyżki

Wartością nadrzędną jest minimalna głębokość stężenia oparta na wytrzymałości betonu.

Wymagana jest minimalna głębokość utwierdzenia 54,86 cm. Zapewnia to wybrana głębokość 65 cm.

Obliczanie nośności przekroju słupa

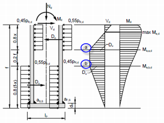
Rozkład sił i momentów w słupie odpowiada następującemu rozkładowi, zgodnie z [1].

Naprężenie normalne od momentu maksymalnego oblicza się w następujący sposób:

Dla maksymalnego naprężenia stycznego obowiązuje:

Odpowiednie naprężenia i szczegóły obliczeniowe można również znaleźć w tabeli wyników w części Nośność przekroju.

Wymiarowanie słupa wewnątrz czerpaka

Rysunek 05 pokazuje lokalizacje istotne dla obliczeń. Decydujący jest przekrój BB po stronie pod ciśnieniem zginania (punkt b na rysunku 5):

Naprężenie normalne w kierunku X oblicza się w następujący sposób:

W kierunku Z działa następujące naprężenie normalne:

Dla maksymalnego naprężenia stycznego obowiązuje:

Szczegóły obliczeń w Oknie 3.1 zawierają odpowiednie naprężenia i stopnie:

Program kończy wymiarowanie poprzez analizę połączenia ściskanego i spoin. Nie zostały one jednak wyjaśnione w tym artykule.

Uwagi końcowe

Moduł RF-/JOINTS Steel - Column Base umożliwia wymiarowanie przegubowych i utwierdzonych podstaw słupów. W przypadku zbioru słupów w betonowym pojemniku moduł dodatkowy analizuje wymaganą wysokość pojemnika, nośność przekroju słupa oraz nośność słupa wewnątrz stopy z uwzględnieniem naprężeń rozciągających i ściskających . Analiza jest zakończona wymiarowaniem betonu pod stopą przy ściskaniu oraz wymiarowaniem spoin między stopą a słupem.


Autor

Robert odpowiada za dokumentację techniczną. Dba o to, aby treści były jasno uporządkowane, zrozumiale opracowane i przekazywane z fachową precyzją.

Odnośniki
Odniesienia
Pobrane


;