11941x
001430
12.4.2017

Vetknutý sloup v modulu RF-/JOINTS Steel – Column Base

Při statickém posouzení konstrukce se nepočítají a nevyhodnocují pouze vnitřní síly a deformace. Je také třeba zajistit, aby se síly a momenty v konstrukci spolehlivě přenášely dále do základů. Dlubal Software nabízí širokou škálu produktů pro statické výpočty ocelových a dřevěných spojů. Modul RF-/JOINTS Steel – Column Base slouží k posouzení patek kloubově uložených nebo vetknutých ocelových sloupů. Patní desky sloupů lze přitom navrhnout s výztuhami či bez výztuh.

V našem příspěvku předvedeme posouzení průřezu u sloupu, který je zabetonován do kalichového základu. Tento příklad najdeme také v níže uvedené literatuře [1].

Systém

Sloup bude mít průřez HEB 280 a bude zhotoven z oceli S 235 JR.

V dialogu 1.4 modulu RF-/JOINTS zadáme geometrii patky sloupu podle [1]. Pro hloubku vetknutí nastavíme 65 cm.

Parametry patní desky se definují v dialogu 1.5.

Vnitřní síly

Návrhové vnitřní síly dosahují následujících hodnot.
NEd = 396,0 kN
VEd = 21,5 kN
MEd = -118,0 kN

Posouzení požadované hloubky kalichu

Rozhodující je minimální hloubka vetknutí, která je dána pevností betonu.

Minimální požadovaná hloubka vetknutí činí 54,86 cm, která je při zvolené hloubce 65 cm zajištěna.

Posouzení průřezu sloupu na únosnost

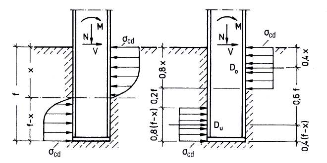
Průběh sil a momentů v patce sloupu odpovídá podle [1] následujícímu rozložení.

Normálové napětí od maximálního momentu se stanoví následovně:

Pro maximální smykové napětí platí:

Odpovídající napětí a detaily posouzení lze najít také v údajích o únosnosti průřezu.

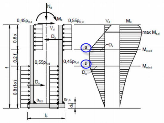
Posouzení sloupu v kalichu

Na obrázku 05 jsou znázorněna místa relevantní pro posouzení. Jako rozhodující lze určit řez B-B na straně namáhané ohybem a tlakem (místo b na obrázku 05):

Normálové napětí ve směru osy X se vypočítá následovně:

Ve směru osy Z působí následující normálové napětí:

Pro maximální smykové napětí platí:

V detailech posouzení v dialogu 3.1 lze najít příslušná napětí a využití:

Posouzení v programu se doplní o analýzu spoje v tlačené oblasti a o posouzení svarů, v našem příspěvku je ovšem ponecháme stranou.

Závěr

V modulu RF-/JOINTS Steel – Column Base se posuzují patky kloubově uložených i vetknutých sloupů. V případě sloupu zabetonovaného do kalichového základu prověří modul požadovanou hloubku kalichu, únosnost průřezu sloupu a také únosnost sloupu v patce s ohledem na působící tahová a tlaková napětí. Analýza je doplněna o posouzení únosnosti betonu v tlaku pod patní deskou a o posouzení svarů mezi patní deskou a sloupem.


Autor

Robert zodpovídá za technickou dokumentaci. Zajišťuje, aby byl obsah jasně strukturovaný, srozumitelně zpracovaný a odborně přesně předávaný.

Odkazy
Reference
Stahování


;