11943x
001430
2017-04-12

Colonne rigide in RF / JOINTS Steel - Base colonna

Un'analisi strutturale non determina e verifica solo le forze interne e gli spostamenti generalizzati. Es ist auch sicherzustellen, dass die Kräfte und Momente im Tragwerk zuverlässig weitergeleitet und in das Fundament übergeben werden. Die Dlubal-Produktpalette bietet eine Reihe von Modulen, mit denen sich Stahl- und Holzverbindungen nachweisen lassen. So besteht in RF-/JOINTS Stahl - Stützenfuß die Möglichkeit, Fußpunkte von gelenkigen oder eingespannten Stahlstützen zu untersuchen. Die Stützenfußplatten können dabei mit oder ohne Steifen ausgeführt werden.

Questo articolo presenta un esempio di verifiche di sezioni trasversali di una colonna inserita in una fondazione a bicchiere di calcestruzzo. Questo esempio è anche descritto in letteratura [1].

sistema strutturale

La colonna è una sezione trasversale HEB 280 in acciaio S 235 JR.

I parametri della geometria della base della colonna sono impostati nella finestra 1.4 di RF-/JOINTS in conformità con [1]. L'altezza del vincolo selezionata è di 65 cm.

I parametri della piastra di base sono definiti nella Finestra 1.5.

forze interne

Sono disponibili le seguenti forze interne di progetto.
NEd = 396,0 kN
VEd = 21,5 kN
MEd = -118,0 kN

Verifica dell'altezza della benna richiesta

Il valore determinante è l'altezza minima di vincolo basata sulla resistenza del calcestruzzo.

È necessaria l'altezza minima di vincolo di 54,86 cm. Ciò è fornito dalla profondità selezionata di 65 cm.

Verifica della resistenza della sezione della colonna

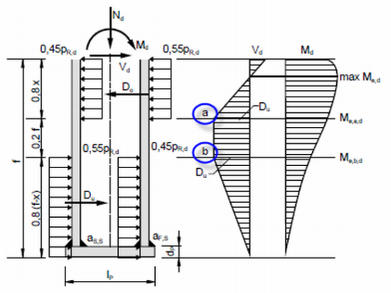
La distribuzione della forza e del momento nella colonna corrisponde alla seguente distribuzione, secondo [1].

La tensione normale dal momento massimo è calcolata come segue:

Per la massima tensione tangenziale, si applica quanto segue:

Le tensioni corrispondenti e i dettagli di progetto si possono trovare anche nella tabella dei risultati in Resistenza della sezione trasversale.

Verifica della benna interna della colonna

La Figura 05 mostra le posizioni rilevanti per la verifica. La sezione BB sul lato della pressione di flessione risulta essere decisiva (punto b nella Figura 5):

La tensione normale in direzione X è calcolata come segue:

La seguente tensione normale agisce in direzione Z:

Per la massima tensione tangenziale, si applica quanto segue:

I Dettagli di verifica della finestra 3.1 includono le tensioni e i rapporti corrispondenti:

Il programma completa la verifica analizzando il giunto in compressione e le saldature. Tuttavia, questi non sono spiegati in questo articolo.

Conclusione

RF-/JOINTS Steel - Column Base consente di progettare fondazioni di pilastri incernierati e vincolati. Nel caso di una colonna in una benna di calcestruzzo, il modulo aggiuntivo analizza l'altezza richiesta della benna, la resistenza della sezione della colonna e la resistenza della colonna all'interno della fondazione per quanto riguarda le tensioni di trazione e di compressione emergenti . L'analisi è completata dalla verifica del calcestruzzo sotto la piastra di base in compressione e dalla verifica delle saldature tra la piastra di base e la colonna.


Autore

Robert è responsabile della documentazione tecnica. Si assicura che i contenuti siano strutturati in modo chiaro, presentati in maniera comprensibile e trasmessi con precisione tecnica.

Link
Bibliografia
Download


;