9136x
001449
2017-06-07

угол поворота стержня

В пространственных конструкциях положение стержня играет важную роль для определения внутренних сил. Die Ausrichtung der Stabachsen kann zum einen durch einen globalen Querschnittsdrehwinkel, zum anderen durch einen stabspezifischen Stabdrehwinkel definiert werden. Diese beiden Winkel werden addiert, um die Lage der Stab-Hauptachsen im 3D-Modell festzulegen.

В этой статье описывается, как программы RFEM и RSTAB автоматически устанавливают положение стержня и при необходимости его можно отрегулировать с помощью углов поворота стержня.

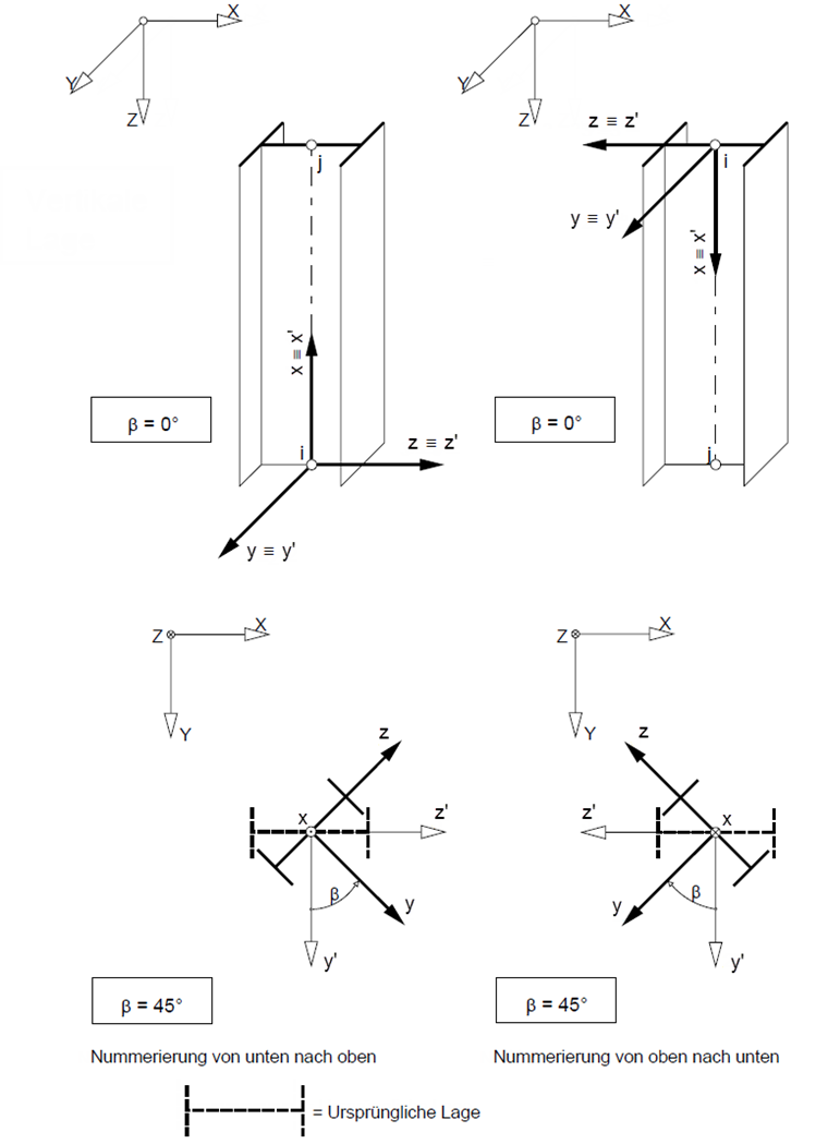
Оси локальных стержней

Связанная со стержнем система координат с осями x, y и z определяется как прямоугольная с правыми винтами. Локальная ось стержня x всегда представляет собой центральную ось стержня. Он соединяет начальный узел с конечным узлом, в то время как положительное направление оси x ориентировано от начального узла i к конечному узлу j стержня. В случае симметричных сечений местные оси y и z представляют собой главные оси стержня (эти оси обозначаются как u и v в случае асимметричных сечений). Ось y - это «большая» ось сечения.

Угол поворота стержня β

Если стержень вращается вокруг своей продольной оси, это вращение можно определить с помощью угла β. Положение и, следовательно, локальная система координат стержня xyz четко описываются путем задания начального узла i и конечного узла j, а также угла поворота β.

Затем программа автоматически определяет положение локальных осей y и z: Ось z расположена в пространстве таким образом, что Z ‑ часть стрелки направления, относящейся к глобальной системе координат, всегда указывает на положительное глобальное направление Z. Затем ось y получается по правилу правой руки. Из этого положения стержень можно повернуть, используя угол поворота β, который указывает поворот локальной системы x, y, z относительно системы отсчета x ', y ', z '. В случае настройки по умолчанию β = 0 °, система отсчета одновременно является местной системой. В случае положительного угла β направления y и z вращаются вокруг оси продольного стержня (местной оси x), как и в случае правого винта.

Если локальная система xyz повернута вправо на 90 °, ось y находится в положении оси z перед поворотом.

На рисунке 02 показано левостороннее вращение. В этом случае угол β следует ввести как отрицательный.

Ориентация стержня в случае негоризонтального положения стержня

Если стержень находится в горизонтальном положении, ориентация и поворот ясны, как показано на рисунке 02. Однако, если элемент расположен в пространстве, программа ориентирует элемент в соответствии со следующими правилами.

Для угла поворота стержня β = 0 ° возможны два случая.

1-й Дело: Общее положение стержня, β = 0 °
Базовая ось y ' параллельна глобальной плоскости XY. Базовая ось z 'перпендикулярна осям x' и y ', в то время как ее Z ‑ компонента всегда указывает в направлении глобальной оси Z. Если ось Z определена вниз в общих данных, она указывает в направлении положительной компоненты Z; если ось Z направлена вверх, она указывает в направлении отрицательной Z-компоненты. Направления осей подчиняются правилу правой руки.

Второй Дело: Вертикальное положение стержня, β = 0 °
Базовая ось y ' указывает в направлении глобальной оси Y. Ось z получается с помощью правила правой руки; если β = 0 °, он указывает в направлении глобальной оси X.

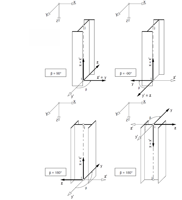
Для угла поворота стержня ± 90 ° и 180 ° программа применяет следующие допущения для стержней в вертикальном положении:

Стержень можно повернуть вокруг продольной оси этого стержня, используя угол поворота β. Положительный угол соответствует повороту оси y в направлении оси z. Для ориентации оси важно, определяется ли стержень сверху вниз или снизу вверх (см. Рисунок 04 и рисунок 05).

Изменение оси стержня из-за положения стержня

Если ось «прыгает» в случае несущего неразрезного стержня, причиной обычно является автоматическая классификация положения стержня: Положение неразрезного стержня классифицируется как «вертикальное», а положение соединенных стержней - как «общее». Общее положение стержня применяется, если есть (минимально) разные координаты X и Y для узлов определения стержня, поэтому стержень слегка наклонен.

Переменные оси усложняют определение местных нагрузок на стержни и несовершенств. Они также влияют на символы и знаки внутренних сил.

В частности, при импорте модели DXF может случиться так, что координаты X и Y узлов определения не будут идентичны всем десятичным разрядам. Это можно исправить вручную. Лучше всего компенсировать отклонения с помощью опции программы «Восстановить модель», которая также позволяет задавать допуски, задаваемые пользователем.

Заключение

В 3D-модели ориентация стержня важна для жесткости модели, а также для задания местных нагрузок. При вводе стержня система местных осей автоматически определяется на основе узлов определения. Затем можно настроить ориентацию оси с помощью угла поворота стержня. RFEM и RSTAB позволяют быстро и надежно проверить положение стержня в 3D-рендеринге.


Автор

Г-н Фогль создает и ведет техническую документацию всех наших продуктов.

Ссылки
Ссылки
Скачивания


;