9698x
001449
7.6.2017

Úhel natočení prutu

V prostorových konstrukcích hraje poloha prutu důležitou roli při výpočtu vnitřních sil. Orientaci os prutu lze zaprvé stanovit globálním úhlem natočení průřezu, zadruhé pak specifickým úhlem natočení prutu. Ze součtu obou uvedených úhlů se určí poloha hlavních os prutu ve 3D modelu.

V našem příspěvku popíšeme, jak se poloha prutu stanoví v programu RFEM a RSTAB automaticky a jak ji lze v případě potřeby upravit zadáním úhlu natočení prutu.

Lokální osy prutu

Souřadný systém prutu s osami x, y a z je pravoúhlý a pravotočivý. Lokální osa x prutu se vždy shoduje s těžišťovou osou prutu a spojuje počáteční uzel s koncovým uzlem. Kladný směr osy x je přitom dán od počátečního uzlu i ke koncovému uzlu j prutu. U symetrických průřezů představují lokální osy y a z hlavní osy prutu (u nesymetrických průřezů se tyto osy označují jako u a v). Osa y je přitom osa průřezu s větší tuhostí.

Úhel natočení prutu β

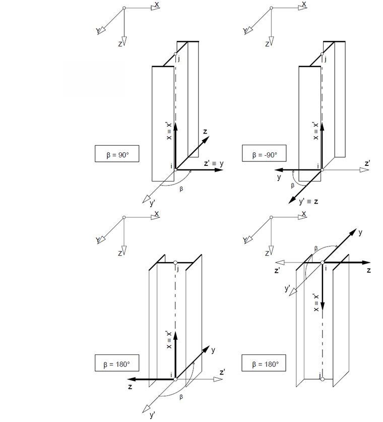
Pokud je prut pootočen okolo své podélné osy, můžeme zadat pro toto natočení příslušný úhel β. Počátečním uzlem i a koncovým uzlem j a dále stanoveným úhlem natočení β je jednoznačně popsána poloha, a tím i lokální souřadný systém prutu xyz.

Polohu lokálních os y a z stanoví program nejdříve automaticky: Osa z leží v prostoru tak, aby složka Z směrové šipky ve vztahu ke globálnímu souřadnému systému vždy vedla v kladném globálním směru Z. Osa y se pak řídí pravidlem pravé ruky. Z dané polohy lze prut natočit o úhel β, který udává pootočení lokálního systému x, y, z vůči vztažnému systému x', y', z'. Při standardním nastavení β = 0° odpovídá vztažný systém lokálnímu systému. V případě kladného úhlu β se směry y a z natočí jako u pravotočivého šroubu okolo podélné osy prutu (lokální osy x).

Jestliže se lokální systém xyz natočí pravotočivě o 90°, bude se osa y nacházet ve stejné poloze jako osa z před natočením.

Na obr. 02 je znázorněno levotočivé pootočení. V takovém případě je třeba zadat záporný úhel β.

Orientace prutu v případě, že prut není ve vodorovné poloze

Jestliže se prut nachází ve vodorovné poloze, pak jsou jeho orientace i natočení podle obr. 02 jednoznačné. Pokud ovšem prut leží v prostoru, bude se program při určení jeho polohy řídit následujícími pravidly.

V případě úhlu natočení prutu β = 0° jsou možné dva případy.

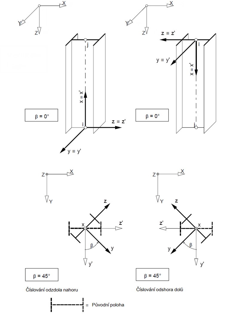
1. případ: Obecná poloha prutu, β = 0°
Vztažná osa y' je rovnoběžná s globální rovinou XY. Vztažná osa z' je kolmá na osy x' a y', přičemž její složka Z ukazuje vždy ve směru globální osy Z. Pokud směřuje osa Z dolů v souladu s naším zadáním v dialogu Základní údaje, pak ukazuje ve směru kladné složky Z. Jestliže osa Z směřuje nahoru, ukazuje ve směru záporné složky Z. Směry os se řídí pravidlem pravé ruky.

2. případ: Svislá poloha prutu, β = 0°
Vztažná osa y' ukazuje ve směru globální osy Y. Osa z je dána pravidlem pravé ruky; v případě β = 0° vede ve směru globální osy X.

Pokud je úhel natočení prutu ±90° a 180°, postupuje program v případě prutů ve svislé poloze následovně:

Prut lze natočit o úhel β okolo jeho podélné osy. Kladný úhel odpovídá pootočení osy y ve směru osy z. Pro orientaci os je důležité, zda je prut zadán shora dolů nebo opačně (viz obr. 04 a 05).

Změna os prutu v důsledku polohy prutu

Pokud se u průběžného sledu prutů ve sloupu osy „stočí“, je obvykle důvodem automatická klasifikace polohy prutu: Poloha jednoho prutu ve sloupu je vyhodnocena jako „svislá“, zatímco poloha navazujícího prutu jako „obecná“. Obecná poloha prutu se uvažuje v případě (minimálních) odchylek souřadnic X a Y u definičního uzlu prutu, čili pokud je prut lehce nakloněn.

Změna os ztěžuje zadání lokálních zatížení na pruty a imperfekcí. Ovlivňuje také označení a znaménka vnitřních sil.

Zvláště při importu modelu DXF se může stát, že souřadnice X a Y definičních uzlů se neshodují ve všech desetinných číslech. Nápravu můžeme provést ručně. Elegantnější řešení představuje vyrovnání odchylek pomocí volby „Regenerovat model“ v programu, která také uživateli umožňuje zadat požadovanou toleranci.

Závěr

Ve 3D modelu je orientace prutů důležitá pro tuhost modelu a pro přiřazení lokálních zatížení. Při zadání nového prutu se lokální osový systém určí nejdříve automaticky na základě definičních uzlů. Orientaci os lze poté individuálně upravit zadáním úhlu natočení prutu. V programu RFEM i RSTAB můžeme polohu prutu rychle a spolehlivě ověřit ve 3D renderování.


Autor

Robert zodpovídá za technickou dokumentaci. Zajišťuje, aby byl obsah jasně strukturovaný, srozumitelně zpracovaný a odborně přesně předávaný.

Odkazy
Reference
Stahování


;