9698x
001449
07.06.2017

Angle de rotation de la barre

Dans les structures 3D, la position de la barre joue un rôle important pour la détermination des efforts internes. L’orientation des axes de barre peuvent être définies par soit un angle de rotation global de section ou par un angle de rotation propre à la barre. Ces deux angles s’additionnent pour déterminer la position des axes principaux de barre dans un modèle 3D.

Cet article explique comment RFEM et RSTAB définissent automatiquement la position de barre et comment elle peut être ajustée à l’aide des angles de rotation de barre, si nécessaire.

Axes de barre locaux

Le système de coordonnées de barre avec les axes x, y et z est défini comme étant à angle droit avec des vis à droite. L'axe local de barre x représente toujours l'axe de centre de gravité de la barre. Il relie le nœud initial au nœud final tandis que la direction positive de l'axe x est orientée du nœud initial i au nœud final j de la barre. Dans le cas de sections symétriques, les axes locaux y et z représentent les axes principaux de la barre (ces axes sont indiqués par u et v dans le cas de sections asymétriques). L'axe y est le « grand » axe de la section.

Angle de rotation de barre β

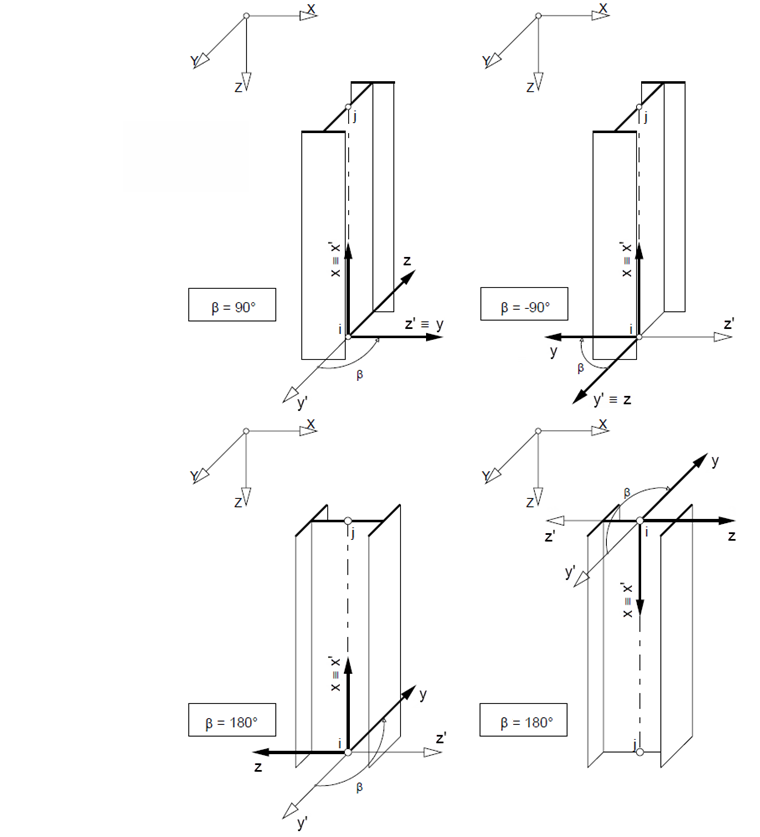
Si une barre a une rotation autour de son axe longitudinal, cette rotation peut être définie par l'angle . La position et donc le système de coordonnées de barre local xyz sont clairement décrits en spécifiant le nœud initial i et le nœud final j ainsi que l'angle de rotation β.

Le programme définit ensuite automatiquement la position des axes locaux y et z : L'axe z est situé dans l'espace de sorte que la partie Z de la flèche de direction relative au système de coordonnées global pointe toujours vers la direction globale positive Z. L'axe y est alors obtenu selon la règle de la main droite. À partir de cette position, la barre peut être tournée à l'aide de l'angle de rotation β, qui indique la rotation du système local x, y, z par rapport au système de référence x', y', z'. Dans le cas du réglage par défaut = 0°, le système de référence est en même temps le système local. Dans le cas d'un angle β positif, les directions y et z tournent autour de l'axe longitudinal de la barre (axe local x) comme dans le cas d'une vis à droite.

Si le système local xyz subit une rotation de 90° à droite, l'axe y se trouve dans la position de l'axe z avant la rotation.

La Figure 02 montre la rotation du vissage à gauche. L'angle β doit être entré comme négatif dans ce cas.

Orientation de barre dans le cas d'une position de barre non horizontale

Si la barre est en position horizontale, l'orientation et la rotation sont claires, comme le montre la Figure 02. Cependant, si la barre est située dans l'espace, le programme oriente la barre selon les règles suivantes.

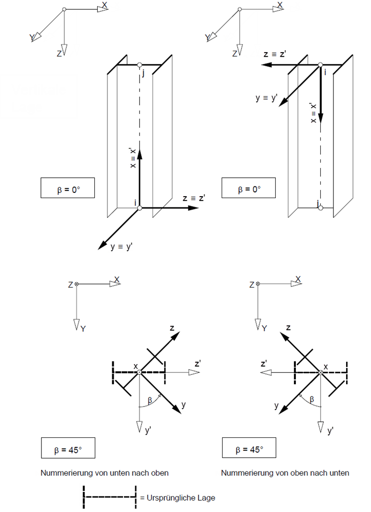
Pour un angle de rotation de barre = 0°, deux cas sont possibles.

Premier cas : Position générale de la barre, = 0°
L'axe de référence y' est parallèle au plan global XY. L'axe de référence z' est perpendiculaire aux axes x' et y', tandis que sa composante Z pointe toujours en direction de l'axe global Z. Si l'axe Z est défini vers le bas dans les données de base, il pointe en direction de la composante Z positive ; si l'axe Z est défini vers le haut, il pointe en direction de la composante Z négative. Les directions des axes suivent la règle de la main droite.

Deuxième cas : Position verticale de la barre, = 0°
L'axe de référence y' pointe en direction de l'axe Y global. L'axe z est obtenu à l'aide de la règle de la main droite ; si = 0°, il pointe en direction de l'axe X global.

Pour un angle de rotation de barre de ±90° et 180°, le programme applique les hypothèses suivantes pour les barres en position verticale :

La barre peut être tournée autour de l'axe longitudinal de cette barre à l'aide de l'angle de rotation . Un angle positif correspond à une rotation de l'axe y en direction de l'axe z. Le fait que la barre soit définie de haut en bas ou de bas en haut est important pour l'orientation de l'axe (voir les Figures 04 et 05).

Modification de l'axe de barre due à la position de la barre

Si l'axe « saute » dans le cas d'une barre continue porteuse, la cause en est généralement la classification automatique de la position de la barre : La position de la barre continue est classée comme « verticale » et la position des barres connectées comme « générale ». La position générale de la barre s'applique s'il existe (au minimum) des coordonnées X et Y différentes pour les nœuds de définition d'une barre, la barre est donc légèrement inclinée.

Les axes variables compliquent la définition des charges de barre et des imperfections locales. Ils influencent également les symboles et les signes des efforts internes.

Lors de l'importation d'un modèle DXF en particulier, il peut arriver que les coordonnées X et Y des nœuds de définition ne soient pas identiques à toutes les décimales. Ceci peut être corrigé par un réglage manuel. Il est préférable de compenser les écarts à l'aide de l'option de programme « Régénérer le modèle », qui autorise également les tolérances définies par l'utilisateur.

Résumé

Dans un modèle 3D, l'orientation de la barre est importante pour la rigidité du modèle ainsi que pour l'affectation des charges locales. Lors de la saisie d'une barre, le système d'axes local est automatiquement défini sur la base des nœuds de définition. Il est ensuite possible d'ajuster l'orientation de l'axe à l'aide d'un angle de rotation de barre. RFEM et RSTAB vous permettent de vérifier rapidement et de manière fiable la position de la barre dans le rendu 3D.


Auteur

Robert est responsable de la documentation technique. Il veille à ce que les contenus soient clairement structurés, présentés de manière compréhensible et transmis avec précision sur le plan technique.

Liens
Références
Téléchargements


;