9698x
001449
2017-06-07

ângulo de rotação da barra

Nas estruturas espaciais, a posição das barras representa um papel importante em termos de determinação das forças internas. Die Ausrichtung der Stabachsen kann zum einen durch einen globalen Querschnittsdrehwinkel, zum anderen durch einen stabspezifischen Stabdrehwinkel definiert werden. Diese beiden Winkel werden addiert, um die Lage der Stab-Hauptachsen im 3D-Modell festzulegen.

Este artigo descreve como o RFEM e o RSTAB definem automaticamente a posição da barra e como esta pode ser ajustada utilizando os ângulos de rotação da barra, se necessário.

Eixos locais da barra

O sistema de coordenadas da barra com os eixos x, y ez é definido como chanfrado reto com parafusos à direita. O eixo local x da barra representa sempre o eixo do centro de gravidade da barra. Esta liga o nó inicial ao nó final enquanto a direção positiva do eixo x está orientada a partir do nó inicial i para o nó final j da barra. No caso de secções simétricas, os eixos locais y ez representam os eixos principais da barra (esses eixos são indicados com u e v no caso de secções assimétricas). O eixo y é o eixo "maior" da secção.

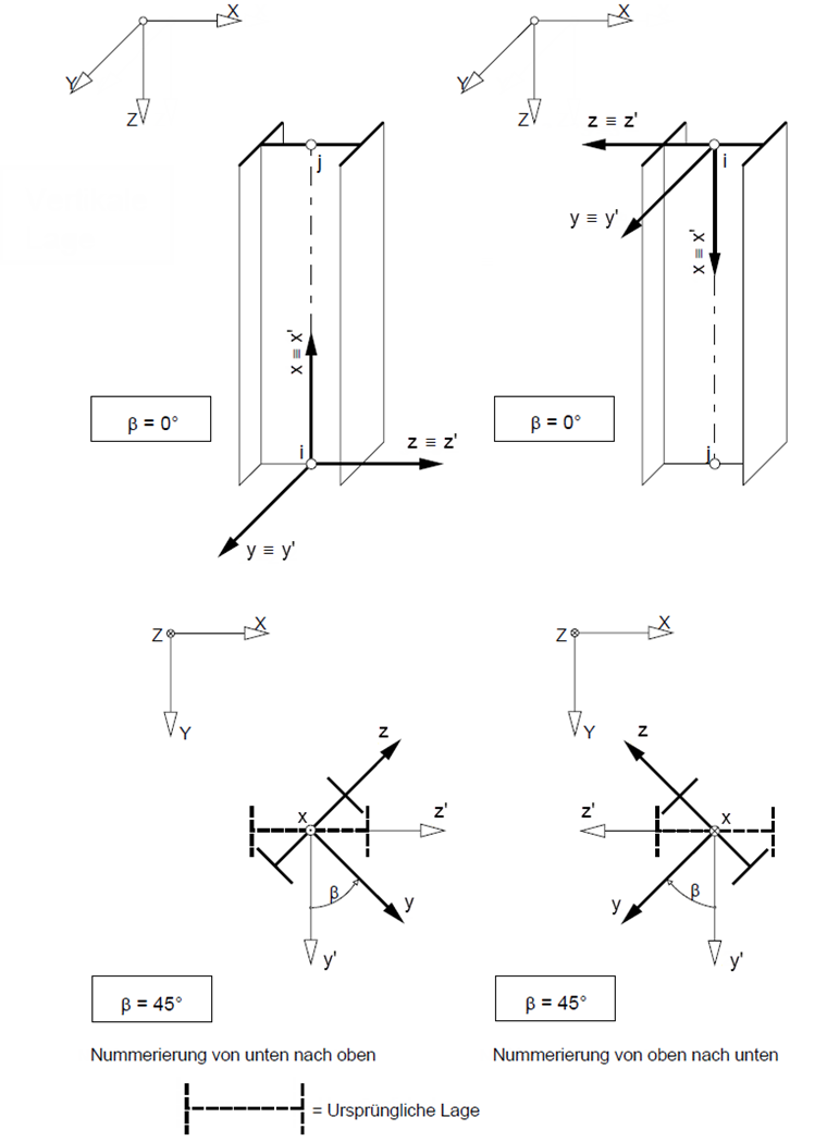
Ângulo de rotação da barra β

Se uma barra tem uma rotação em torno do seu eixo longitudinal, essa rotação pode ser definida por um ângulo β. A posição e, portanto, o sistema de coordenadas de barra local xyz é descrito claramente através da especificação do nó inicial i, do nó final j bem como do ângulo de rotação β.

O programa define depois a posição dos eixos locais y e z automaticamente: O eixo z está localizado no espaço de maneira que a parte Z da seta de direção relacionada com o sistema de coordenadas global aponta sempre para a direção global positiva Z. O eixo y é então obtido de acordo com a regra da mão direita. A partir desta posição, a barra pode ser rodada utilizando o ângulo de rotação β, que indica a rotação do sistema local x, y, z contra o sistema de referência x', y', z'. Com a configuração padrão β = 0 °, o sistema de referência é ao mesmo tempo o sistema local. No caso de ângulo positivo β, as direções y e z rodam em torno do eixo longitudinal da barra (eixo local x) como no caso de um parafuso direito.

Se o sistema local xyz estiver aparafusado à direita em 90 graus, o eixo y estará na posição do eixo z antes da rotação.

A Figura 02 apresenta a rotação para a esquerda. O ângulo β deve ser introduzido como negativo neste caso.

Orientação da barra no caso de uma posição de barra não horizontal

Se a barra se encontra na posição horizontal, a orientação e a rotação são claras, como apresentado na Figura 02. No entanto, se a barra estiver localizada no espaço, o programa orienta a barra de acordo com as seguintes regras.

Para um ângulo de rotação da barra β = 0°, são possíveis dois casos.

1º Caso: Posição geral da barra, β = 0°
O eixo de referência y' é paralelo ao plano XY global. O eixo de referência z' é perpendicular aos eixos x' e y', enquanto a sua componente Z aponta sempre na direção do eixo global Z. Se o eixo Z se encontra definido para baixo nos dados gerais, aponta na direção da componente Z positiva; se o eixo Z se encontra definido para cima, aponta na direção da componente Z negativa. As direções dos eixos seguem a regra da mão direita.

2º Caso: Posição vertical da barra, β = 0°
O eixo de referência y' aponta na direção do eixo Y global. O eixo z é obtido utilizando a regra da mão direita; se β = 0°, aponta na direção do eixo X global.

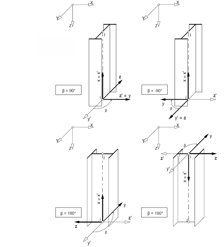
Para um ângulo de rotação da barra de ±90° e 180°, o programa aplica as seguintes suposições para barras na posição vertical:

A barra pode ser rodada em torno do eixo longitudinal desta barra utilizando o ângulo de rotação β. Um ângulo positivo corresponde a uma rotação do eixo y na direção do eixo z. Para a orientação do eixo, é importante se a barra é definida de cima para baixo ou de baixo para cima (ver Figura 04 e Figura 05).

Modificação do eixo da barra devido à posição da barra

Se o eixo "salta em torno" no caso de uma barra contínua de apoio, a causa geralmente é a classificação automática da posição da barra: A posição da barra contínua é classificada como "vertical" e a posição das barras ligadas como "geral". A posição geral da barra aplica-se quando existem coordenadas X e Y (minimamente) diferentes para os nós de definição de uma barra, pelo que a barra está ligeiramente inclinada.

Os eixos variáveis complicam a definição de cargas e imperfeições locais na barra. Também influenciam os símbolos e sinais das forças internas.

Em particular, ao importar um modelo DXF, pode acontecer que as coordenadas X e Y dos nós de definição não sejam idênticas para todas as casas decimais. Isto pode ser corrigido através de ajuste manual. Uma forma melhor é compensar os desvios com a opção de programa "Regenerar modelo", que também permite tolerâncias definidas pelo utilizador.

Resumo

Num modelo 3D, a orientação da barra é importante para a rigidez do modelo e para a atribuição de cargas locais. Ao introduzir uma barra, o sistema de eixos local é definido automaticamente com base nos nós de definição. Então, é possível ajustar a orientação do eixo através de um ângulo de rotação da barra. O RFEM e o RSTAB permitem verificar a posição da barra de forma rápida e fiável numa representação 3D.


Autor

Robert é responsável pela documentação técnica. Ele garante que os conteúdos sejam claramente estruturados, apresentados de forma compreensível e transmitidos com precisão técnica.

Ligações
Referências
Downloads


;