9698x
001449
2017-06-07

杆件旋转角度

在空间结构中,杆件的位置对确定内力起着重要作用。 Die Ausrichtung der Stabachsen kann zum einen durch einen globalen Querschnittsdrehwinkel, zum anderen durch einen stabspezifischen Stabdrehwinkel definiert werden. Diese beiden Winkel werden addiert, um die Lage der Stab-Hauptachsen im 3D-Modell festzulegen.

本文介绍了 RFEM 和 RSTAB 如何自动设置杆件位置,以及如何在需要时通过杆件旋转角度进行调整。

局部杆件轴

杆件坐标系的 x、y 和 z 轴用右手螺钉定义为直角。 杆件局部 x 轴始终表示杆件的重心轴。 它将初始节点连接到末端节点,同时x轴的正方向从初始节点i指向杆件的末端节点j。 在截面对称时,局部坐标轴 y 和 z 表示杆件的主轴(在非对称截面中,坐标轴分别表示为 u 和 v)。 y 轴是截面的“强”轴。

杆件转角 β

如果杆件绕其纵向轴转动,则该转动可以通过角度 β 来定义。 通过指定初始节点 i 和结束节点 j 以及旋转角度 β,可以清晰地描述位置以及杆件局部坐标系 xyz。

然后程序自动定义局部坐标轴 y 和 z 的位置: z 轴在空间中的定位方式是,全局坐标系下方向箭头的 Z 部分始终指向全局 Z 正方向。 y 轴按照右手法则得出。 从这个位置开始,可以通过旋转角度 β 旋转杆件,该角度表示局部坐标系 x,y,z 相对于参照系 x',y',z' 的旋转。 在默认设置 β = 0° 的情况下,参考系统同时也是局部系统。 当角度 β 为正时,y 和 z 方向围绕杆件纵向轴(局部 x 轴)转动,就像使用右手螺钉一样。

如果将局部坐标系 xyz 右旋 90°,则 y 轴位于旋转前的 z 轴位置。

图 02 显示了左旋螺钉。 在这种情况下角度 β 应该输入为负数。

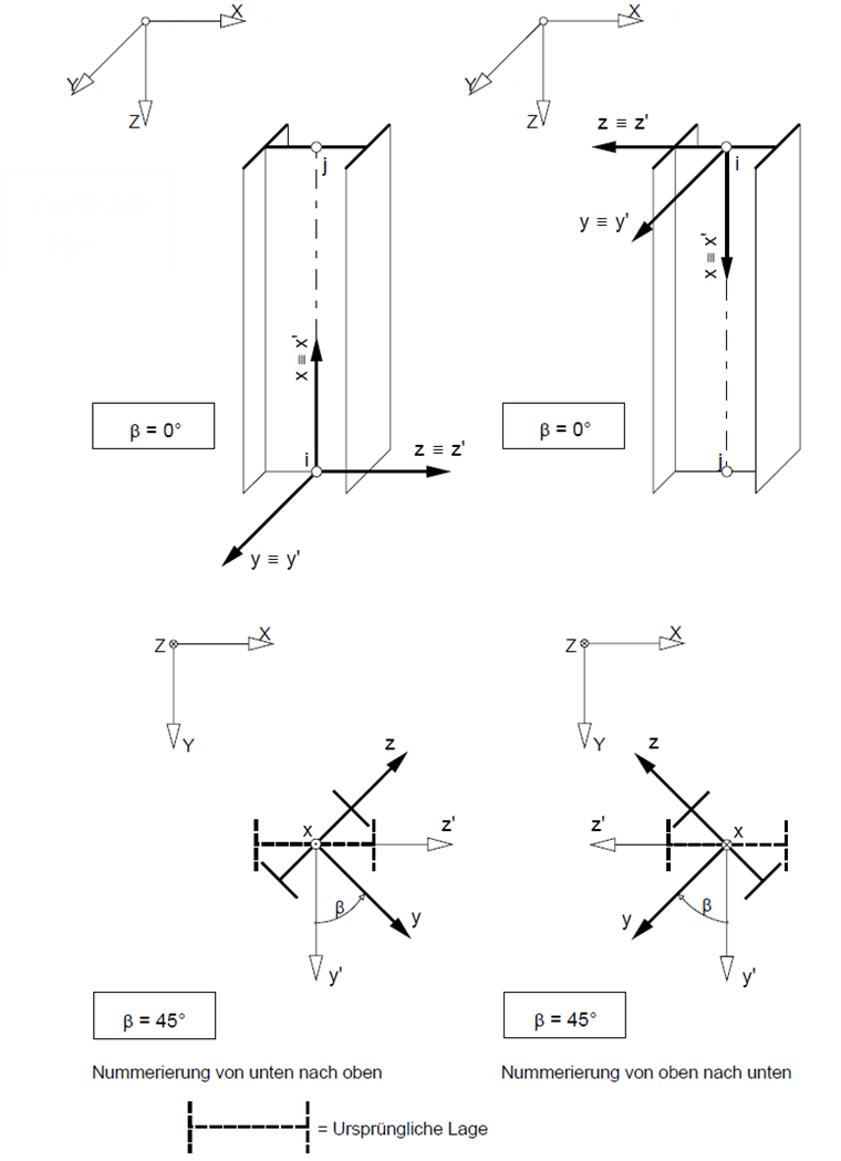
杆件位置非水平时的杆件方向

如果杆件处于水平位置,则方向和旋转是清晰的,如图 02 所示。 但是,如果杆件位于空间中,则程序会根据以下规则确定杆件的方向。

当杆件转角 β = 0° 时,可能有两种情况。

1. 工况: 杆件的基本位置,β = 0°
参考轴 y' 平行于全局 XY 平面。 参考轴 z' 垂直于 x' 和 y' 轴,而其 Z 分量始终指向全局 Z 轴。 如果在基本数据中将 Z 轴定义为向下,则表示 Z 轴正方向;如果 Z 轴向上定义,则指向 Z 分量的负方向。 坐标轴的方向遵循右手定则。

2. 工况: 杆件的垂直位置,β = 0°
参考轴 y' 指向全局 Y 轴。 z 轴是通过使用右手法则得出的。如果 β = 0°,则指向全局 X 轴。

对于杆件旋转角度为 ±90° 和 180°,程序对处于垂直位置的杆件应用以下假设:

通过旋转角度 β 可以使杆件绕该杆件的纵轴旋转。 一个正角度对应于 y 轴朝 z 轴方向旋转。 无论是从上到下还是从下到上定义杆件,轴的方向都很重要(见图 04 和图 05)。

根据杆件位置调整杆件轴

如果在支承的连续杆件中轴“跳跃”,原因通常是杆件位置的自动分类: 连续杆件的位置被分类为“垂直”,连接杆件的位置为“一般”。 如果杆件的定义节点的 X 和 Y 坐标(最小)不同,则适用一般杆件位置,因此杆件略有倾斜。

可变轴使得局部杆件荷载和缺陷的定义变得复杂。 此外内力的符号和符号也会受到影响。

尤其是在导入 DXF 模型时,定义节点的 X 和 Y 坐标的所有小数位数都不同。 这可以通过手动调整进行纠正。 更好的方法是使用“重新生成模型”程序选项来补偿偏差,该选项也允许用户自定义公差。

小结

在 3D 模型中,杆件方向对于模型刚度以及局部荷载的分配非常重要。 输入杆件时,根据定义的节点自动定义局部坐标系。 然后可以通过杆件旋转角度来调整轴的方向。 RFEM 和 RSTAB 允许您在 3D 渲染中快速可靠地检查杆件位置。


作者

Robert 负责技术文档。他确保内容结构清晰、表述易懂并且专业准确地传达。

链接
参考
下载


;