9698x
001449
7. Juni 2017

Stabdrehwinkel

In räumlichen Tragwerken spielt die Stablage eine wichtige Rolle für die Ermittlung der Schnittgrößen. Die Ausrichtung der Stabachsen kann zum einen durch einen globalen Querschnittsdrehwinkel, zum anderen durch einen stabspezifischen Stabdrehwinkel definiert werden. Diese beiden Winkel werden addiert, um die Lage der Stab-Hauptachsen im 3D-Modell festzulegen.

Dieser Beitrag beschreibt, wie die Stablage von RFEM und RSTAB automatisch festgesetzt wird und bei Bedarf über Stabdrehwinkel angepasst werden kann.

Lokale Stabachsen

Das stabbezogene Koordinatensystem mit den Achsen x, y und z ist rechtwinklig und rechtsschraubig definiert. Die lokale Stabachse x stellt immer die Schwerachse des Stabes dar. Sie verbindet den Anfangs- mit dem Endknoten, wobei die positive Richtung der Achse x vom Anfangsknoten i zum Endknoten j des Stabes weist. Bei symmetrischen Querschnitten repräsentieren die lokalen Achsen y und z die Hauptachsen des Stabes (bei unsymmetrischen Profilen werden diese Achsen als u und v bezeichnet). Die Achse y ist dabei die "starke" Achse des Querschnitts.

Stabdrehwinkel β

Weist ein Stab eine Drehung um seine Längsachse auf, so kann diese Drehung über den Winkel β definiert werden. Durch die Angabe des Anfangsknotens i und Endknotens j sowie des Drehwinkels β wird die Lage und damit das lokale Stabkoordinatensystem xyz eindeutig beschrieben.

Die Lage der lokalen Achsen y und z bestimmt das Programm zunächst automatisch: Die Achse z liegt so im Raum, dass der Z-Anteil des Richtungspfeiles bezogen auf das globale Koordinatensystem immer in die positive globale Richtung Z zeigt. Die Achse y ergibt sich dann gemäß der Drei-Finger-Regel. Aus dieser Lage kann der Stab über den Drehwinkel β gedreht werden, der die Verdrehung des Lokalsystems x, y, z gegenüber dem Bezugssystem x', y', z' angibt. Bei der Standardeinstellung β = 0° ist das Bezugssystem gleichzeitig das Lokalsystem. Bei einem positivem Winkel β drehen sich die Richtungen y und z wie bei einer Rechtsschraube um die Stablängsachse (lokale Achse x).

Wird das Lokalsystem xyz um 90° rechtsschraubig gedreht, so befindet sich die Achse y in der Lage der Achse z vor der Drehung.

In Bild 2 erfolgt die Drehung linksschraubig. Der Winkel β ist in diesem Fall negativ einzugeben.

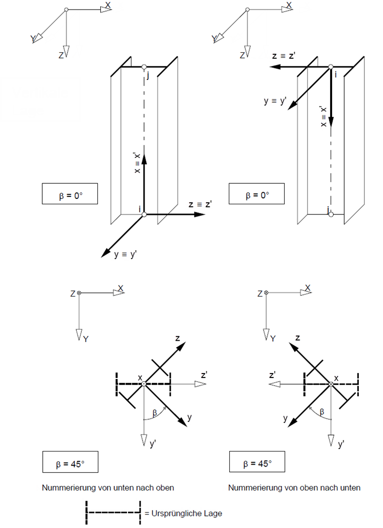
Staborientierung bei nicht-horizontaler Stablage

Befindet sich der Stab in horizontaler Lage, so ist die Ausrichtung und Drehung gemäß Bild 02 eindeutig. Bei einer Stablage im Raum hingegen richtet das Programm den Stab nach folgenden Regeln aus.

Für einen Stabdrehwinkel β = 0° sind zwei Fälle möglich.

1. Fall: Allgemeine Lage des Stabes, β = 0°
Die Bezugsachse y' wird parallel zur globalen XY-Ebene ausgerichtet. Die Bezugsachse z' steht senkrecht zu den Achsen x' und y', wobei ihre Z-Komponente stets in Richtung der globalen Achse Z zeigt. Ist die Z-Achse bei den Basisangaben nach unten definiert, so zeigt sie in Richtung der positiven Z-Komponente, bei nach oben orientierter Z-Achse in Richtung der negativen Z-Komponente. Die Richtungen der Achsen richten sich nach der Drei-Finger-Regel.

2. Fall: Vertikale Lage des Stabes, β = 0°
Die Bezugsachse y' zeigt in Richtung der globalen Y-Achse. Die Achse z ergibt sich aus der Drei-Finger-Regel; bei β = 0° zeigt sie in Richtung der globalen X-Achse.

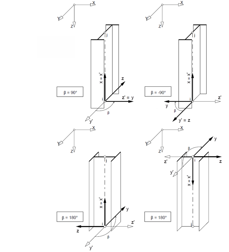
Für Stabdrehwinkel von ±90° und 180° trifft das Programm bei Stäben in vertikaler Lage folgende Annahmen:

Der Stab kann mit dem Drehwinkel β um seine Längsachse gedreht werden. Ein positiver Winkel entspricht einer Drehung der Achse y in Richtung der Achse z. Für die Ausrichtung der Achsen spielt es eine Rolle, ob der Stab von oben nach unten oder entgegengesetzt definiert ist (siehe Bild 04 und Bild 05).

Wechsel der Stabachsen infolge Stablage

Wenn bei einem durchlaufenden Stützenstabzug die Achsen "umspringen", ist meist die automatische Klassifizierung der Stablage die Ursache: Die Lage eines Stützenstabes wird als "vertikal" eingestuft, die Lage des anschließenden Stabes als "allgemein". Eine allgemeine Stablage wird angenommen, wenn (minimal) unterschiedliche X- und Y-Koordinaten für die Definitionsknoten eines Stabes vorliegen, der Stab also geringfügig geneigt ist.

Wechselnde Achsen erschweren die Definition lokaler Stablasten und Imperfektionen. Sie beeinflussen auch die Bezeichnungen und Vorzeichen der Schnittgrößen.

Insbesondere beim Importieren eines DXF-Modells kann es vorkommen, dass die X- und Y-Koordinaten der Definitionsknoten nicht auf alle Nachkommastellen identisch sind. Abhilfe kann durch eine manuelle Anpassung erfolgen. Eleganter lassen sich die Abweichungen mit der Programmoption "Modell regenerieren" kompensieren, die auch benutzerdefinierte Toleranzen erlaubt.

Zusammenfassung

In einem 3D-Modell ist die Ausrichtung der Stäbe wichtig für die Steifigkeit des Modells und die Zuweisung lokaler Lasten. Bei der Eingabe eines Stabes wird das lokale Achsensystem zunächst automatisch auf Basis der Definitionsknoten festgelegt. Die Ausrichtung der Achsen kann dann über einen Stabdrehwinkel individuell angepasst werden. In RFEM und RSTAB lässt sich die Lage der Stäbe zuverlässig und schnell im 3D-Rendering überprüfen.


Autor

Robert verantwortet die technische Dokumentation. Er sorgt dafür, dass Inhalte klar strukturiert, verständlich aufbereitet und fachlich präzise vermittelt werden.

Links
Referenzen
Downloads


;