9698x
001449
2017-06-07

angolo di rotazione dell'asta

Nelle strutture spaziali, la posizione dell'asta gioca un ruolo importante in termini di determinazione delle forze interne. Die Ausrichtung der Stabachsen kann zum einen durch einen globalen Querschnittsdrehwinkel, zum anderen durch einen stabspezifischen Stabdrehwinkel definiert werden. Diese beiden Winkel werden addiert, um die Lage der Stab-Hauptachsen im 3D-Modell festzulegen.

Questo articolo spiega come RFEM e RSTAB impostano automaticamente la posizione dell'asta e come può essere regolata utilizzando gli angoli di rotazione dell'asta, se necessario.

Assi locali delle aste

Il sistema di coordinate relativo all'asta con gli assi x, y e z è definito come ad angolo retto con viti destre. L'asse locale dell'asta x rappresenta sempre l'asse baricentrico dell'asta. Collega il nodo iniziale al nodo finale mentre la direzione positiva dell'asse x è orientata dal nodo iniziale i al nodo finale j dell'asta. Nel caso di sezioni trasversali simmetriche, gli assi locali y e z rappresentano gli assi principali dell'asta (questi assi sono indicati come u e v nel caso di sezioni trasversali asimmetriche). L'asse y è l'asse "maggiore" della sezione trasversale.

Angolo di rotazione dell'asta β

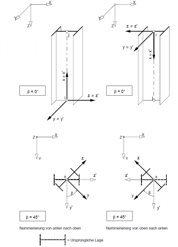
Se un'asta ha una rotazione intorno al suo asse longitudinale, questa rotazione può essere definita dall'angolo β. La posizione, e quindi il sistema di coordinate dell'asta locale xyz, sono chiaramente descritti specificando il nodo iniziale i e il nodo finale j nonché l'angolo di rotazione β.

Il programma definisce quindi automaticamente la posizione degli assi locali y e z: L'asse z si trova nello spazio in modo che la parte Z della freccia direzionale relativa al sistema di coordinate globali punta sempre nella direzione globale positiva Z. L'asse y è quindi ottenuto secondo la regola della mano destra. Da questa posizione, l'asta può essere ruotata utilizzando l'angolo di rotazione β, che indica la rotazione del sistema locale x, y, z rispetto al sistema di riferimento x', y', z'. Nel caso dell'impostazione predefinita β = 0°, il sistema di riferimento è il sistema locale allo stesso tempo. Nel caso dell'angolo positivo β, le direzioni y e z ruotano intorno all'asse dell'asta longitudinale (asse locale x) come nel caso di una vite destra.

Se il sistema locale xyz è avvitato a destra e ruotato di 90°, l'asse y è nella posizione dell'asse z prima della rotazione.

La Figura 02 mostra la rotazione avvitata a sinistra. In questo caso, l'angolo β dovrebbe essere inserito come negativo.

Orientamento dell'asta nel caso di una posizione dell'asta non orizzontale

Se l'asta è in posizione orizzontale, l'orientamento e la rotazione sono libere, come mostrato nella Figura 02. Tuttavia, se l'asta si trova nello spazio, il programma orienta l'asta secondo le seguenti regole.

Per un angolo di rotazione dell'asta β = 0°, sono possibili due casi.

1° Caso: Posizione generale dell'asta, β = 0°
L'asse di riferimento y' è parallelo al piano XY globale. L'asse di riferimento z' è perpendicolare agli assi x' e y' mentre la sua componente Z punta sempre in direzione dell'asse globale Z. Se l'asse Z è definito verso il basso nei Dati generali, allora punta in direzione della componente Z positiva; se l'asse Z è definito verso l'alto, punta in direzione della componente Z negativa. Le direzioni degli assi seguono la regola della mano destra.

2° Caso: Posizione verticale dell'asta, β = 0°
L'asse di riferimento y' punta in direzione dell'asse Y globale. L'asse z si ottiene utilizzando la regola della mano destra; se β = 0°, punta in direzione dell'asse X globale.

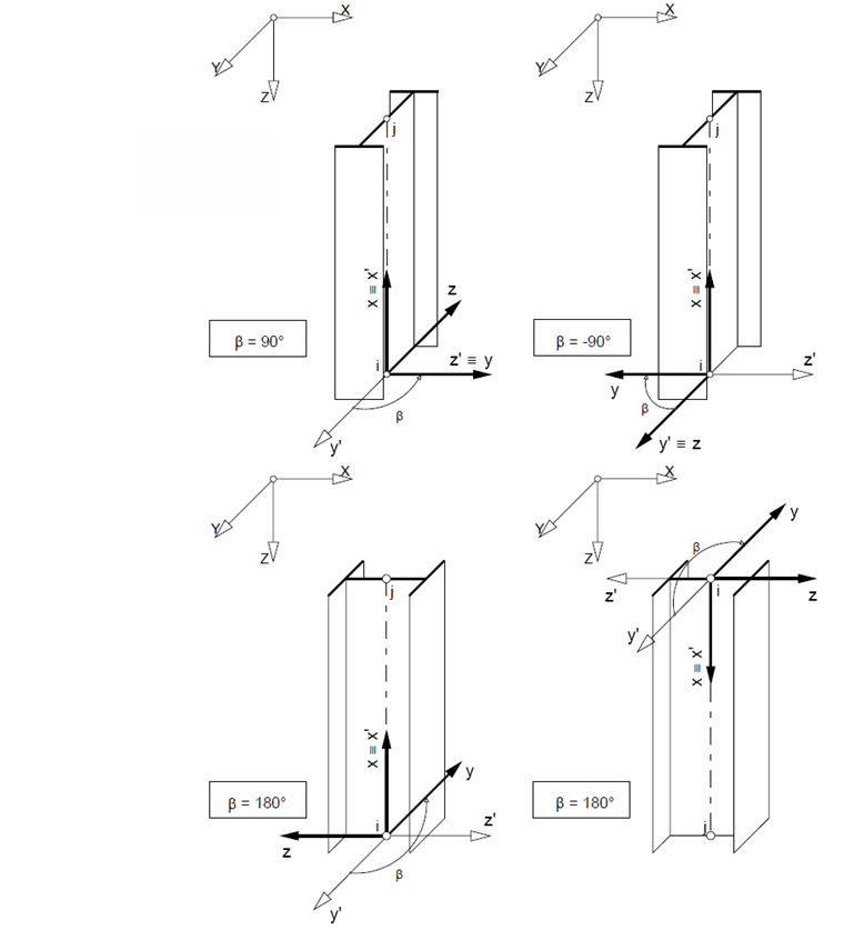
Per un angolo di rotazione dell'asta di ±90° e 180°, il programma applica le seguenti ipotesi per le aste in posizione verticale:

L'asta può essere ruotata intorno all'asse longitudinale di questa asta utilizzando l'angolo di rotazione β. Un angolo positivo corrisponde ad una rotazione dell'asse y in direzione dell'asse z. È importante per l'orientamento dell'asse se l'asta è definita dall'alto verso il basso o dal basso verso l'alto (Figura 04 e Figura 05).

Modifica dell'asse dell'asta dovuta alla posizione dell'asta

Se l'asse "salta" nel caso di un'asta continua di vincolo, la causa è di solito la classificazione automatica della posizione dell'asta: La posizione dell'asta continua è classificata come "verticale" e la posizione delle aste collegate come "generale". La posizione generale dell'asta si applica se ci sono (minimamente) coordinate X e Y diverse per i nodi di definizione di un'asta, quindi l'asta è leggermente inclinata.

Gli assi variabili complicano la definizione dei carichi locali delle aste e delle imperfezioni. Influenzano anche i simboli e i segni delle forze interne.

In particolare, durante l'importazione di un modello DXF, può accadere che le coordinate X e Y dei nodi di definizione non siano identiche a tutte le cifre decimali. Questo può essere corretto mediante regolazione manuale. Un modo migliore è compensare le deviazioni con l'opzione del programma "Rigenera modello", che consente anche le tolleranze definite dall'utente.

Sommario

In un modello 3D, l'orientamento dell'asta è importante per la rigidezza del modello e per l'assegnazione dei carichi locali. Quando si inserisce un'asta, il sistema di assi locale viene definito automaticamente sulla base dei nodi di definizione. È quindi possibile modificare l'orientamento dell'asse utilizzando un angolo di rotazione dell'asta. RFEM e RSTAB consentono di controllare la posizione dell'asta in rendering 3D in modo rapido e affidabile.


Autore

Robert è responsabile della documentazione tecnica. Si assicura che i contenuti siano strutturati in modo chiaro, presentati in maniera comprensibile e trasmessi con precisione tecnica.

Link
Bibliografia
Download


;